GM Service Manual Online
For 1990-2009 cars only
Makes
🢒
Isuzu
🢒
2003
🢒
Ascender - 4WD
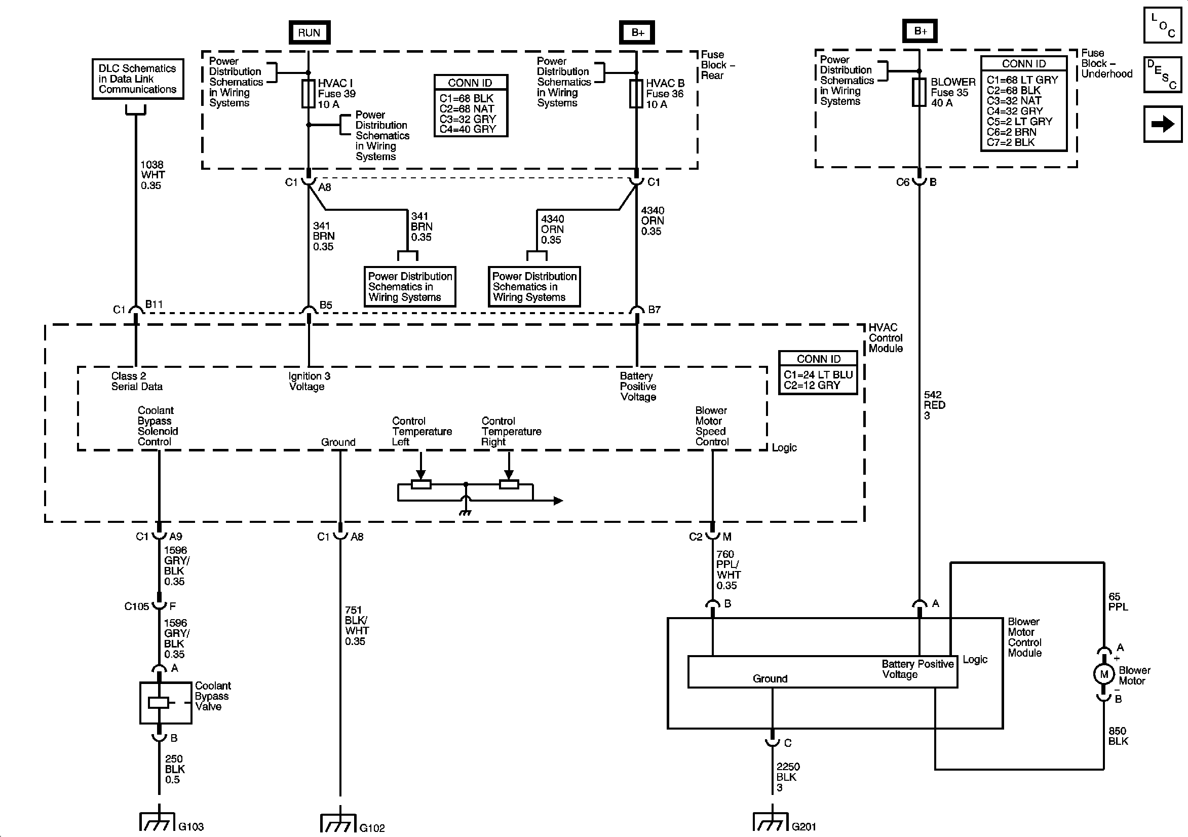
🢒 Blower Motor, Module Power, Ground and Serial Data
Blower Motor, Module Power, Ground and Serial Data
Module Power, Ground, Serial Data and Blower Motor
Master Electrical Component List
Air Delivery Description and Operation
Compressor Controls and A/C Sensors
G101, G103, G106, and G110
G102, G104, G105, and G107
G201, 1 of 2
Data Link Communication
AMP, SUNROOF, VENT WDO, REAR WIPER, LGM 2, SEATS, LR/RR LOCKS Fuses Fuses
HVAC I, BRAKE and TBC RUN Fuses
HVAC I, BRAKE and TBC RUN Fuses
FLASHER, VEHICLE CHMSL, VEHICLE STOP TRLl L TURN, TRL R TURN, LEFT TURN, RIGHT TURN Fuses
FLASHER, VEHICLE CHMSL, VEHICLE STOP TRLl L TURN, TRL R TURN, LEFT TURN, RIGHT TURN Fuses
IGN E and PCM I Fuses