GM Service Manual Online
For 1990-2009 cars only
Makes
🢒
Isuzu
🢒
2003
🢒
Ascender - 4WD
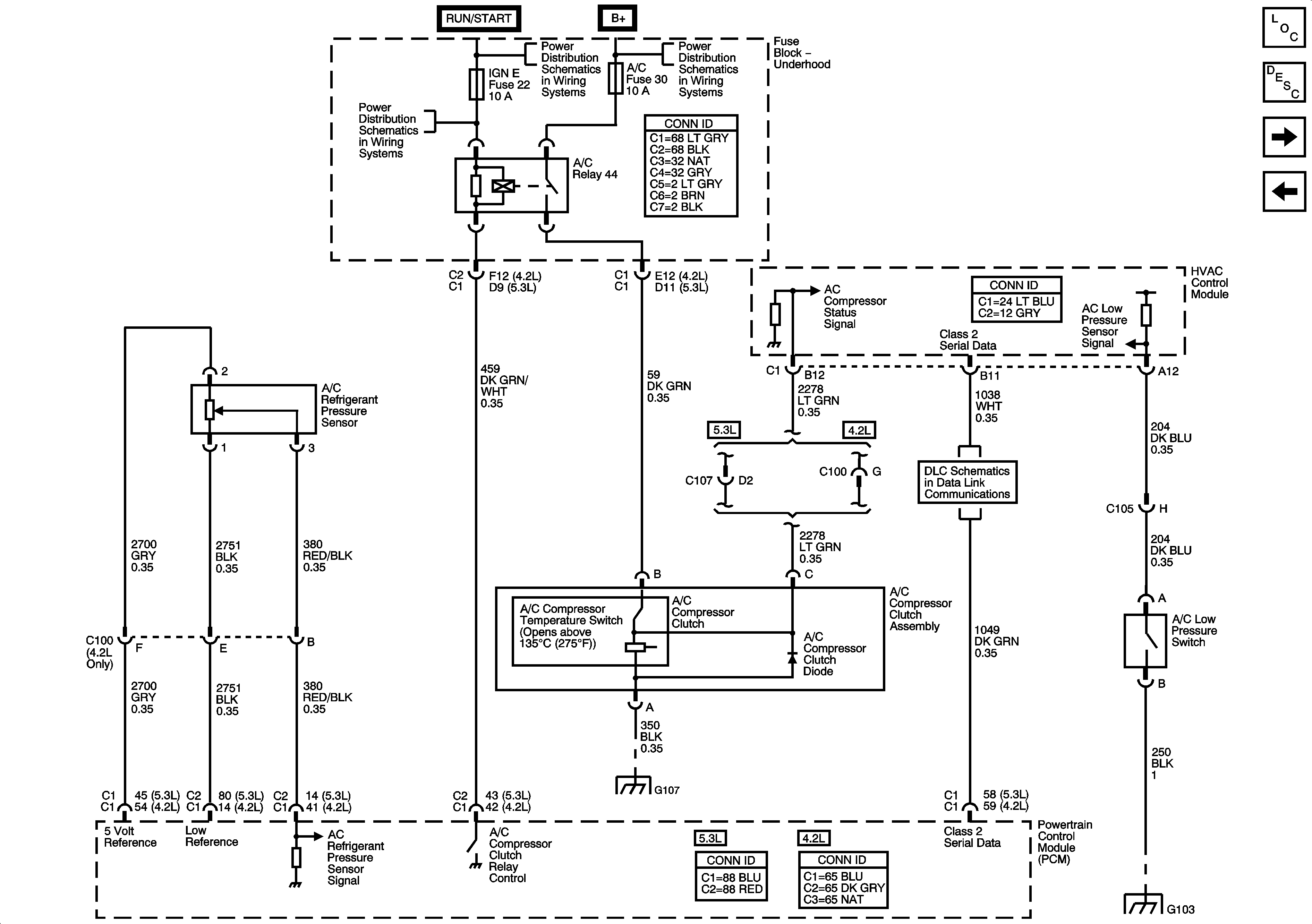
🢒 Compressor Controls and A/C Sensors
Compressor Controls and A/C Sensors
A/C Sensors and Compressor Controls
Master Electrical Component List
Air Delivery Description and Operation
Actuators
Blower Motor, Module Power, Ground and Serial Data
G102, G104, G105, and G107
G101, G103, G106, and G110
Data Link Communication
AUX PWR 2, RRHVAC, AUX PWR 1, TBC 2, TBC 3, TBC 4 Fuses
AUX PWR 2, RRHVAC, AUX PWR 1, TBC 2, TBC 3, TBC 4 Fuses
I/P BATT, TRAILER ABS, HORN IGN A, IGN B, ATC Fuses