GM Service Manual Online
For 1990-2009 cars only
Makes
🢒
Isuzu
🢒
2003
🢒
Ascender - 4WD
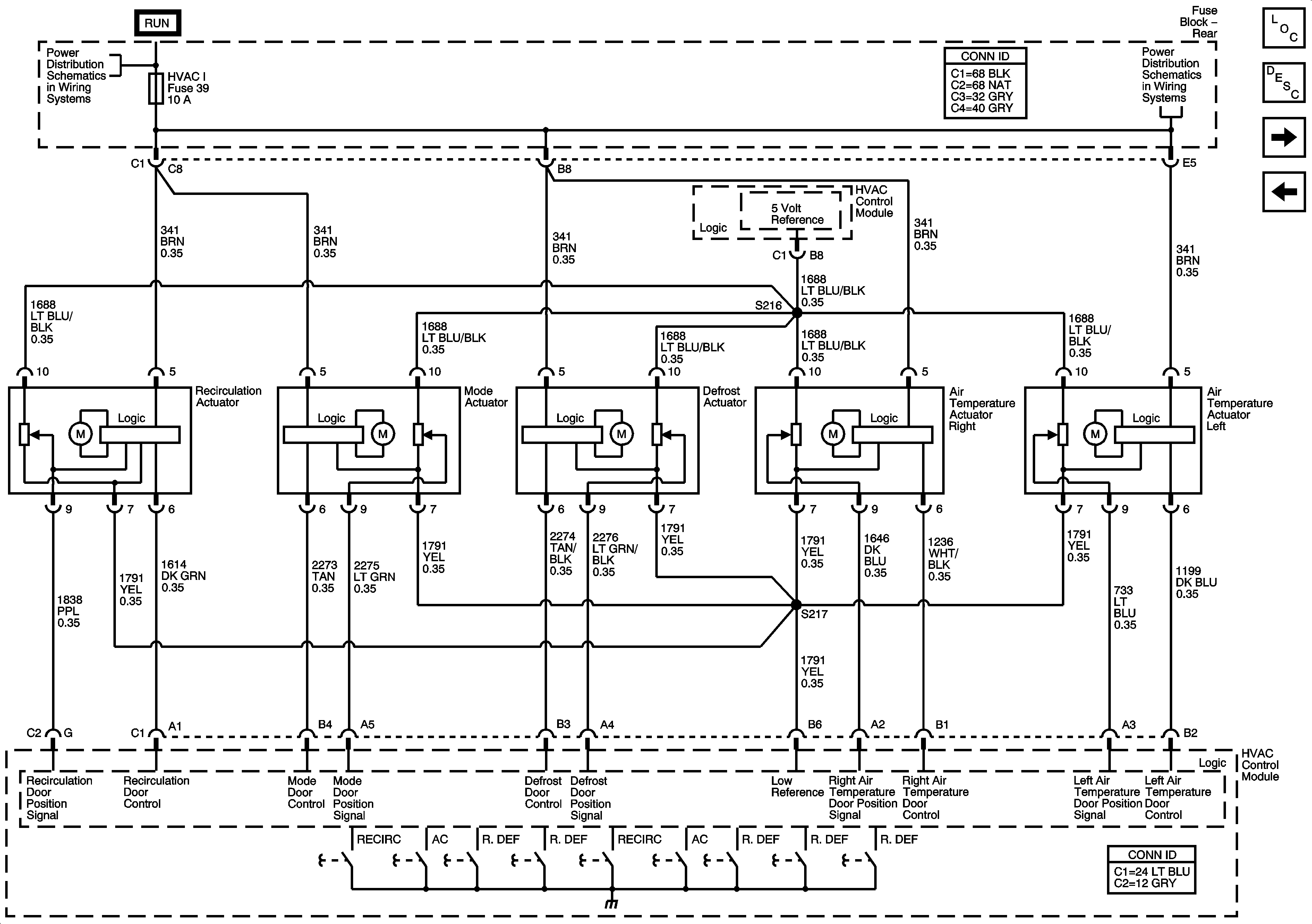
🢒 Actuators
Actuators
Actuators
Master Electrical Component List
Air Delivery Description and Operation
Air Temperature Sensors
Compressor Controls and A/C Sensors
AMP, SUNROOF, VENT WDO, REAR WIPER, LGM 2, SEATS, LR/RR LOCKS Fuses Fuses
HVAC I, BRAKE and TBC RUN Fuses