GM Service Manual Online
For 1990-2009 cars only
Makes
🢒
Isuzu
🢒
2003
🢒
Ascender - 4WD
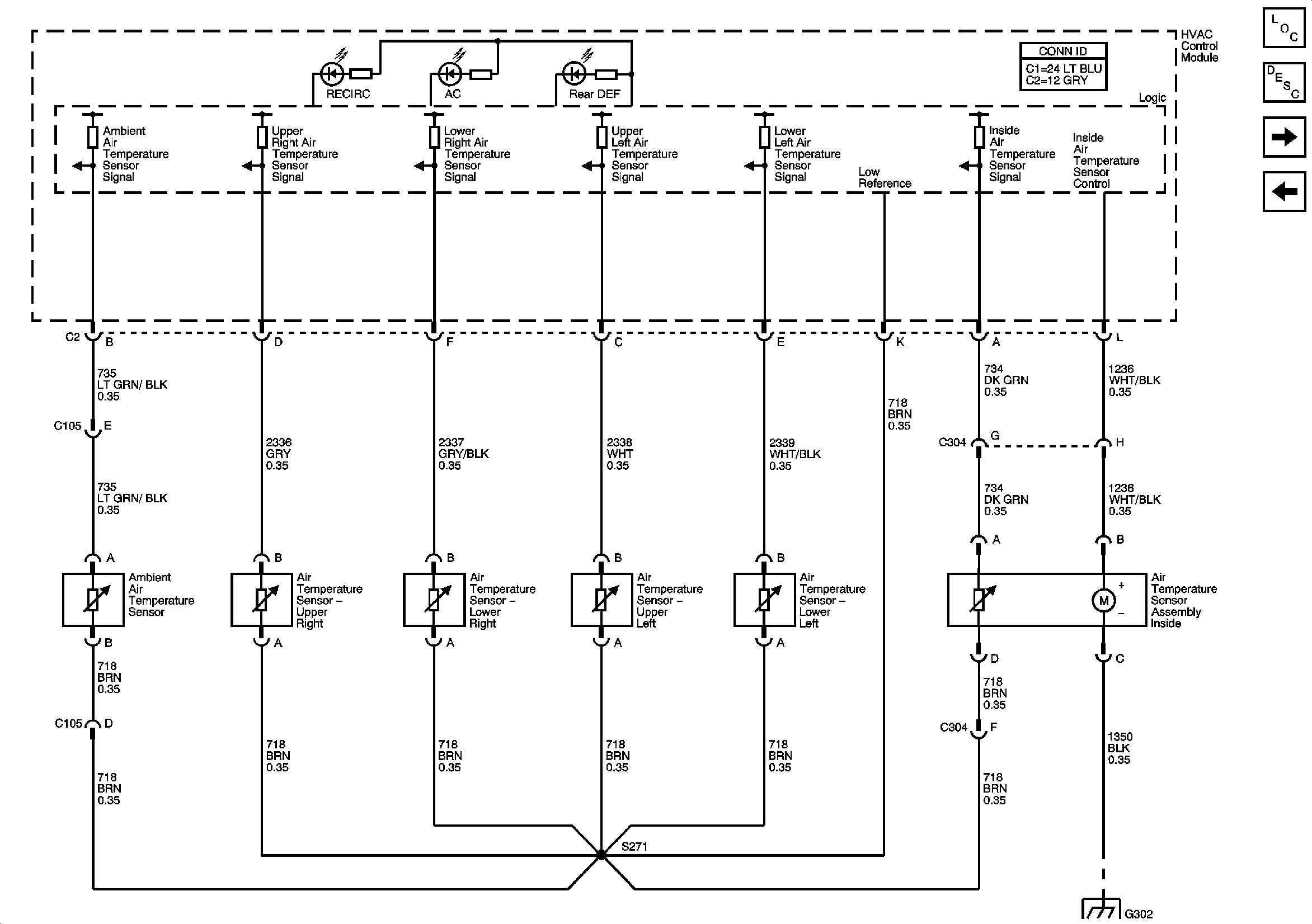
🢒 Air Temperature Sensors
Air Temperature Sensors
Air Temperature Sensors
Master Electrical Component List
Air Delivery Description and Operation
Ambient Lignt/Sunload Sensor
Actuators
G102, G104, G105, and G107