GM Service Manual Online
For 1990-2009 cars only
Makes
🢒
Isuzu
🢒
2000
🢒
S/T Isuzu - 2WD
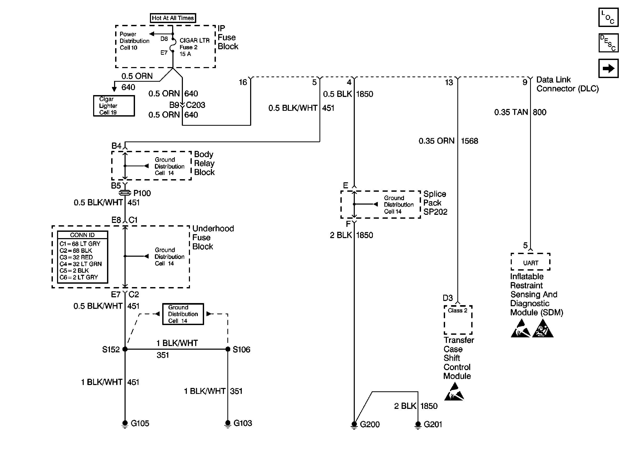
🢒 Cell 50: Power, Ground and SRS
Cell 50: Power, Ground and SRS
Cell 50: Power, Ground and SRS
Cell 10: INT BATT, PWR LKS, CTSY LP and CIGAR LTR Fuses
Cell 19
Cell 14: Underhood Grounds
Power and Grounding Connector End Views
Cell 14: Underhood Grounds
Cell 14: G103 and G105 (4.3L)
Handling ESD Sensitive Parts Notice
Handling ESD Sensitive Parts Notice
SRS Service Precautions
Data Link Communications Components
Data Link Communications Circuit Description
Cell 50: SP201 (2.2L)
Cell 14: G200, G201 and G207