GM Service Manual Online
For 1990-2009 cars only
Makes
🢒
Oldsmobile
🢒
2002
🢒
Aurora
🢒 Fuel Controls - Fuel Pump Controls
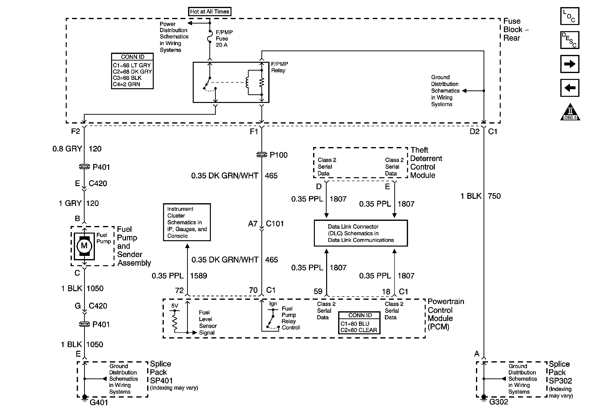
Fuel Controls - Fuel Pump Controls
Fuel Controls -- Fuel Pump Controls
Master Electrical Component List
Fuel System Description
Fuel Controls - Fuel Injectors
Ignition Controls - Sensors
OBD II Symbol Description Notice
Battery Feed to the Fuse Block-Rear
G401 (1 of 2)
G302
Gages
Serial Data Class 2