GM Service Manual Online
For 1990-2009 cars only

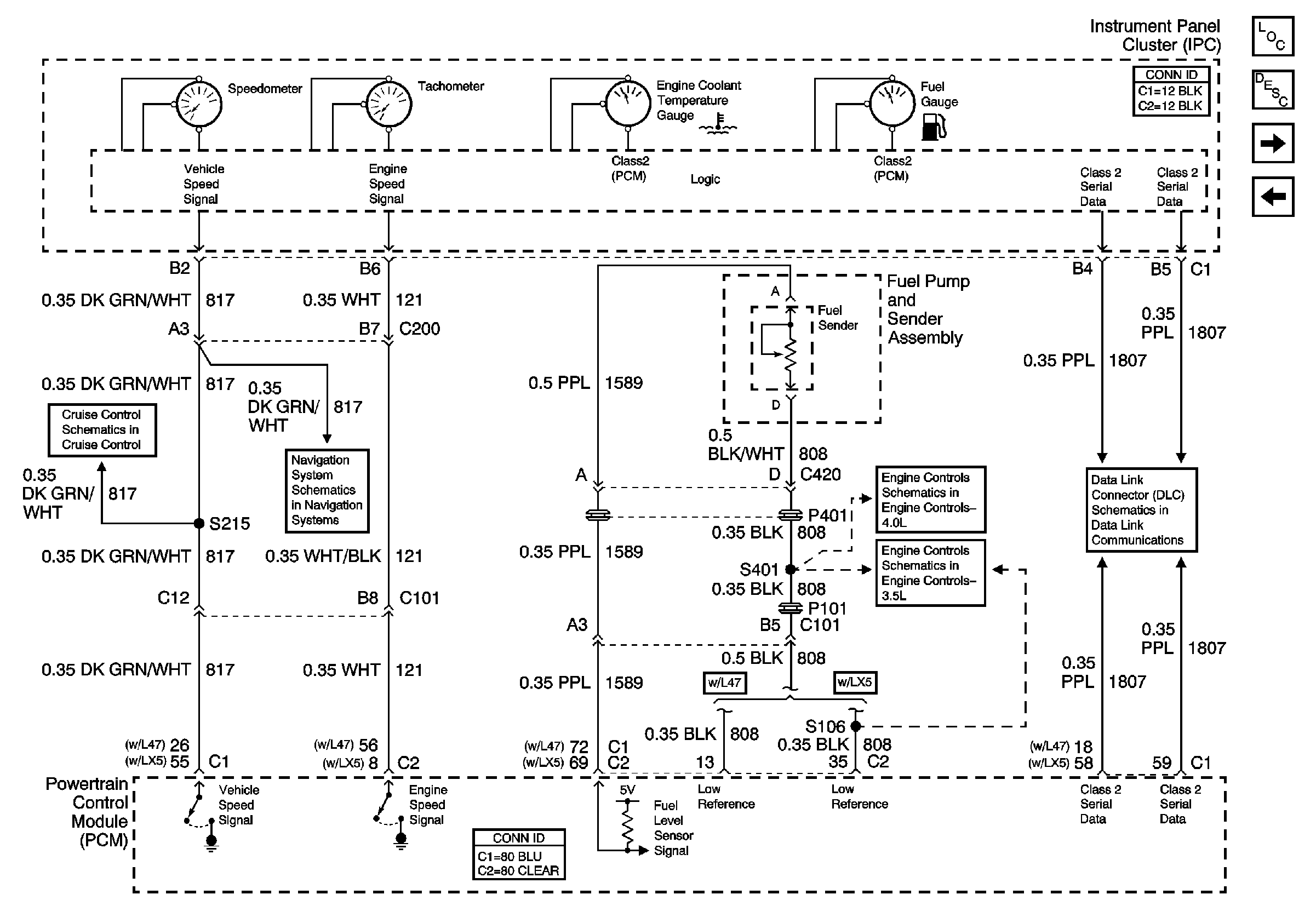
Gages

Gages


Object Number: 765514  Size: FS
Master Electrical Component List
Instrument Cluster Description and Operation
Indicators
Power, Ground, and Class 2
Serial Data Class 2
Engine Data Sensors - Pressure and Temperature
Fuel Controls - EVAP Controls
CCM, PCM Controls and Vehicle Speed Input