GM Service Manual Online
For 1990-2009 cars only
Makes
🢒
Oldsmobile
🢒
2002
🢒
Aurora
🢒 Power, Ground, and Class 2
Power, Ground, and Class 2
Power, Ground, and Class 2
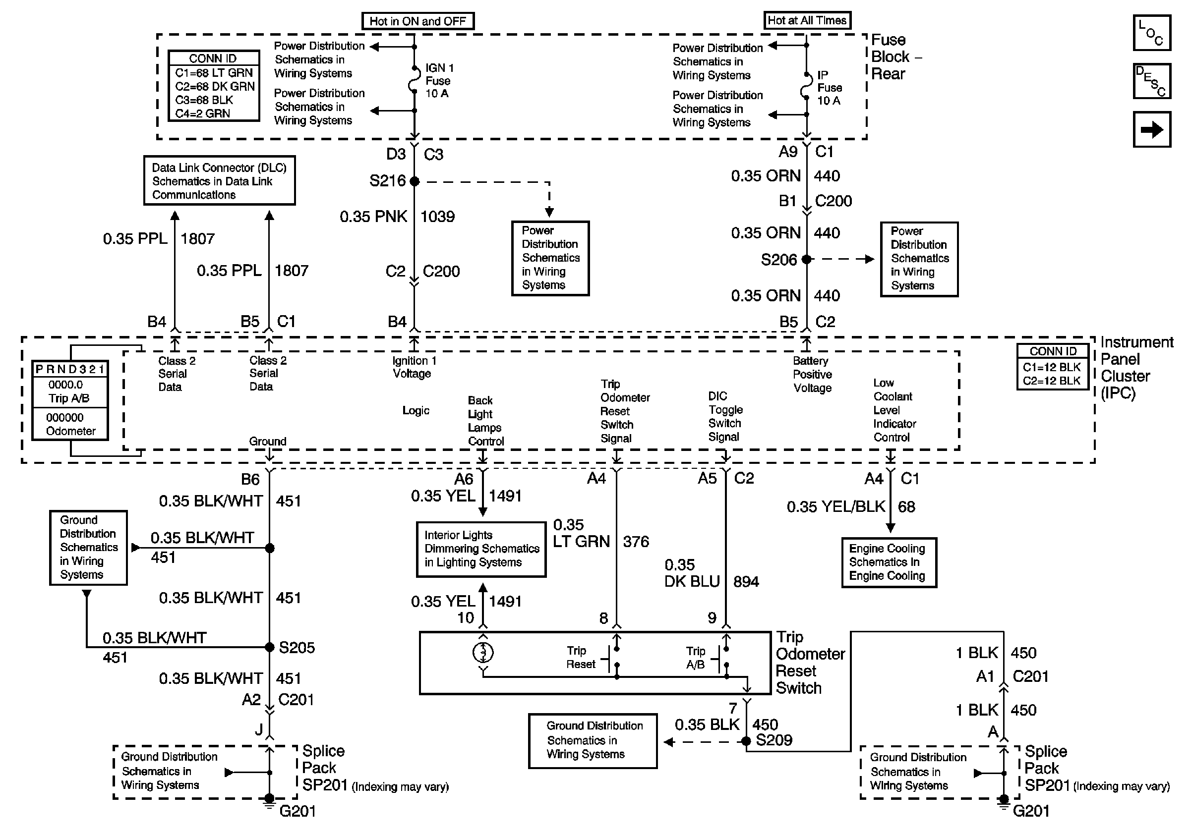
Master Electrical Component List
Instrument Cluster Description and Operation
Gages
Battery Feed to the Fuse Block-Rear
IGN-1, VENT SOL, SIR Fuses and IGN 1 Relay (Fuse Block-Rear)
Battery Feed to the Fuse Block-Rear
HVAC BLO, AUDIO, IP Fuses (Fuse Block-Rear)
IGN-1, VENT SOL, SIR Fuses and IGN 1 Relay (Fuse Block-Rear)
HVAC BLO, AUDIO, IP Fuses (Fuse Block-Rear)
G201 (2 of 2)
G201 (2 of 2)
Instrument Panel/Console Dimming
G201 (1 of 2)
G201 (1 of 2)
Serial Data Class 2
Generator Controls and Battery