GM Service Manual Online
For 1990-2009 cars only
Makes
🢒
Oldsmobile
🢒
1998
🢒
Intrigue
🢒
HVAC
🢒
HVAC Systems - Manual
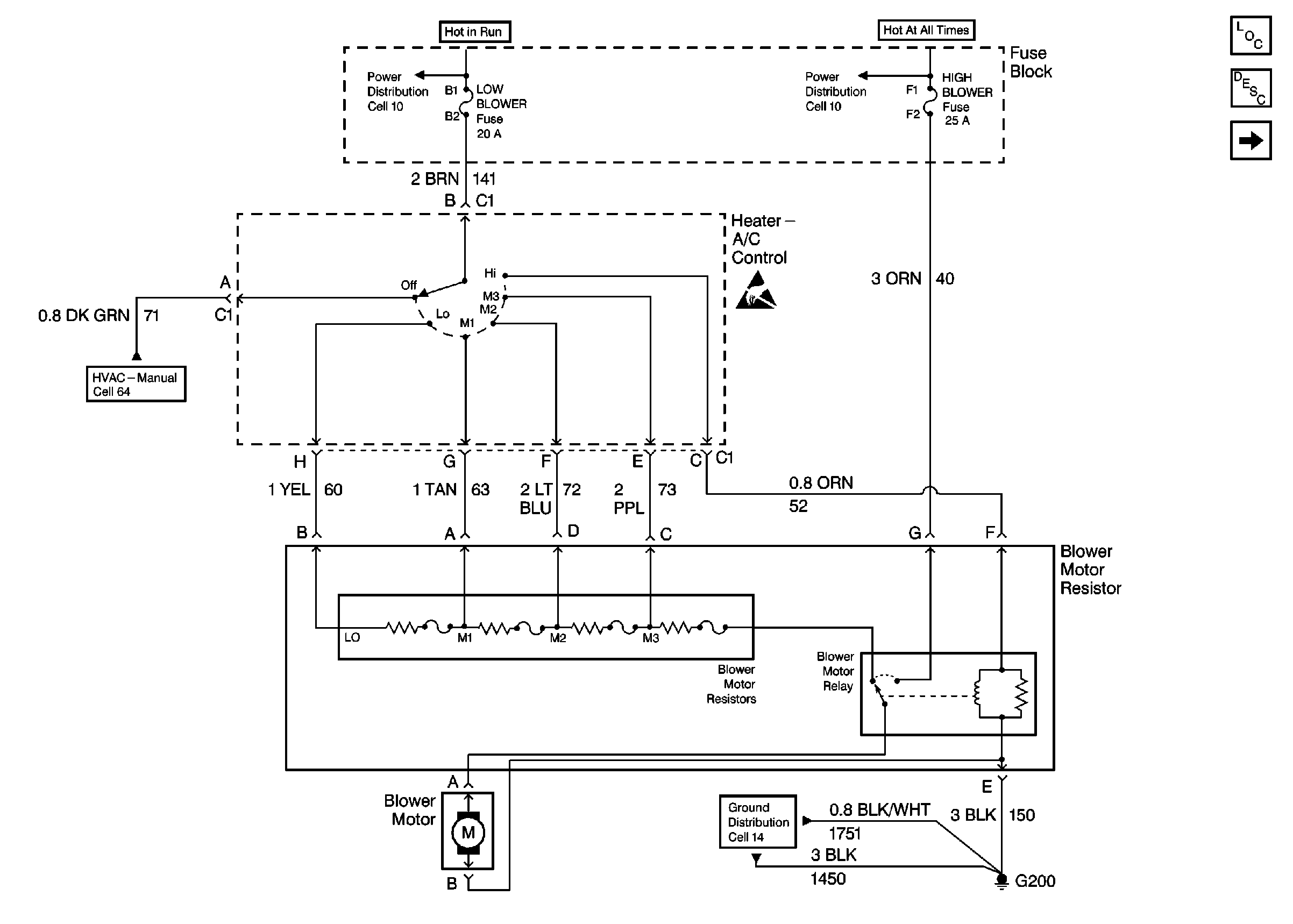
🢒 HVAC Blower Control Schematics
Cell 63
HVAC Components
HVAC Blower Controls Circuit Description
Cell 64
Handling Electrostatic Discharge Sensitive Parts Notice
Power Distribution Schematics
Power Distribution Schematics
Cell 65: Heater A/C Control and LH Electric Actuator
Ground Distribution Schematics