GM Service Manual Online
For 1990-2009 cars only
Makes
🢒
Oldsmobile
🢒
2000
🢒
Intrigue
🢒 Cell 34: Power, Ground, Steering Wheel Control and Stop Lamp Switch
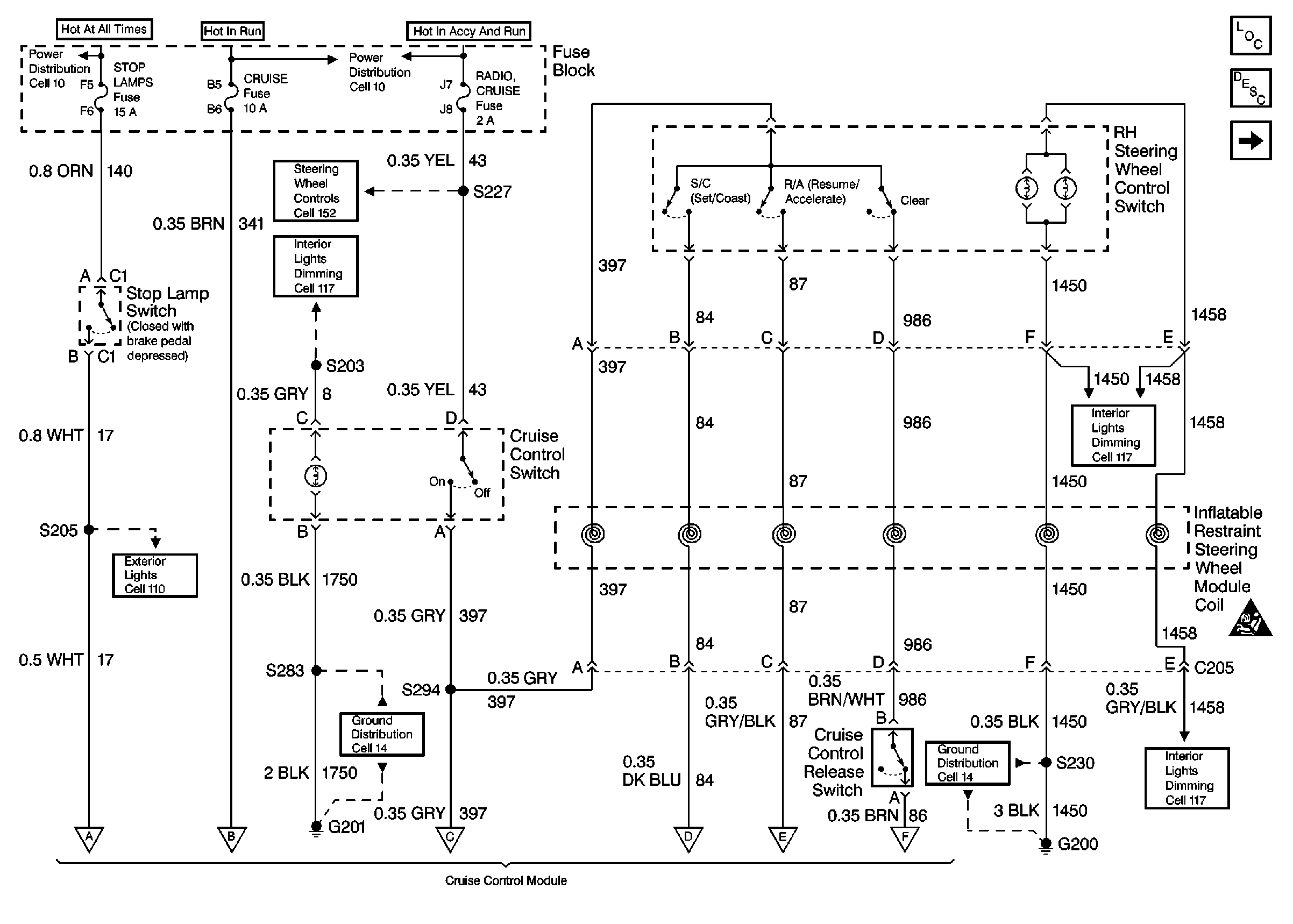
Cell 34: Power, Ground, Steering Wheel Control and Stop Lamp Switch
Cell 34: Power, Ground, Steering Wheel Control and Stop Lamp Switch
Cruise Control Components
Cruise Control System Circuit Description
Cell 34: PCM, Instrument Cluster and Ground
Cell 10: DOOR LOCKS, HAZARD, HIGH BLOWER, POWER MIRRORS, and STOP LAMPS Fuses
Cell 10: CRUISE, HVAC, and LOW BLOWER Fuses
Cell 152
Cell 117: Power, Instrument Cluster, Headlamp Switch, Steering Wheel Control Switch,
Cell 110: Power, Stop Lamp Switch, Stop Lamps, CHMSL Lamps
Cell 14: LH IP Ground G201
Cell 14: RH IP Ground G200
Cell 117: Power, Instrument Cluster, Headlamp Switch, Steering Wheel Control Switch,
SIR Handling Caution
Cell 117: Power, Instrument Cluster, Headlamp Switch, Steering Wheel Control Switch,
Cell 34: PCM, Instrument Cluster and Ground
Cell 34: PCM, Instrument Cluster and Ground
Cell 34: PCM, Instrument Cluster and Ground
Cell 34: PCM, Instrument Cluster and Ground
Cell 34: PCM, Instrument Cluster and Ground
Cell 34: PCM, Instrument Cluster and Ground