GM Service Manual Online
For 1990-2009 cars only
Makes
🢒
Oldsmobile
🢒
2000
🢒
Intrigue
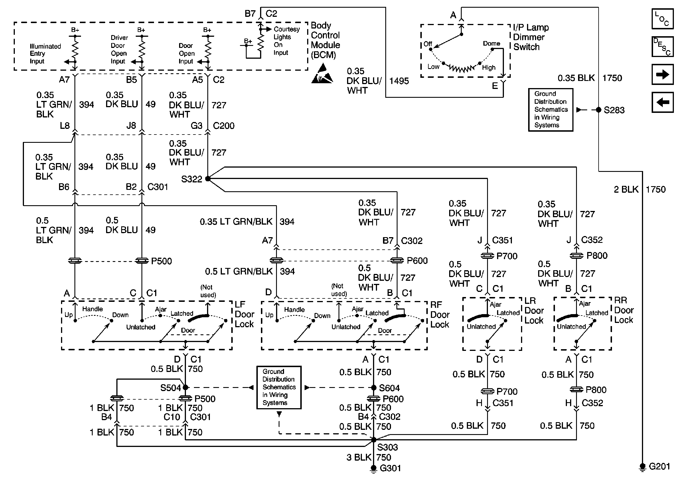
🢒 Interior Lights Schematic 2 of 4
Interior Lights Schematic 2 of 4
BCM, Door Locks and I/P Dimmer Switch
Handling ESD Sensitive Parts Notice
Ground G301 1 of 3
Ground G201
Lighting Systems Components
Interior Lights Circuit Description
BCM, I/P Compartment Lamp Switch Lamp, Rear Compartment and I/P Courtesy Lamps
Interior Lights Schematic 1 of 4