GM Service Manual Online
For 1990-2009 cars only
Makes
🢒
Oldsmobile
🢒
2000
🢒
Intrigue
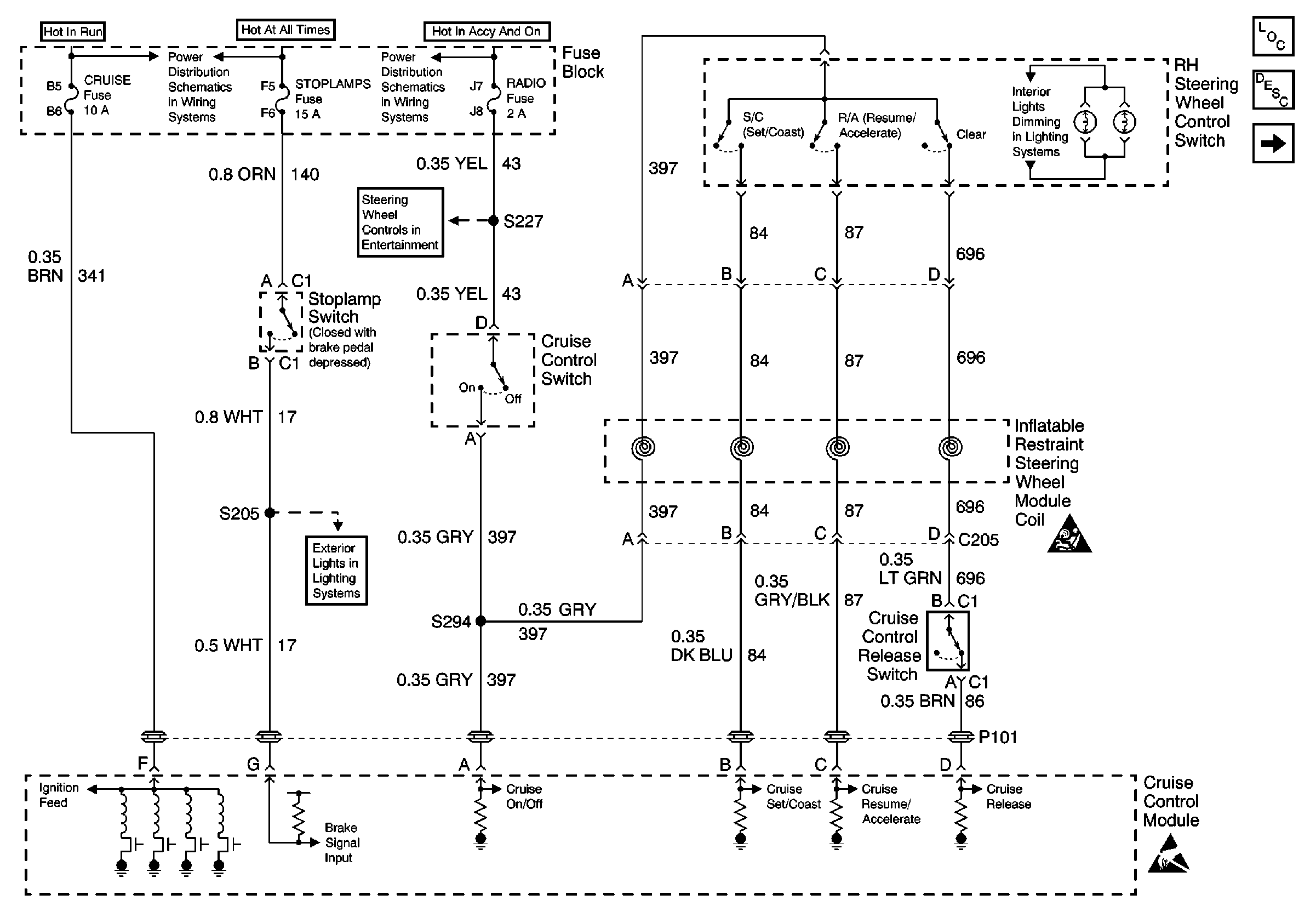
🢒 Power, Ground, Stoplamp Switch, Cruise Control Switch and Cruise Release Switch
Power, Ground, Stoplamp Switch, Cruise Control Switch and Cruise Release Switch
Power, Ground, Stoplamp Switch, Cruise Control Switch and Cruise Release Switch
Cruise Control Components
Cruise Control System Circuit Description
Cell 34: PCM, Instrument Cluster and Ground
Cell 10: DOOR LOCKS, HAZARD, HIGH BLOWER, POWER MIRRORS, and STOP LAMPS Fuses
Cell 10: CRUISE, HVAC, and LOW BLOWER Fuses
Cell 152
Cell 117: Power, Instrument Cluster, Headlamp Switch, Steering Wheel Control Switch,
Cell 110: Power, Stop Lamp Switch, Stop Lamps, CHMSL Lamps
Cell 14: LH IP Ground G201
Cell 14: RH IP Ground G200
Cell 117: Power, Instrument Cluster, Headlamp Switch, Steering Wheel Control Switch,
SIR Handling Caution
Cell 117: Power, Instrument Cluster, Headlamp Switch, Steering Wheel Control Switch,
Cell 34: PCM, Instrument Cluster and Ground
Cell 34: PCM, Instrument Cluster and Ground
Cell 34: PCM, Instrument Cluster and Ground
Cell 34: PCM, Instrument Cluster and Ground
Cell 34: PCM, Instrument Cluster and Ground
Cell 34: PCM, Instrument Cluster and Ground