GM Service Manual Online
For 1990-2009 cars only
Makes
🢒
Oldsmobile
🢒
2001
🢒
Intrigue
🢒
Restraints
🢒
Seat Belts
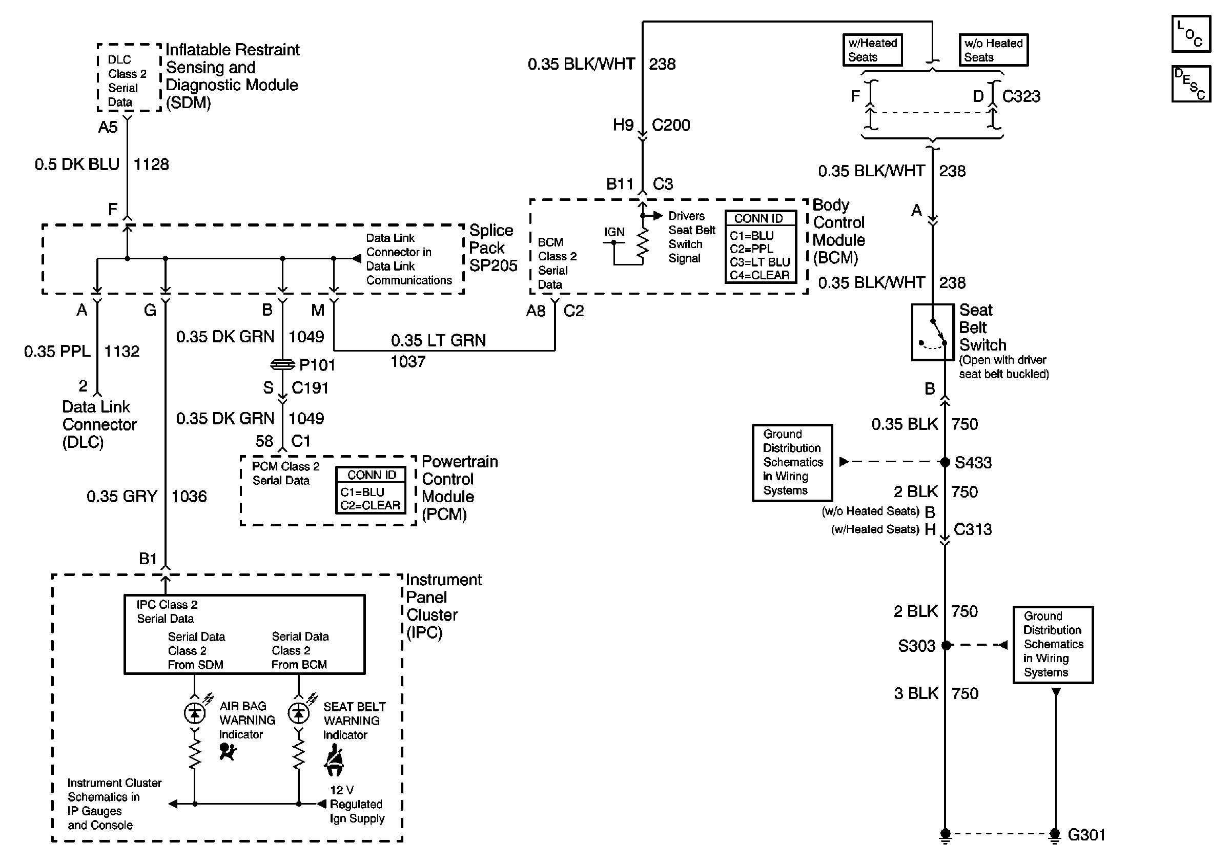
🢒 Seat Belt Schematics
Master Electrical Component List original
Seat Belt System Description and Operation
01 W-Car Olds: Data LInk Communications (Data LInk Connector)
Illumination Lamps, and Indicators,
Ground G301 (2 of 3)
Ground G301 (1 of 3)