GM Service Manual Online
For 1990-2009 cars only
Makes
🢒
Oldsmobile
🢒
2001
🢒
Intrigue
🢒
Body and Accessories
🢒
Entertainment
🢒 Radio/Audio System Schematics
Figure
1:
Power and Ground
Master Electrical Component List original
Radio/Audio System Description and Operation
Speakers UQ3
INADV POWER BUS/RAP, BCM, RADIO/HVAC/RFA/CLUSTER/DATA LINK, CIGAR LTR/AUXPOWER/POWER DROP Fuses and RAP Relay
IGN 1, PWR Windows/PWR Sunroof, Radio/Cruise, Power Drop and Wiper Fuses
IGN 1, PWR Windows/PWR Sunroof, Radio/Cruise, Power Drop and Wiper Fuses
INADV POWER BUS/RAP, BCM, RADIO/HVAC/RFA/CLUSTER/DATA LINK, CIGAR LTR/AUXPOWER/POWER DROP Fuses and RAP Relay
I/P Lamp Dimmer Switch
Ground G203
Ground G203
Ground G203
Steering Wheel Controls
Figure
2:
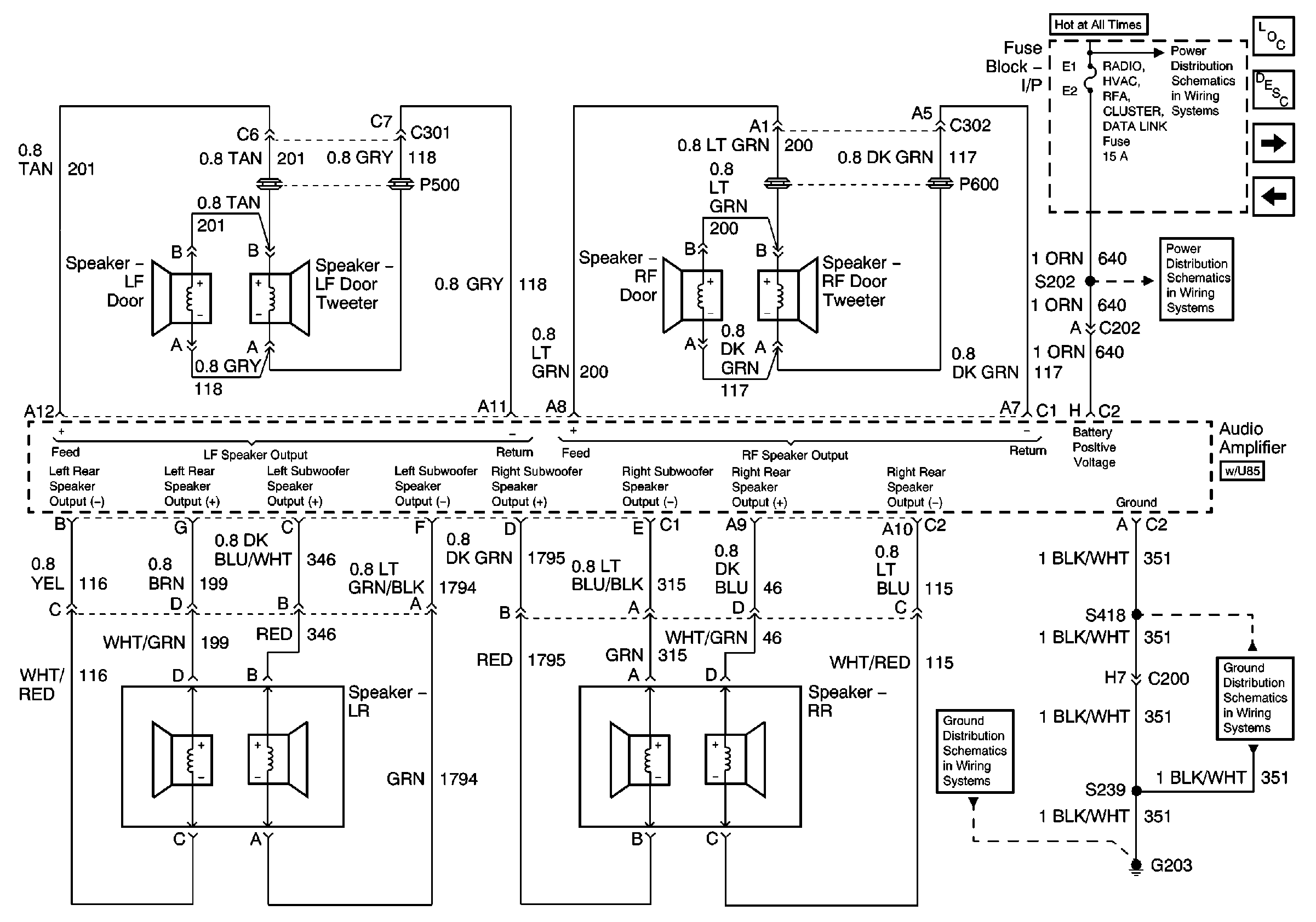
Speakers UQ3
Master Electrical Component List original
Radio/Audio System Description and Operation
Speakers U85
Power and Ground
Figure
3:
Speakers U85
Master Electrical Component List original
Radio/Audio System Description and Operation
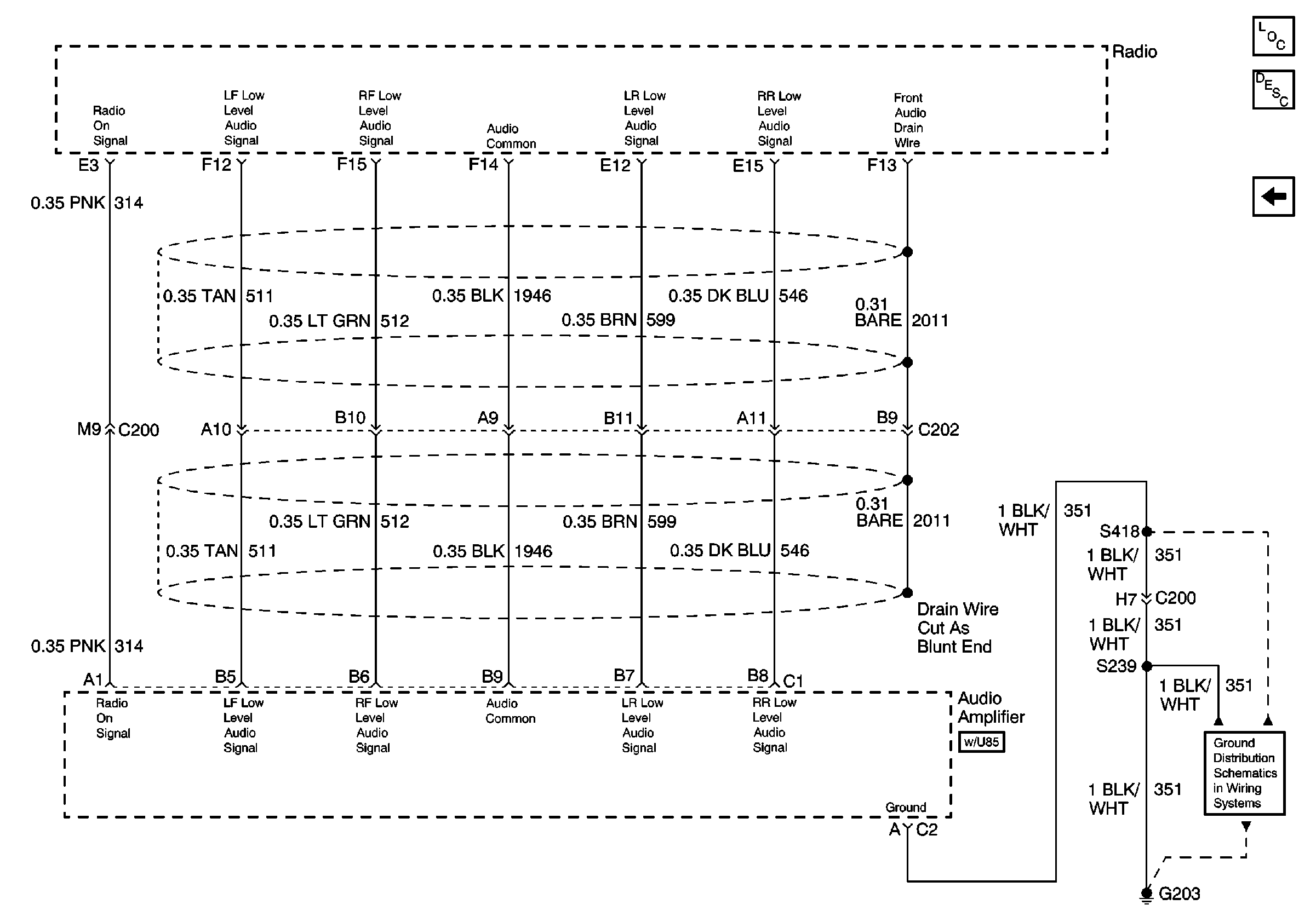
Low Frequency Audio Amplifier
Speakers UQ3
INADV POWER BUS/RAP, BCM, RADIO/HVAC/RFA/CLUSTER/DATA LINK, CIGAR LTR/AUXPOWER/POWER DROP Fuses and RAP Relay
INADV POWER BUS/RAP, BCM, RADIO/HVAC/RFA/CLUSTER/DATA LINK, CIGAR LTR/AUXPOWER/POWER DROP Fuses and RAP Relay
Ground G203
Ground G203
Figure
4:
Low Frequency Audio Amplifier
Master Electrical Component List original
Radio/Audio System Description and Operation
Speakers U85
Ground G203