GM Service Manual Online
For 1990-2009 cars only
Makes
🢒
Oldsmobile
🢒
2001
🢒
Intrigue
🢒 Headlamps, Headlamp Switch and High Beam Indicator
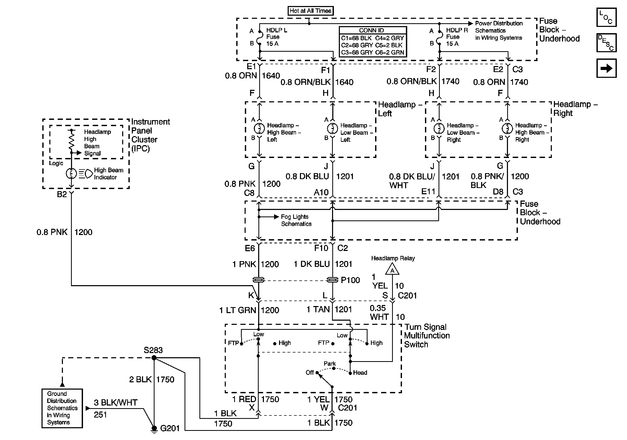
Headlamps, Headlamp Switch and High Beam Indicator
Headlamps, Headlamp Switch and High Beam Indicator
Master Electrical Component List original
Exterior Lighting Systems Description and Operation
Daytime Running Lights and Headlamp Relay
Battery, MaxiFuses, Fusible Link, CRANK, FOG, A/C CLU, R/CMPT, R/PMP, HORN, and IGN Main Relays
INADV POWER BUS/RAP, BCM, RADIO/HVAC/RFA/CLUSTER/DATA LINK, CIGAR LTR/AUXPOWER/POWER DROP Fuses and RAP Relay
01 W-Car Olds: Lighting Systems (Fog Lamp Power Feed)
Ground G201