GM Service Manual Online
For 1990-2009 cars only
Makes
🢒
Oldsmobile
🢒
2001
🢒
Intrigue
🢒 Daytime Running Lights and Headlamp Relay
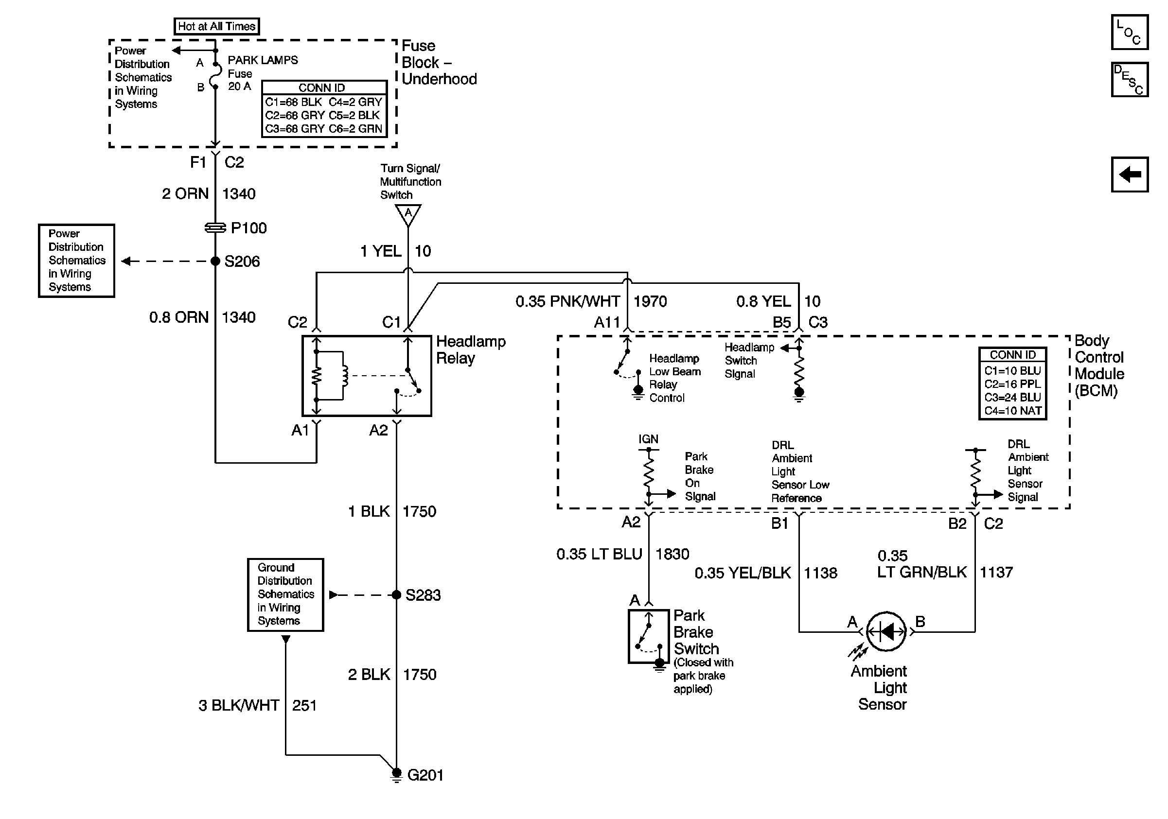
Daytime Running Lights and Headlamp Relay
Daytime Running Lights and Headlamp Relay
Master Electrical Component List original
Exterior Lighting Systems Description and Operation
Headlamps, Headlamp Switch and High Beam Indicator
Battery, MaxiFuses, Fusible Link, CRANK, FOG, A/C CLU, R/CMPT, R/PMP, HORN, and IGN Main Relays
Park Lamps, Front Park Lamps, Tail Lamps/Lic Lamps, Panel Dimming Fuses, Headlamp Switch, Headlamp and Parklamp Relays
Ground G201