GM Service Manual Online
For 1990-2009 cars only
Makes
🢒
Oldsmobile
🢒
2002
🢒
Intrigue
🢒
Body and Accessories
🢒
Instrument Panel, Gages, and Console
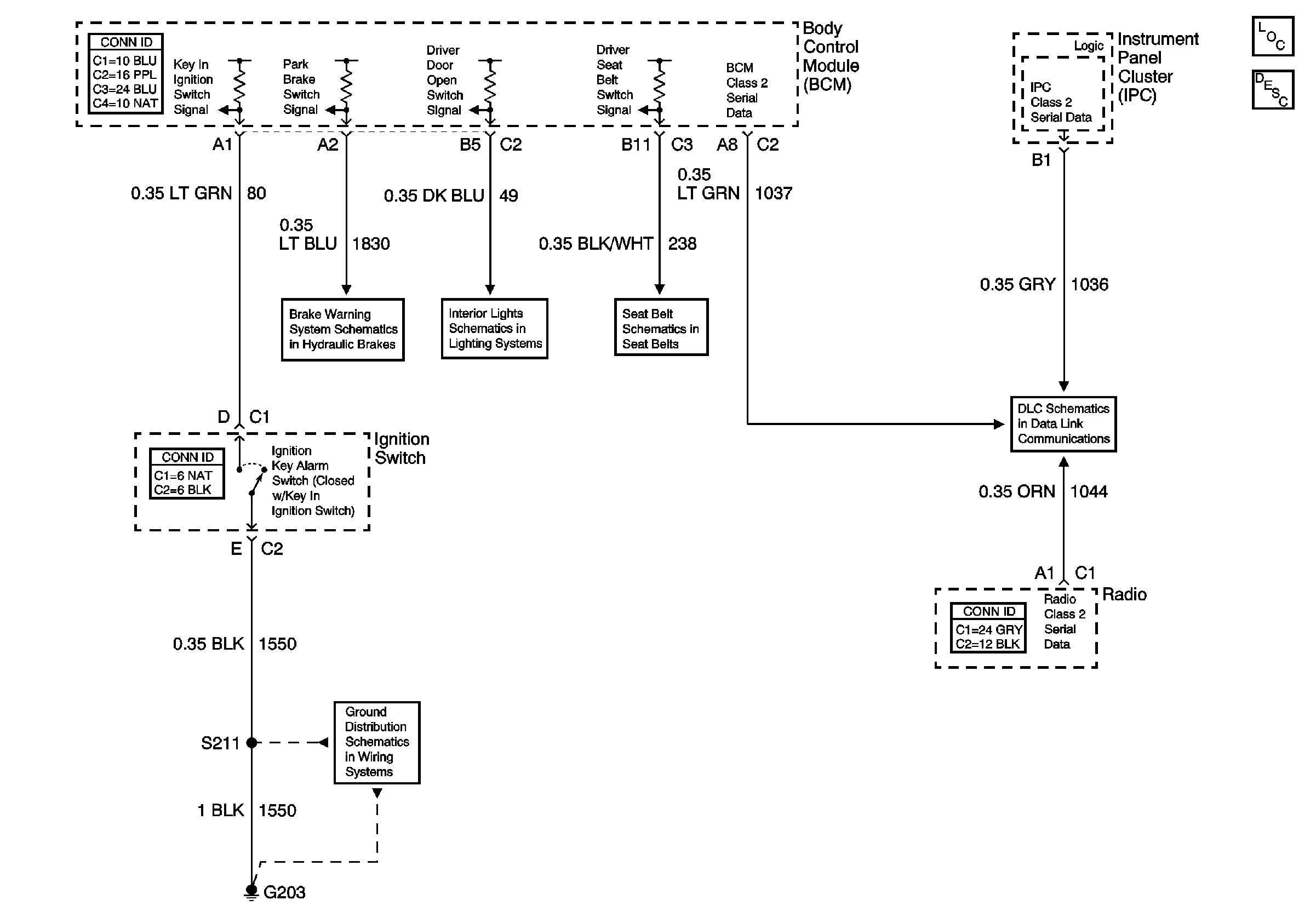
🢒 Audible Warnings Schematics
Master Electrical Component List
Audible Warnings Description and Operation
Park Brake On, and Brake Fulid Level Signals
Door Open Switches
Power, Ground, and Seat Belt Switch
Fog LP-LF, Fog LP-RF, Fog LP Relay, Fog Lamp Switch
G203