GM Service Manual Online
For 1990-2009 cars only

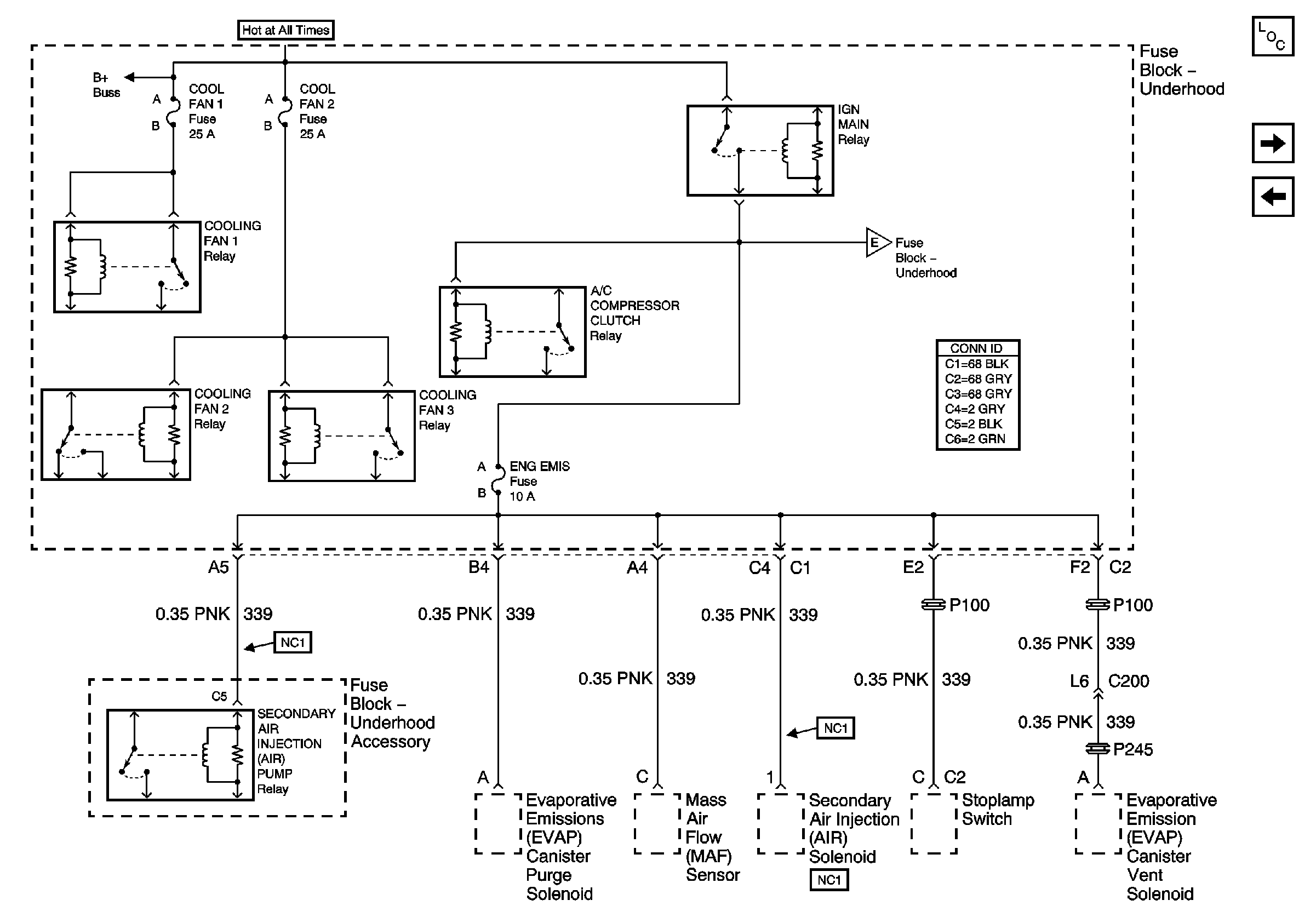
A/C COMPRESSOR CLUTCH, IGN MAIN, COOLING FAN 1, COOLING FAN 2, and COOLING FAN 3 Relays, COOL FAN 1, and COOL FAN 2, Fuses,

A/C COMPRESSOR CLUTCH, IGN MAIN, COOLING FAN 1, COOLING FAN 2, and COOLING FAN 3 Relays, COOL FAN 1, and COOL FAN 2 Fuses


Object Number: 784960  Size: FS
Master Electrical Component List
TRANS, ABS, and OXY SEN Fuses
FRONT PARK LAMPS, TAIL LAMPS/LIC LAMPS, and PANEL DIMMING Fuses (3of 3)
Fuse Block-Underhood Bussing (1 of 2)
TRANS, ABS, and OXY SEN Fuses