GM Service Manual Online
For 1990-2009 cars only
Makes
🢒
Oldsmobile
🢒
2002
🢒
Intrigue
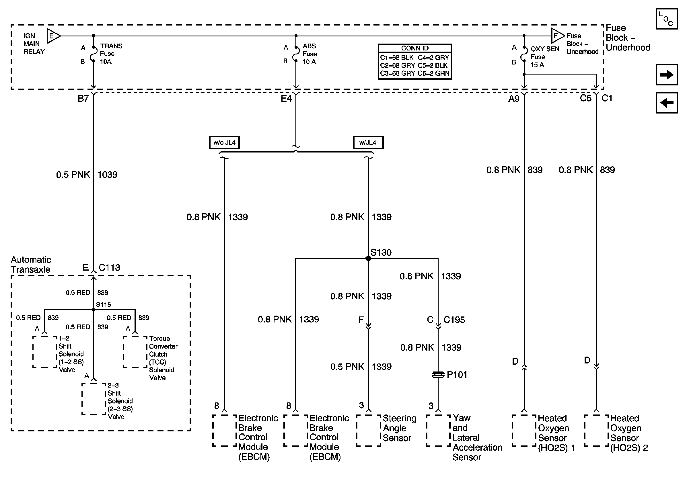
🢒 TRANS, ABS, and OXY SEN Fuses
TRANS, ABS, and OXY SEN Fuses
TRANS, ABS, and OXY SEN Fuses
Master Electrical Component List
F/INJR Fuses
A/C COMPRESSOR CLUTCH, IGN MAIN, COOLING FAN 1, COOLING FAN 2, and COOLING FAN 3 Relays, COOL FAN 1, and COOL FAN 2, Fuses,
A/C COMPRESSOR CLUTCH, IGN MAIN, COOLING FAN 1, COOLING FAN 2, and COOLING FAN 3 Relays, COOL FAN 1, and COOL FAN 2, Fuses,
F/INJR Fuses