GM Service Manual Online
For 1990-2009 cars only
Makes
🢒
Oldsmobile
🢒
2002
🢒
Intrigue
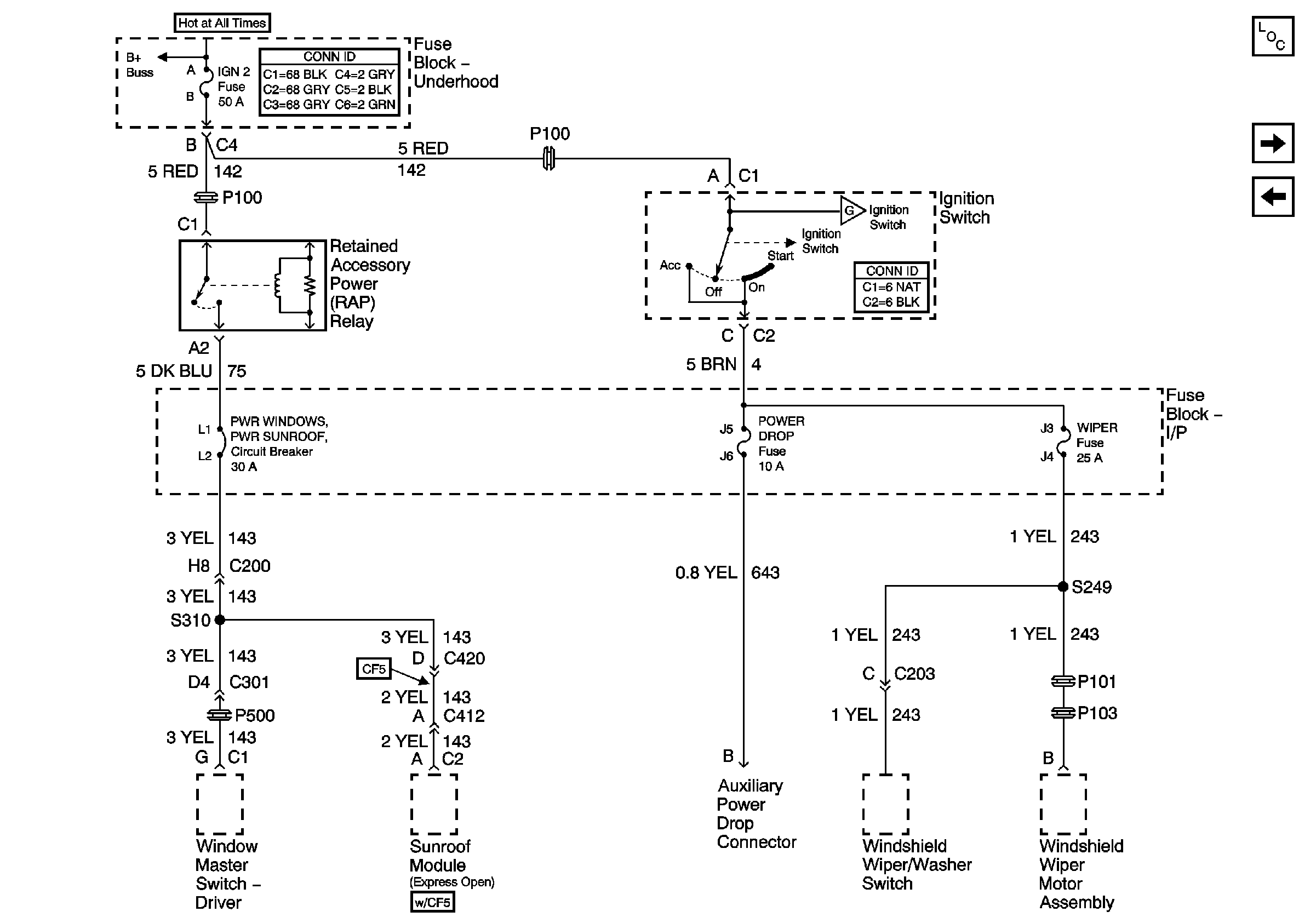
🢒 POWER DROP, and WIPER Fuses, PWR WINDOWS/PWR SUNROOF Circuit Breakers
POWER DROP, and WIPER Fuses, PWR WINDOWS/PWR SUNROOF Circuit Breakers
POWER DROP, and WIPER Fuses, PWR WINDOWS/PWR SUNROOF Circuit Breakers
Master Electrical Component List
BTSI, TURN SIGNALS/CORN LPS, AIR BAG, CLUSTER, and PCM/BCM/U H RELAY Fuses
F/INJR Fuses
Fuse Block-Underhood Bussing (1 of 2)
BTSI, TURN SIGNALS/CORN LPS, AIR BAG, CLUSTER, and PCM/BCM/U H RELAY Fuses