GM Service Manual Online
For 1990-2009 cars only
Makes
🢒
Oldsmobile
🢒
2002
🢒
Intrigue
🢒 Temperature Controls
Temperature Controls
Temperature Controls
Master Electrical Component List
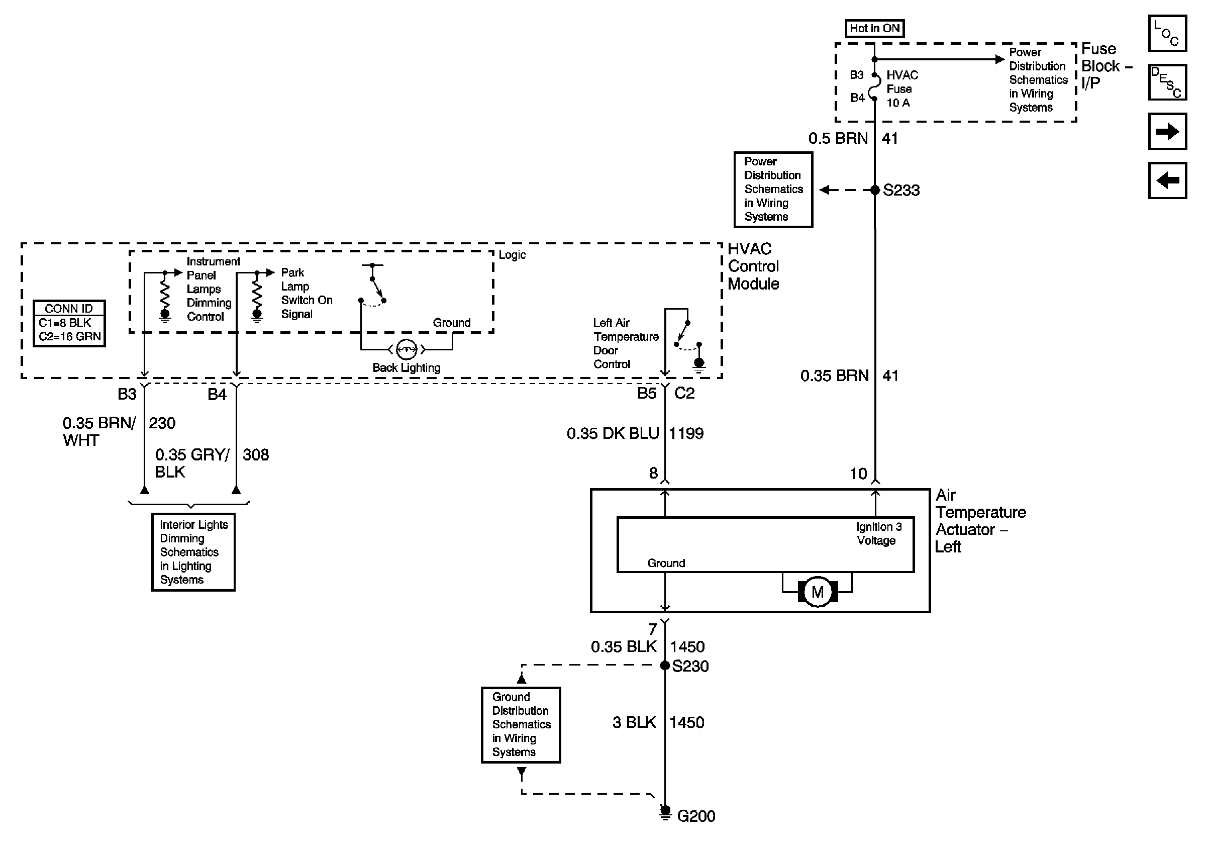
Air Temperature Description and Operation
Air Delivery Controls
Power, Grounds, and Blower Controls
CRUISE SWITCH, LOW BLOWER, CRUISE, and HVAC Fuses
CRUISE SWITCH, LOW BLOWER, CRUISE, and HVAC Fuses
Dimming Control, IPC, HVAC, and Radio
G200