GM Service Manual Online
For 1990-2009 cars only
Makes
🢒
Oldsmobile
🢒
2002
🢒
Intrigue
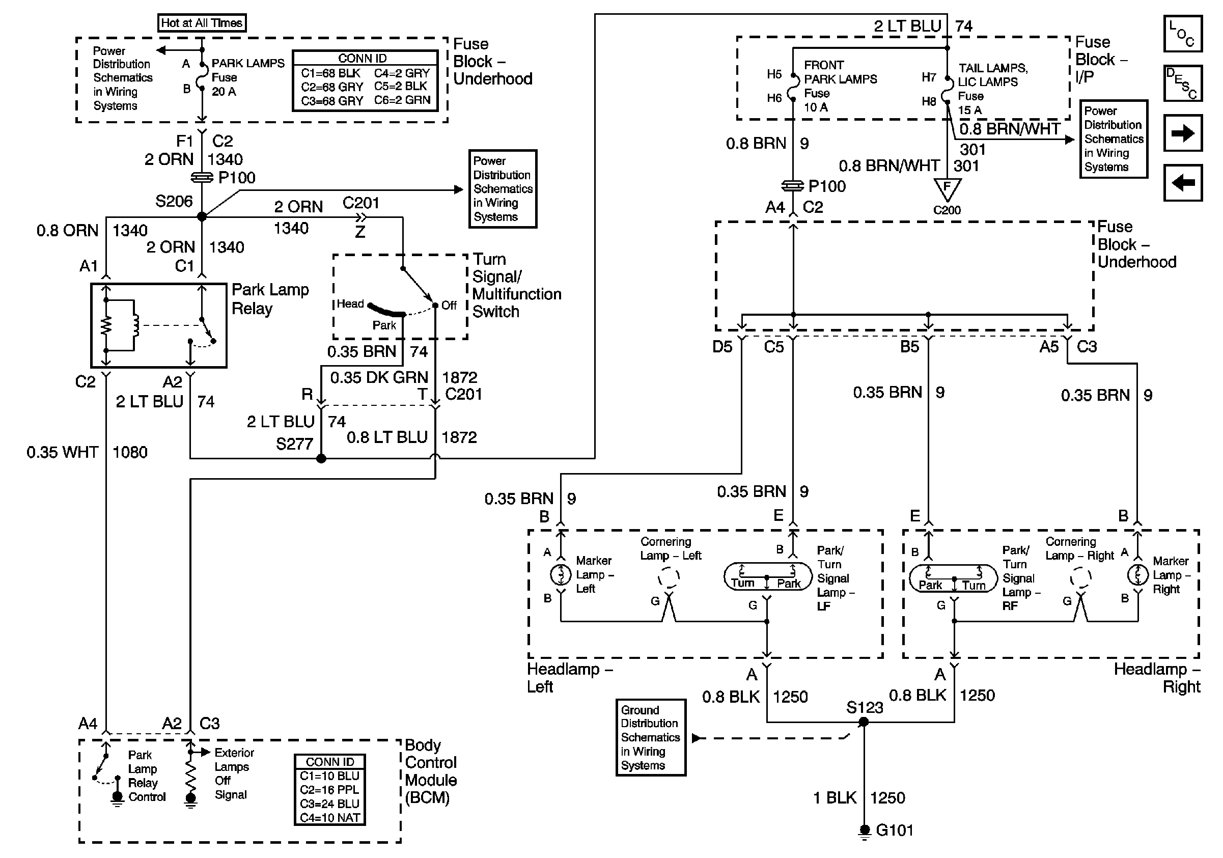
🢒 Park Lamps-Front
Park Lamps-Front
Park Lamps-Front
Master Electrical Component List
Exterior Lighting Systems Description and Operation
Park Lamps-Rear
Turn Signal Lamps-Front
Fuse Block-Underhood Bussing (1 of 2)
FRONT PARK LAMPS, TAIL LAMPS/LIC LAMPS, and PANEL DIMMING Fuses (1of 3)
Park Lamps-Rear
FRONT PARK LAMPS, TAIL LAMPS/LIC LAMPS, and PANEL DIMMING Fuses (1of 3)
G100, G101, G110