GM Service Manual Online
For 1990-2009 cars only
Makes
🢒
Oldsmobile
🢒
1998
🢒
LSS
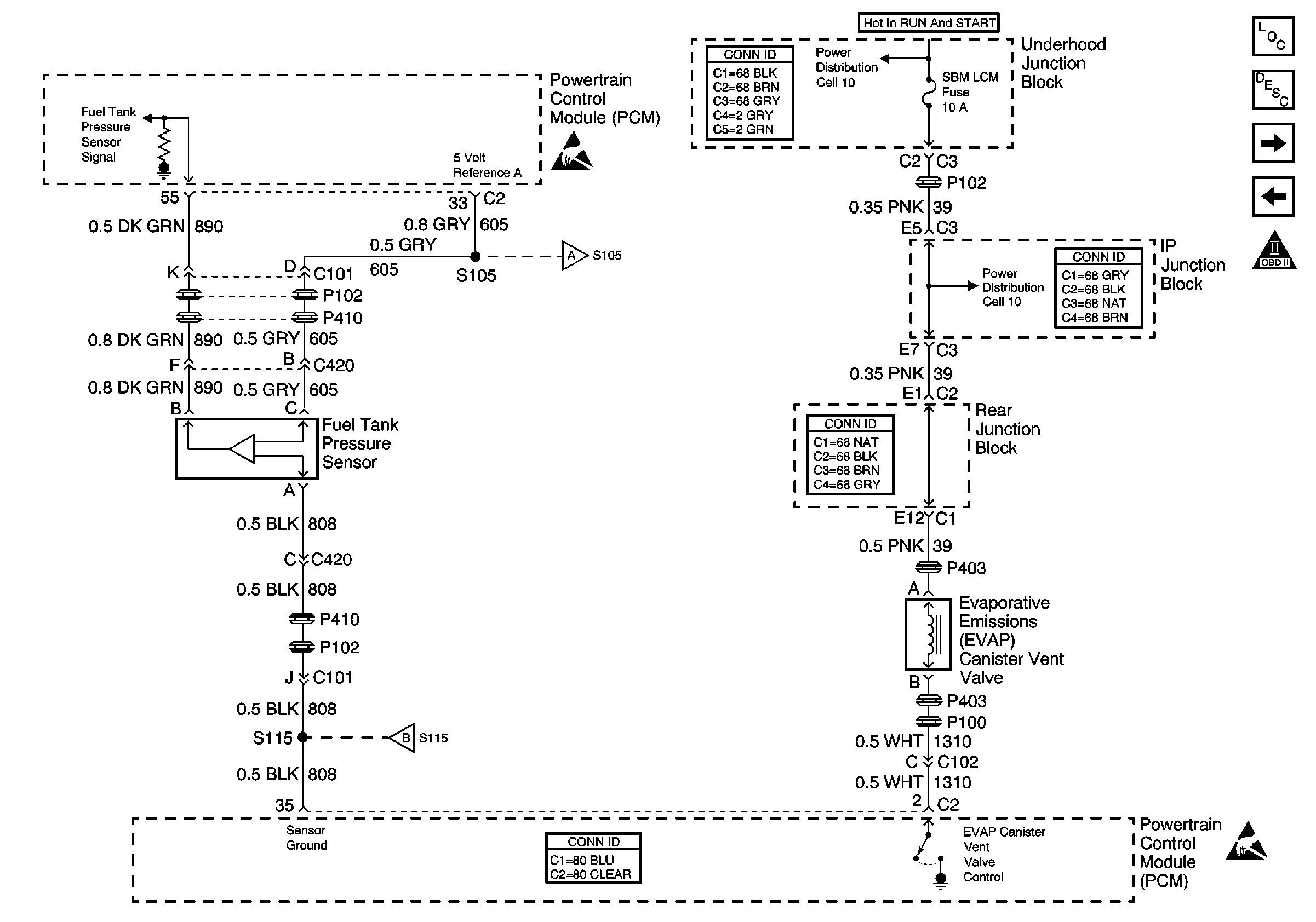
🢒 Cell 20: Engine Controls - PCM Fuel Tank Pressure Sensor, EVAP Canister Vent Solenoid
Cell 20: Engine Controls - PCM Fuel Tank Pressure Sensor, EVAP Canister Vent Solenoid
Cell 20: Engine Controls -- PCM Fuel Tank Pressure Sensor, EVAP Canister Vent Solenoid
Engine Controls Components
Powertrain Control Module Description
Cell 20: Engine Controls - PCM Fuel Control - VIN K
Cell 20: Engine Controls - PCM Fuel and Boost Solenoid Control - VIN 1
OBD II Symbol Description Notice
Handling ESD Sensitive Parts Notice
Handling ESD Sensitive Parts Notice
Power and Grounding Connector End Views
Power and Grounding Connector End Views
Power and Grounding Connector End Views
Powertrain Control Module Connector End Views
Power Distribution Schematics
Cell 20: Engine Controls - PCM A/C Pressure, Oil Pressure, TP, MAP, IAT, and ECT Sensors
Cell 20: Engine Controls - PCM A/C Pressure, Oil Pressure, TP, MAP, IAT, and ECT Sensors