GM Service Manual Online
For 1990-2009 cars only
Makes
🢒
Oldsmobile
🢒
1998
🢒
LSS
🢒 Cell 20: Engine Controls - PCM Ignition Control
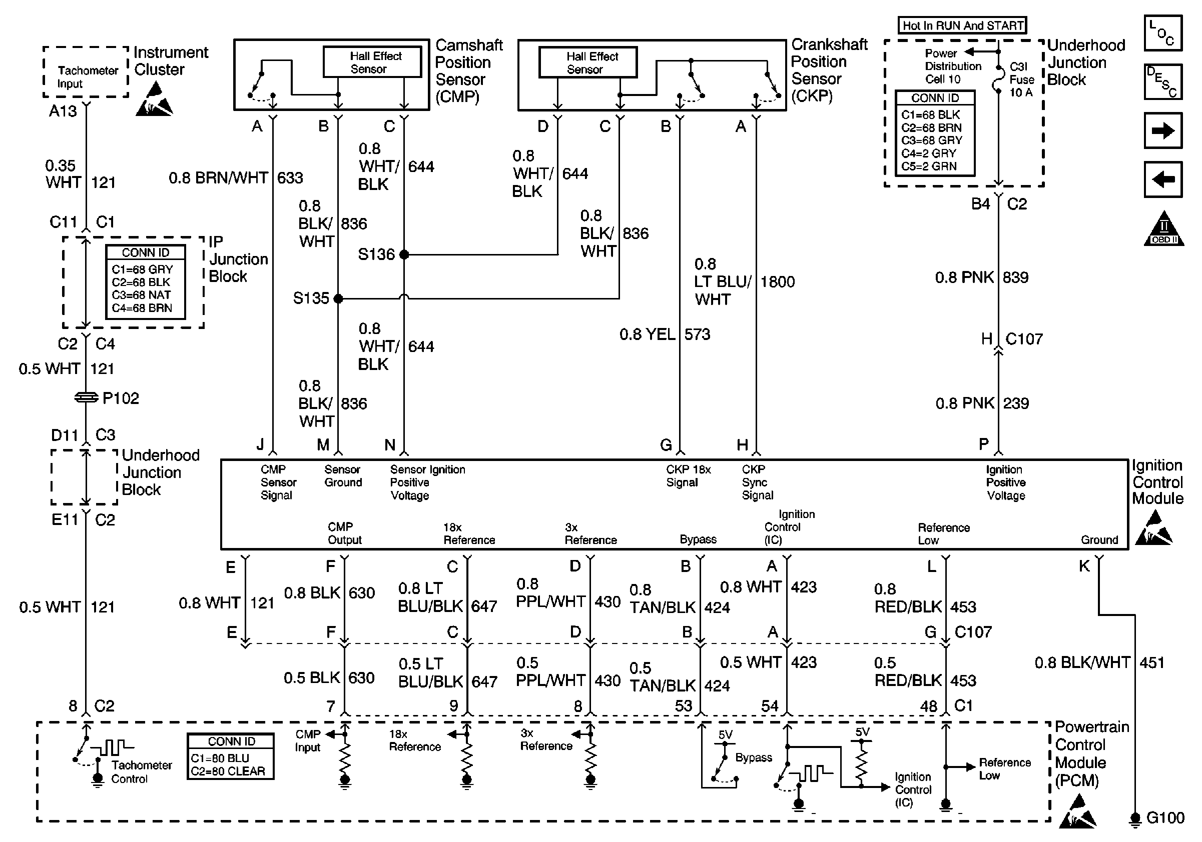
Cell 20: Engine Controls - PCM Ignition Control
Cell 20: Engine Controls -- PCM Ignition Control
Engine Controls Components
Powertrain Control Module Description
Cell 20: Engine Controls - PCM Fuel Injector Control
Cell 20: Engine Controls - PCM Fuel Control - VIN K
OBD II Symbol Description Notice
Handling ESD Sensitive Parts Notice
Power Distribution Schematics
Handling ESD Sensitive Parts Notice
Handling ESD Sensitive Parts Notice
Power and Grounding Connector End Views
Power and Grounding Connector End Views
Powertrain Control Module Connector End Views