GM Service Manual Online
For 1990-2009 cars only
Makes
🢒
Opel
🢒
2008
🢒
Antara
🢒
Safety and Security
🢒
Immobilizer
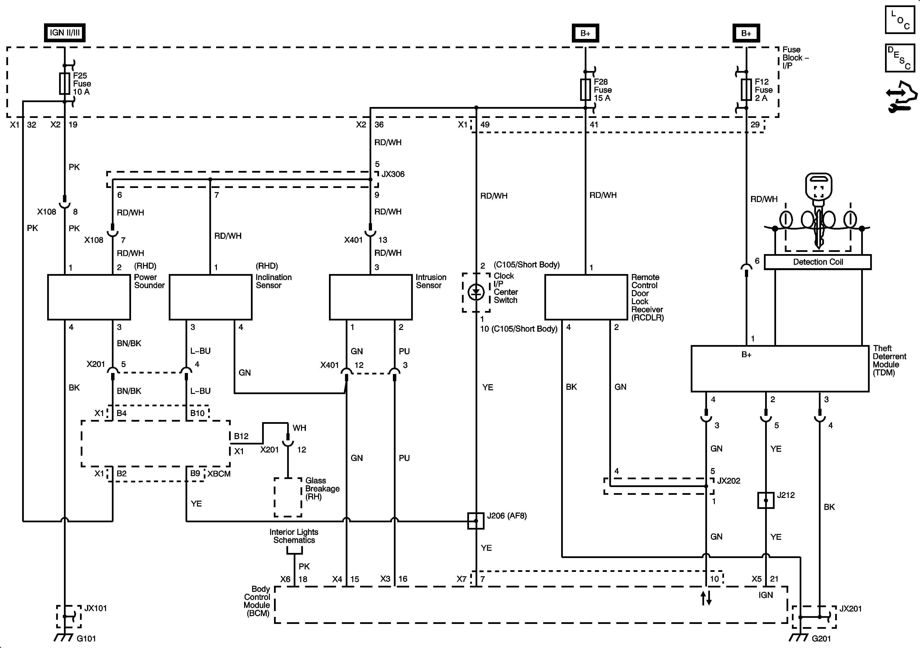
🢒 Immobilizer Schematics
Master Electrical Component List
Immobilizer Description and Operation
Control Module References
EF7, F6, 8, 9, 13, 17, 20, 25, 27, 29 Fuses, Run/Crank, Rear Fog Lamps, Outside Rearview Mirror, liftgate Glass Relays
EF7, F6, 8, 9, 13, 17, 20, 25, 27, 29 Fuses, Run/Crank, Rear Fog Lamps, Outside Rearview Mirror, liftgate Glass Relays
F3, 5, 28, 32, 34 Fuses
F3, 5, 28, 32, 34 Fuses
EF2, F11, 12, 14, 16, 19, 24, 26, 31 35 Fuses
EF2, F11, 12, 14, 16, 19, 24, 26, 31 35 Fuses
G101, G103, G105
G201 (1 of 2)