GM Service Manual Online
For 1990-2009 cars only
Figure 1:

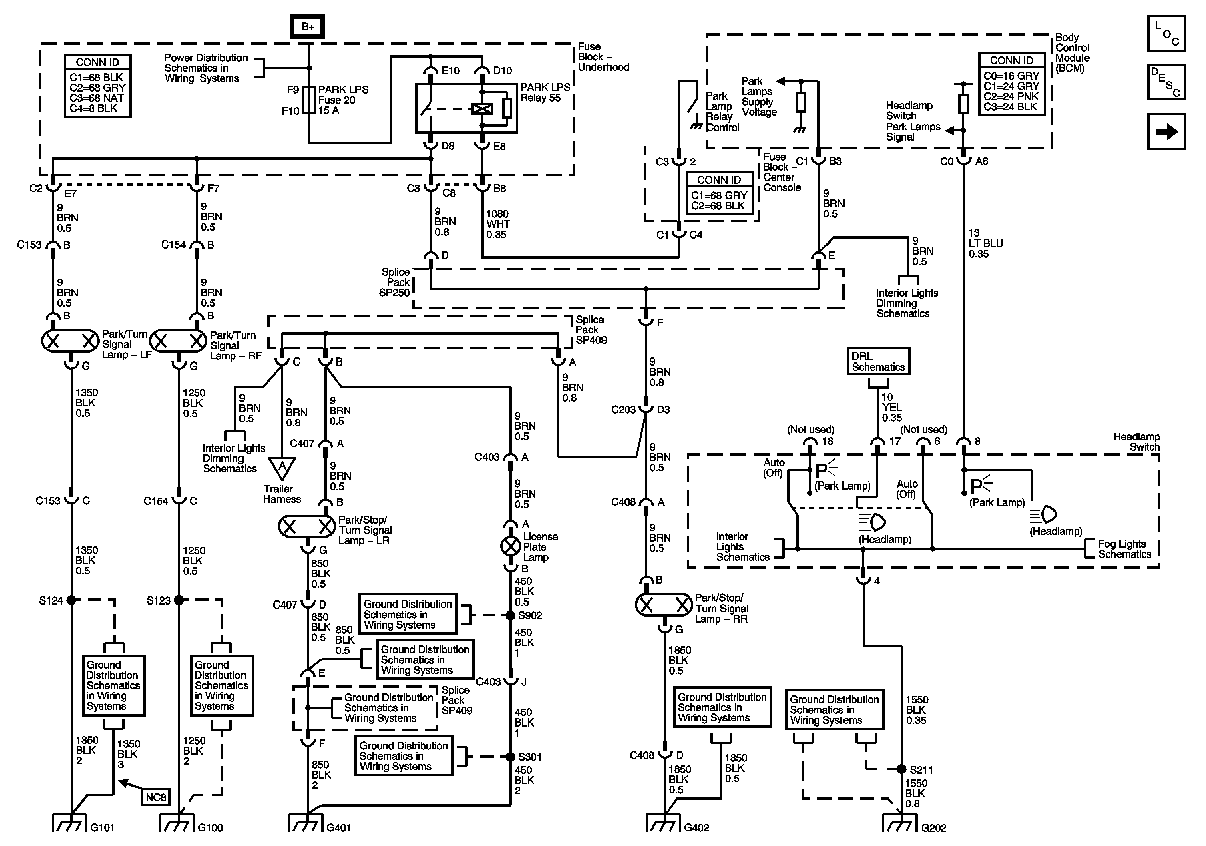
Parklamps


Object Number: 628830  Size: FS
Master Electrical Component List
Exterior Lighting Systems Description and Operation
Turn Signal/Hazard Control
Fuse Block-underhood Buss
Instrument Cluster, Radio, Heater A/C Control
Ground G101
Ground G101
Ground G100
Ground G100
G401, G402 and G403
G401, G402 and G403
G401, G402 and G403
G401, G402 and G403
Foglamps
Ground G201
Ground G201
Figure 2:

Turn Signal/Hazzard Control


Object Number: 798710  Size: FS
Master Electrical Component List
Exterior Lighting Systems Description and Operation
Hazard Flasher, Tailamps, Park/Turn Lamps
Parklamp Relay, Headlamp Switch,
Fuse Block-Underhood Fuses: 27, 31 and 33 Fuse Block-Center Console Fuse: TURN SIG
Fuse Block-Underhood Fuses: 27, 31 and 33 Fuse Block-Center Console Fuse: TURN SIG
Fuse Block-Underhood Fuse: 48 Fuse Block-Center Console Fuses: BCM LHZD FL HUD RADIO RD AMP and IP MDL
Ground G201
Ground G201
Ground G200 (2 of 2)
Ground G200 (2 of 2)
Ground G200 (2 of 2)
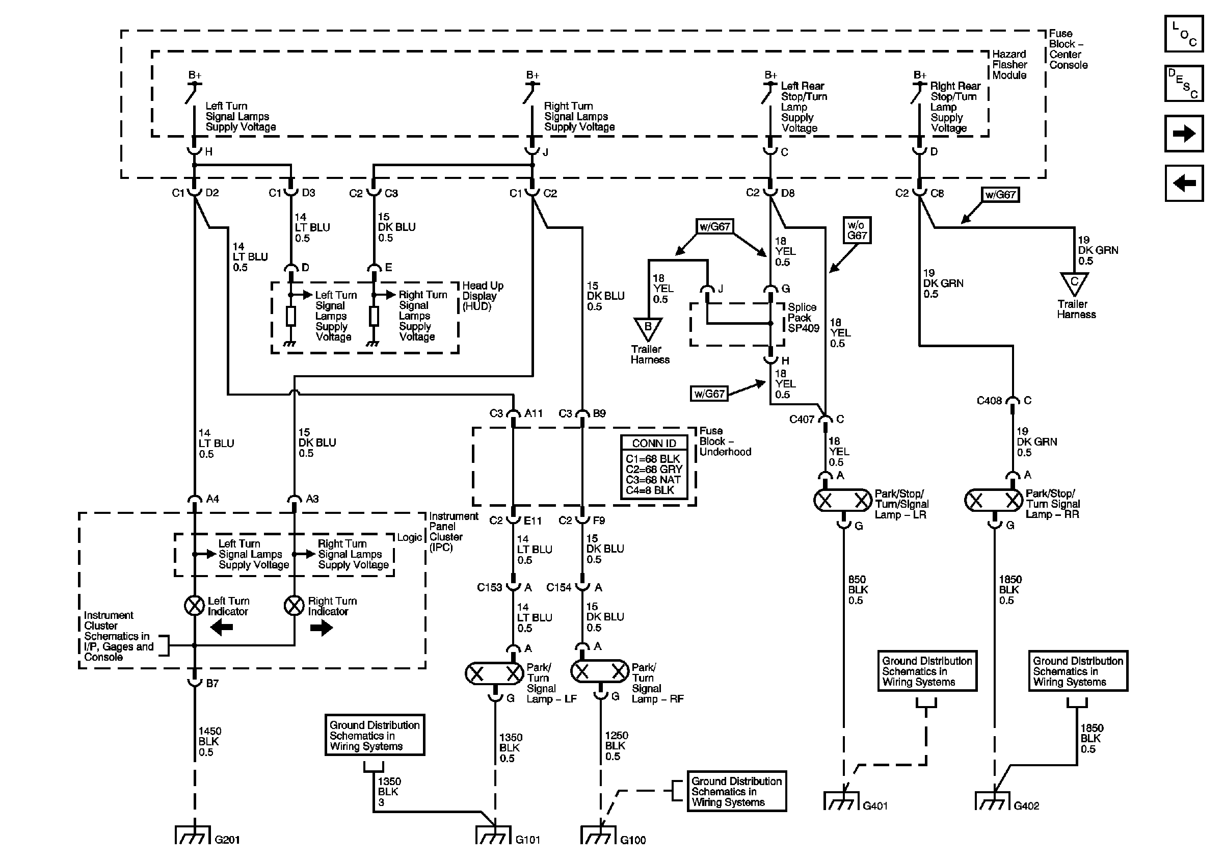
Figure 3:

Turn Lamps and Indicators


Object Number: 628831  Size: FS
Master Electrical Component List
Exterior Lighting Systems Description and Operation
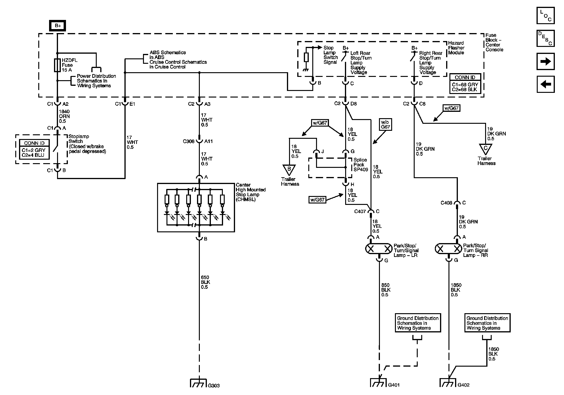
CHMSL, Stoplamp Switch
Turn Signal/Hazard Control
Backlighting, Turn Signals Indicators, Discrete Indicators
Ground G101
Ground G101
Ground G100
Ground G100
G401, G402 and G403
G401, G402 and G403
G401, G402 and G403
G401, G402 and G403
Figure 4:

Stop Lamps


Object Number: 628832  Size: FS
Master Electrical Component List
Exterior Lighting Systems Description and Operation
Trailer Harness
Hazard Flasher, Tailamps, Park/Turn Lamps
Fuse Block-Underhood Fuse: 48 Fuse Block-Center Console Fuses: BCM LHZD FL HUD RADIO RD AMP and IP MDL
Cruise Control Schematics
Ground G302
G401, G402 and G403
G401, G402 and G403
G401, G402 and G403
G401, G402 and G403
G401, G402 and G403
Figure 5:

Trailer Harness


Object Number: 628836  Size: FS
Master Electrical Component List
Exterior Lighting Systems Description and Operation
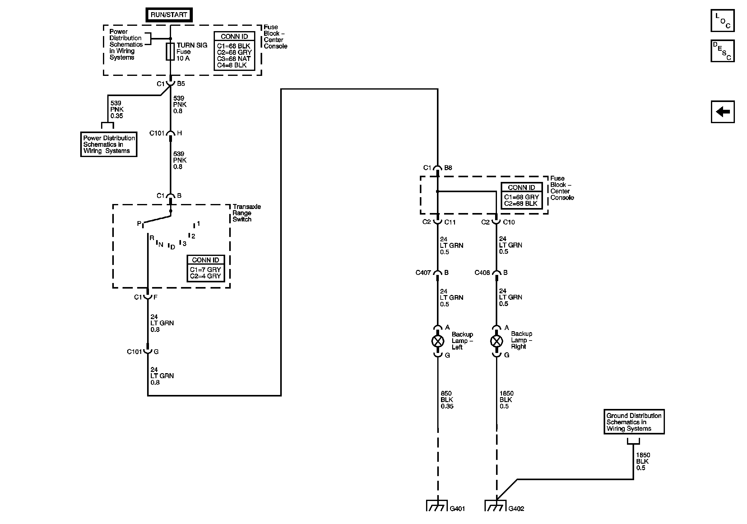
Back Up Lamps
CHMSL, Stoplamp Switch
Fuse Block-Underhood Fuse: 45 Fuse Block-Center Console Fuses: BCM D, GATE REL, RR AUX, PWR MIR, ELC BATT AND THE PWR STS Circuit Breaker
Fuse Block-Underhood Fuse: 45 Fuse Block-Center Console Fuses: BCM D, GATE REL, RR AUX, PWR MIR, ELC BATT AND THE PWR STS Circuit Breaker
G401, G402 and G403
Figure 6:

Back Up Lamps


Object Number: 796944  Size: FS
Master Electrical Component List
Exterior Lighting Systems Description and Operation
Trailer Harness
Fuse Block-Underhood Fuses: 27, 31 and 33 Fuse Block-Center Console Fuse: TURN SIG
Fuse Block-Underhood Fuses: 27, 31 and 33 Fuse Block-Center Console Fuse: TURN SIG