GM Service Manual Online
For 1990-2009 cars only
Makes
🢒
Pontiac
🢒
2001
🢒
Aztek - FWD
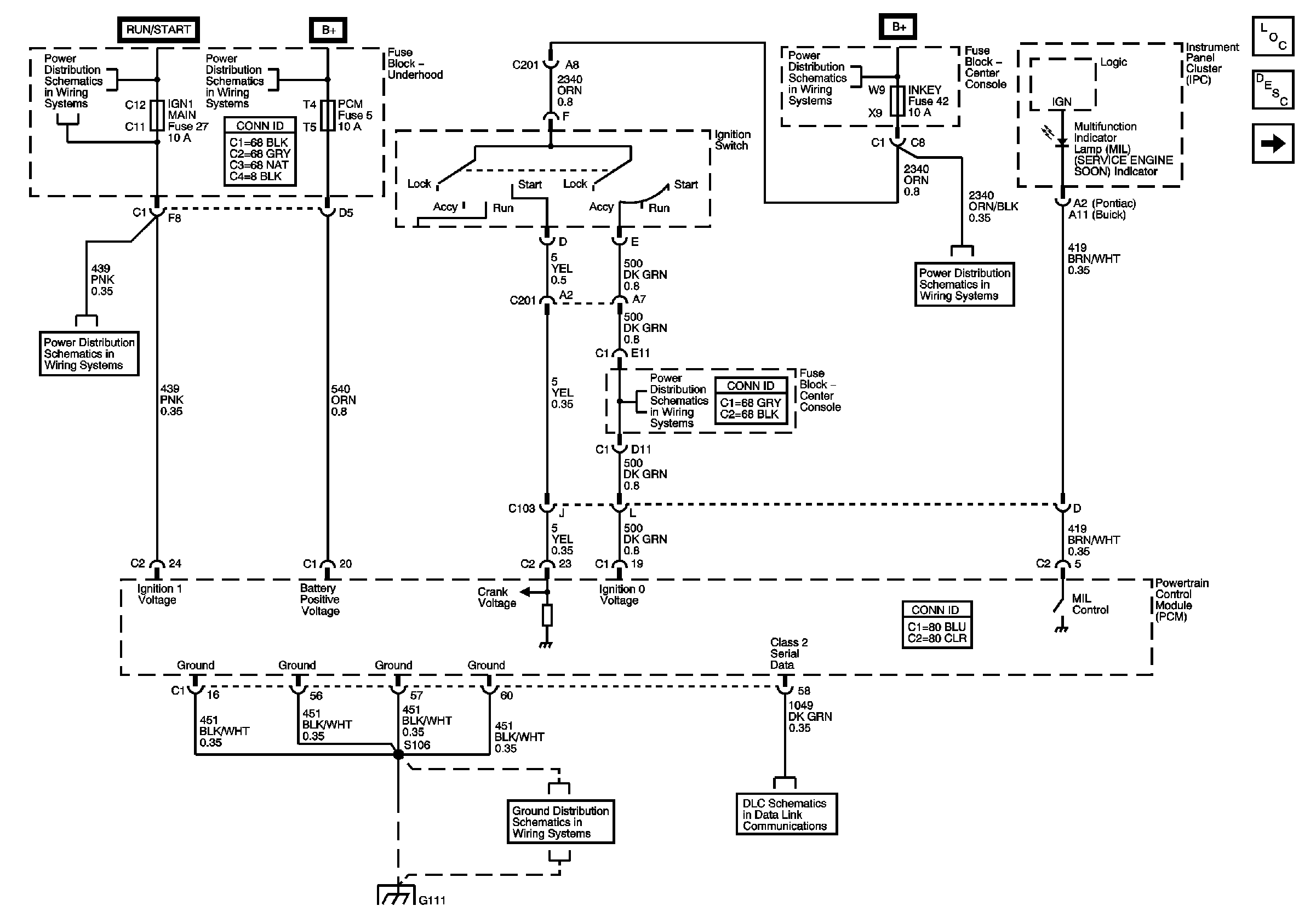
🢒 Power, Ground, DLC, MIL
Power, Ground, DLC, MIL
Power, Ground, DLC, MIL
Master Electrical Component List
Powertrain Control Module Description
Ignition System, Knock Sensor
Fuse Block-Underhood Fuses: 32, 36, 9, 5, and 28
Fuse Block-Underhood Fuses: 27, 31 and 33 Fuse Block-Center Console Fuse: TURN SIG
Fuse Block-Underhood Fuses: 27, 31 and 33 Fuse Block-Center Console Fuse: TURN SIG
Fuse Block-Underhood Fuse: 47 Fuse Block-Center Console Fuses: INKEY, KEY SOL, IGN 0, FRT BLWR, IGN 3 and HVAC
Ground G111
Data Link Communications Schematics - GMT250