GM Service Manual Online
For 1990-2009 cars only
Makes
🢒
Pontiac
🢒
2001
🢒
Aztek - FWD
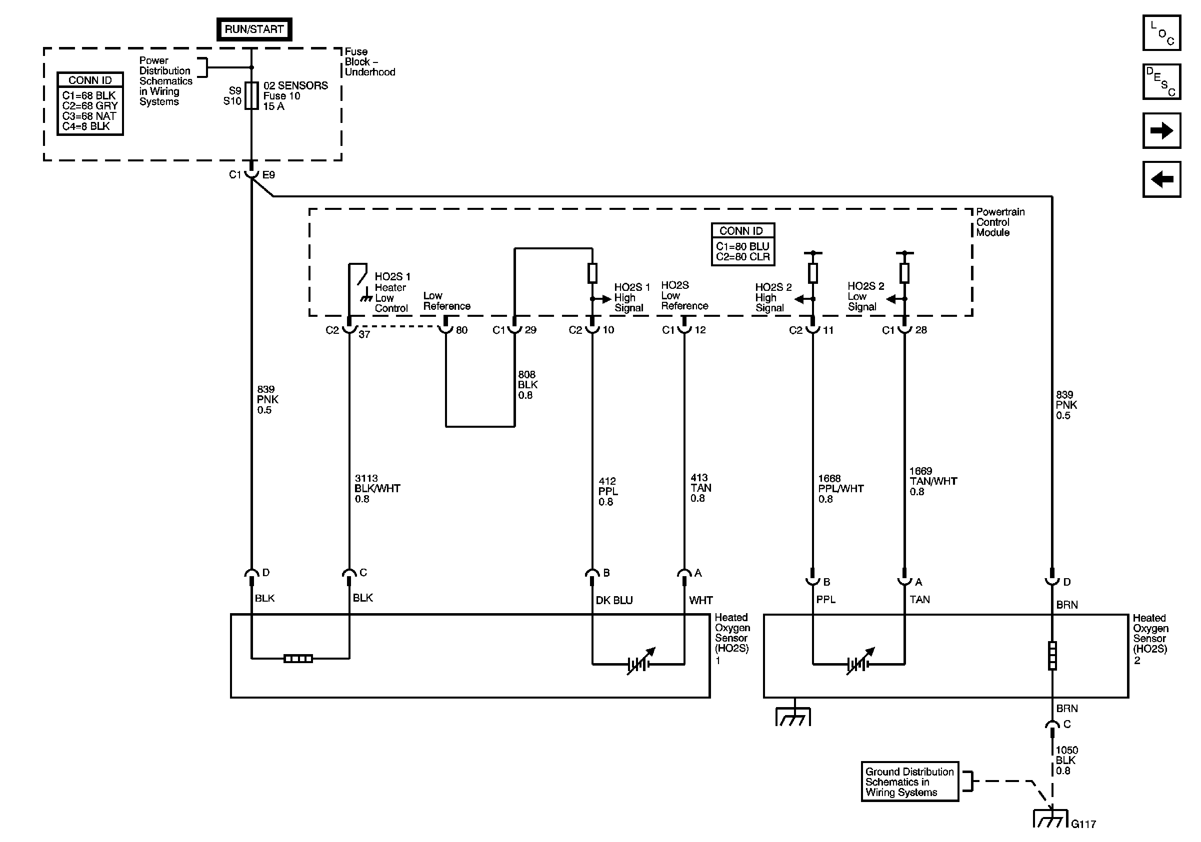
🢒 Engine Data Sensors, HO2S1, HO2S2
Engine Data Sensors, HO2S1, HO2S2
Heated Oxyegen Sensors
Master Electrical Component List
Exhaust Gas Recirculation (EGR) System Description
IAC Valve, MAF, Air Circuit
Engine Data Sensors, TP, MAP, ECT, IAT
Underhood Fuses: 4, 6, 10, 27 and 30
Underhood Fuses: 4, 6, 10, 27 and 30
Fuse Block-Underhood Fuse: 19 Fuse Block-Center Console Fuses: IGN 1 MDL, SIR, INTEMM and BCM-ACCY
Underhood Fuses: 4, 6, 10, 27 and 30
PCM Sensors (Fuel Level Sensor, Engine Oil Level Indicator Switch, Engine Oil Pressure Indicator Switch, Engine Coolant Temperature Sensor)