GM Service Manual Online
For 1990-2009 cars only
Figure 1:

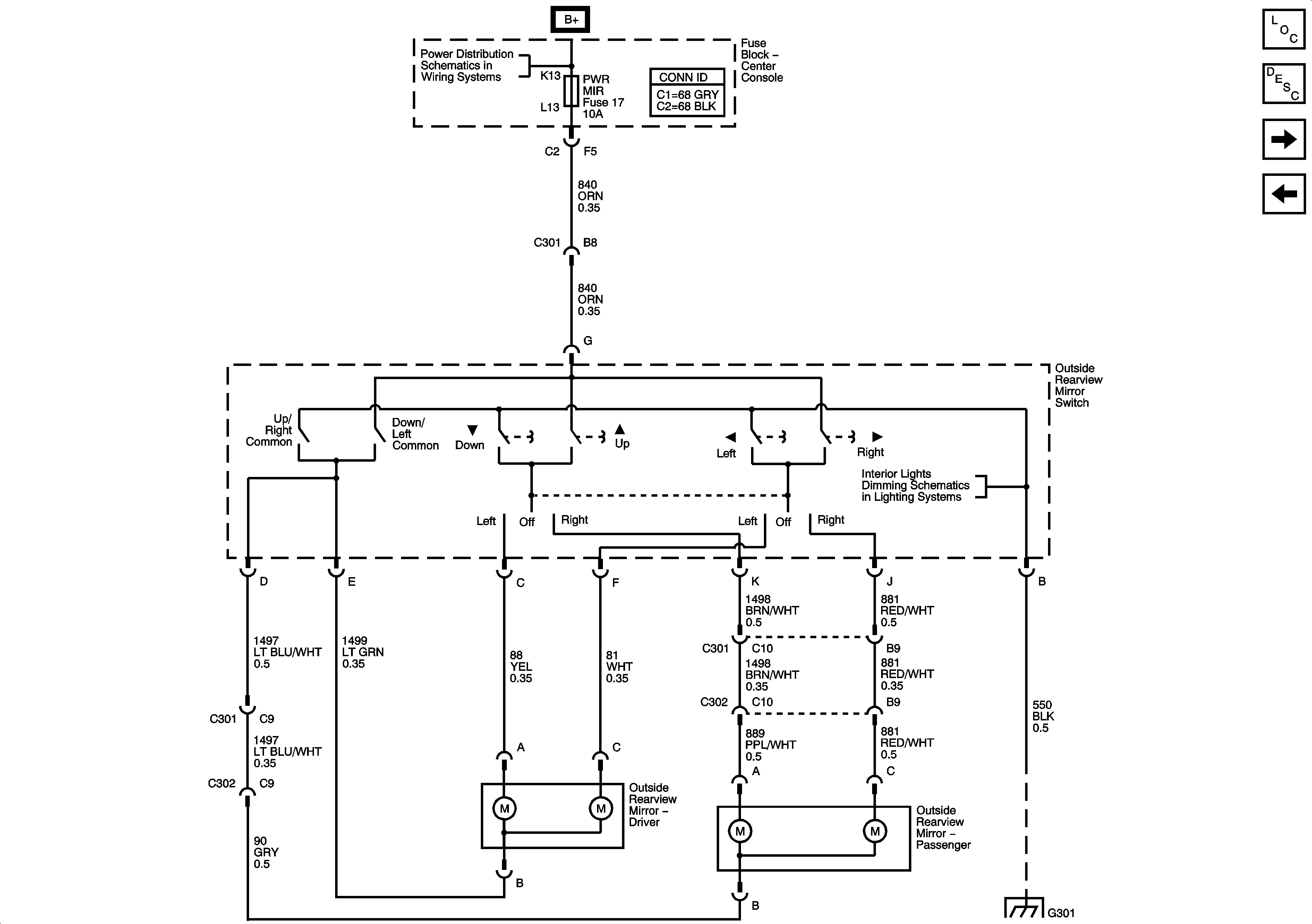
Base Mirrors - Pontiac


Object Number: 754037  Size: FS
Master Electrical Component List
Outside Mirror Description and Operation
Base Mirrors - Buick
Fuse Block-Underhood Fuse: 45 Fuse Block-Center Console Fuses: BCM D, GATE REL, RR AUX, PWR MIR, ELC BATT and PWR STS Circuit Breaker
Ground G301 Schematics
Figure 2:

Base Mirrors - Buick


Object Number: 1677199  Size: FS
Master Electrical Component List
Outside Mirror Description and Operation
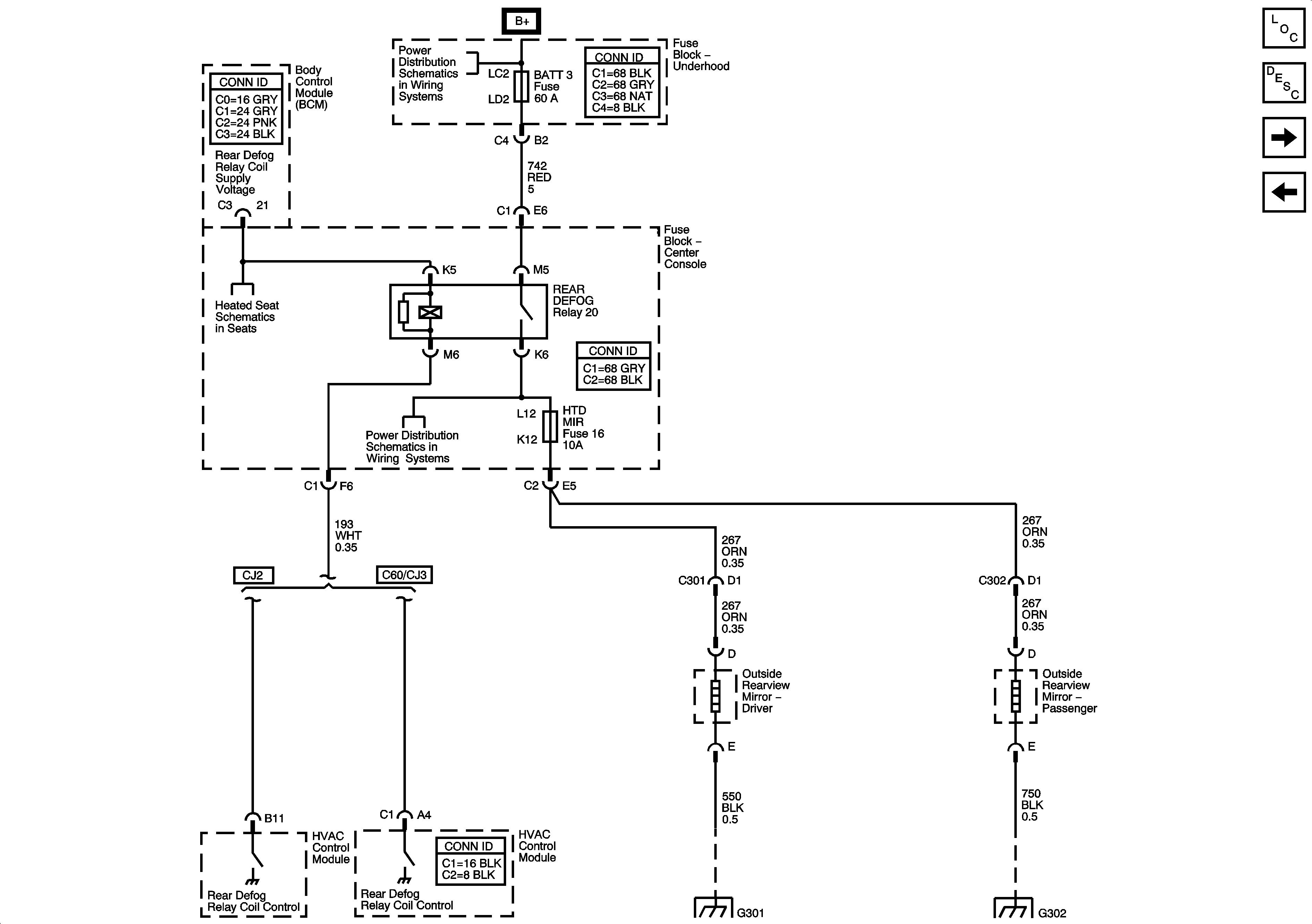
Heated Mirrors
Base Mirrors - Pontiac
Fuse Block-Underhood Fuse: 45 Fuse Block-Center Console Fuses: BCM D, GATE REL, RR AUX, PWR MIR, ELC BATT and PWR STS Circuit Breaker
Ground G301 Schematics
Figure 3:

Heated Mirrors


Object Number: 796612  Size: FS
Master Electrical Component List
Outside Mirror Description and Operation
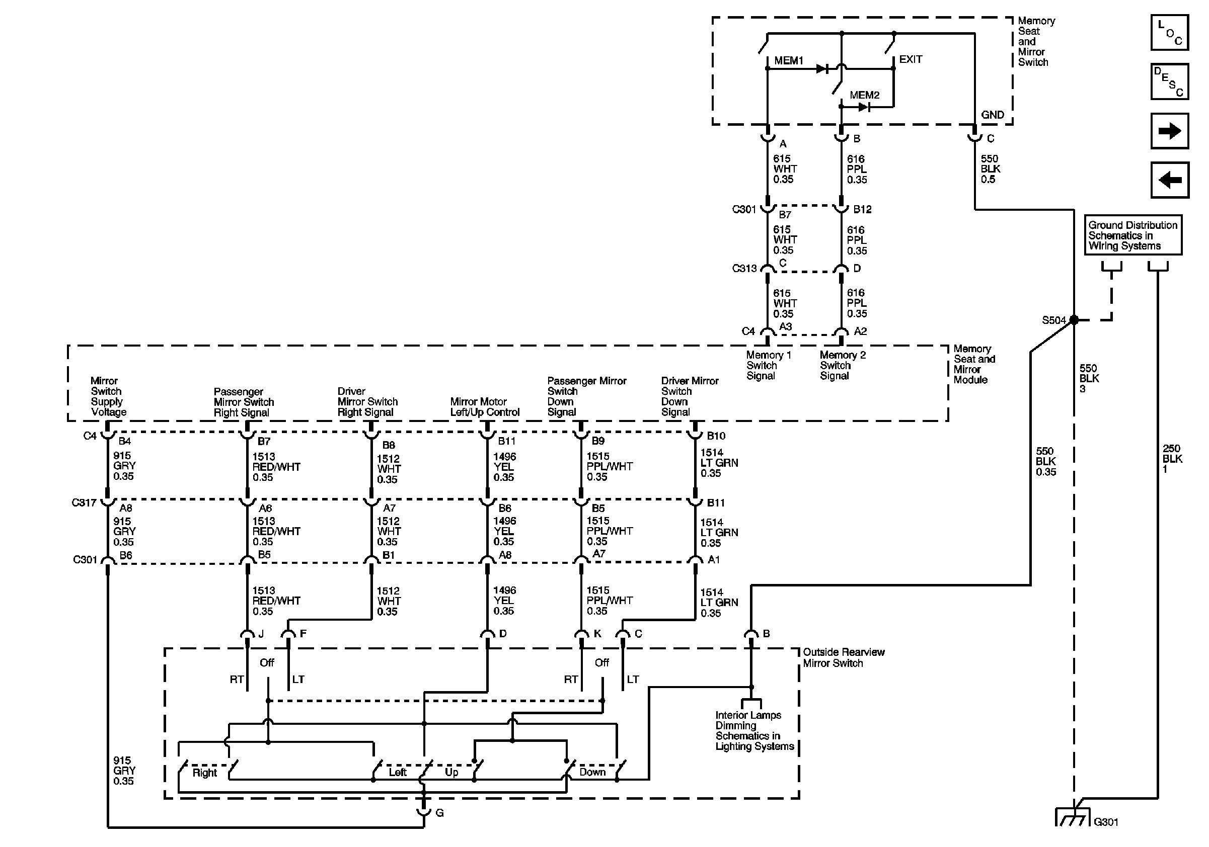
Memory Mirrors Switch Signals
Base Mirrors - Buick
Fuse Block-Underhood Buss Schematics
Driver and Passenger Seats
Fuse Block-Underhood Fuses: 42, 17, 15, 18, 23 and 14 Fuse Block-Center Console Fuses: HTD MIRR and RR DEF
Ground G302 Schematics
Ground G301 Schematics
Figure 4:

Memory Mirrors Switch Signals


Object Number: 796610  Size: FS
Master Electrical Component List
Outside Mirror Description and Operation
Memory Mirrors Controls
Heated Mirrors
Fuse Block-Underhood Fuse: 45 Fuse Block-Center Console Fuses: BCM D, GATE REL, RR AUX, PWR MIR, ELC BATT and PWR STS Circuit Breaker
Fuse Block-Underhood Fuse: 45 Fuse Block-Center Console Fuses: BCM D, GATE REL, RR AUX, PWR MIR, ELC BATT and PWR STS Circuit Breaker
Cigar Lighter/Auxiliary Outlets Schematics-Buick
Dimmings Control and Panel Lamps 1 of 2-Buick
Ground G301 Schematics
Ground G301 Schematics
Figure 5:

Memory Mirrors Controls


Object Number: 796611  Size: FS
Master Electrical Component List
Outside Mirror Description and Operation
Memory Mirrors Switch Signals