GM Service Manual Online
For 1990-2009 cars only
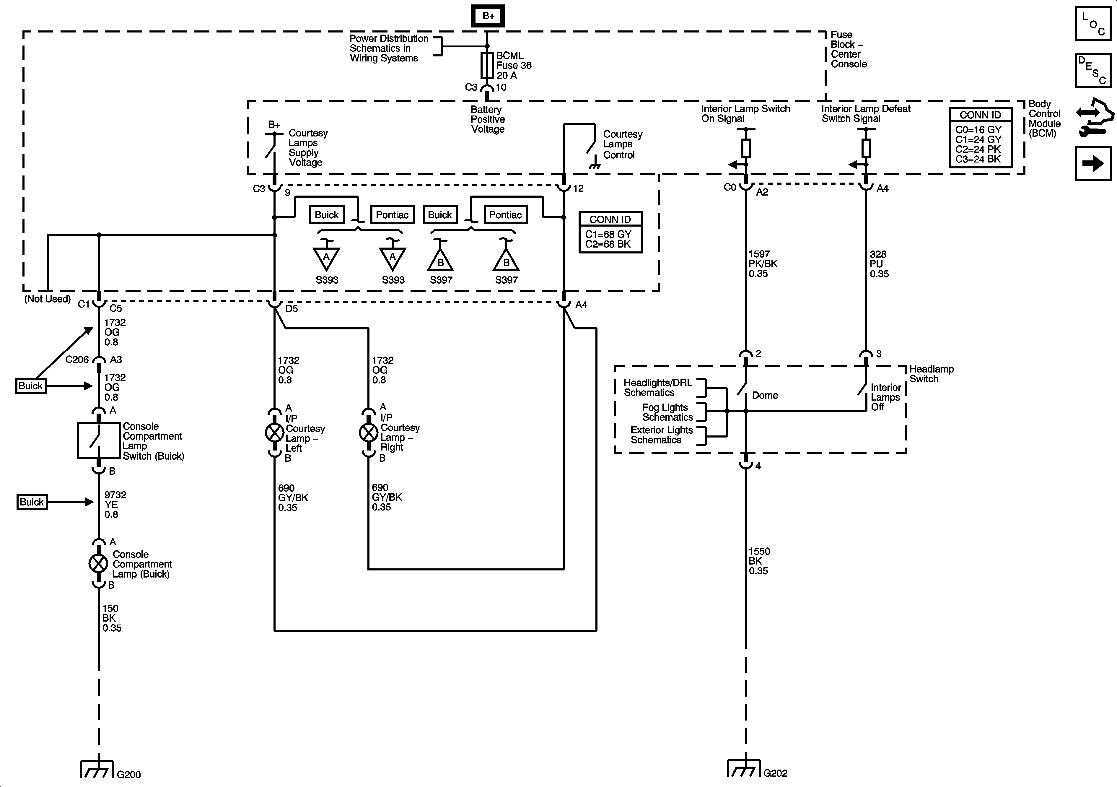
Figure 1:

I/P Lighting, Lamp Control


Object Number: 1500796  Size: FS
Master Electrical Component List
Interior Lighting Systems Description and Operation
Control Module References
Roof Lighting - Pontiac
B+ Bus 1 of 2
Roof Lighting - Pontiac
Roof Lighting - Pontiac
Indicators, Lamp Control)
Turn/Stop Lamps and Indicators
Park Lamps - Pontiac (Early Production)
G200
G200
G200
G201
G201
Figure 2:

Roof Lighting - Pontiac


Object Number: 1499685  Size: FS
Master Electrical Component List
Interior Lighting Systems Description and Operation
Control Module References
Roof Lighting - Buick
Interior Lights Schematics (I/P Lighting, Lamp Control)
Interior Lights Schematics (I/P Lighting, Lamp Control)
Interior Lights Schematics (I/P Lighting, Lamp Control)
G303
G303
Figure 3:

Roof Lighting - Buick


Object Number: 1500798  Size: FS
Master Electrical Component List
Interior Lighting Systems Description and Operation
Control Module References
Door Switches
Roof Lighting - Pontiac
Interior Lights Schematics (I/P Lighting, Lamp Control)
Interior Lights Schematics (I/P Lighting, Lamp Control)
G303
G303
Figure 4:

Door Switches


Object Number: 1499760  Size: FS
Master Electrical Component List
Interior Lighting Systems Description and Operation
Control Module References
Lift Window, Endgate and Liftgate Switches
Roof Lighting - Buick
Door Ajar Indicators
Door Ajar Indicators
G301
Door Ajar Indicators
G302
Door Ajar Indicators
G301
G301
G302
G302
Figure 5:

Lift Window, Endgate and Liftgate Switches


Object Number: 1500799  Size: FS
Master Electrical Component List
Interior Lighting Systems Description and Operation
Control Module References
Door Switches
Lift Window, Endgate and Liftgate Actuators
Lift Window, Endgate and Liftgate Actuators
Lift Window, Endgate and Liftgate Actuators
G401
G402 and G403
G401
G402 and G403