GM Service Manual Online
For 1990-2009 cars only
Makes
🢒
Pontiac
🢒
2005
🢒
Aztek - FWD
🢒
Accessories
🢒
Cellular Communication
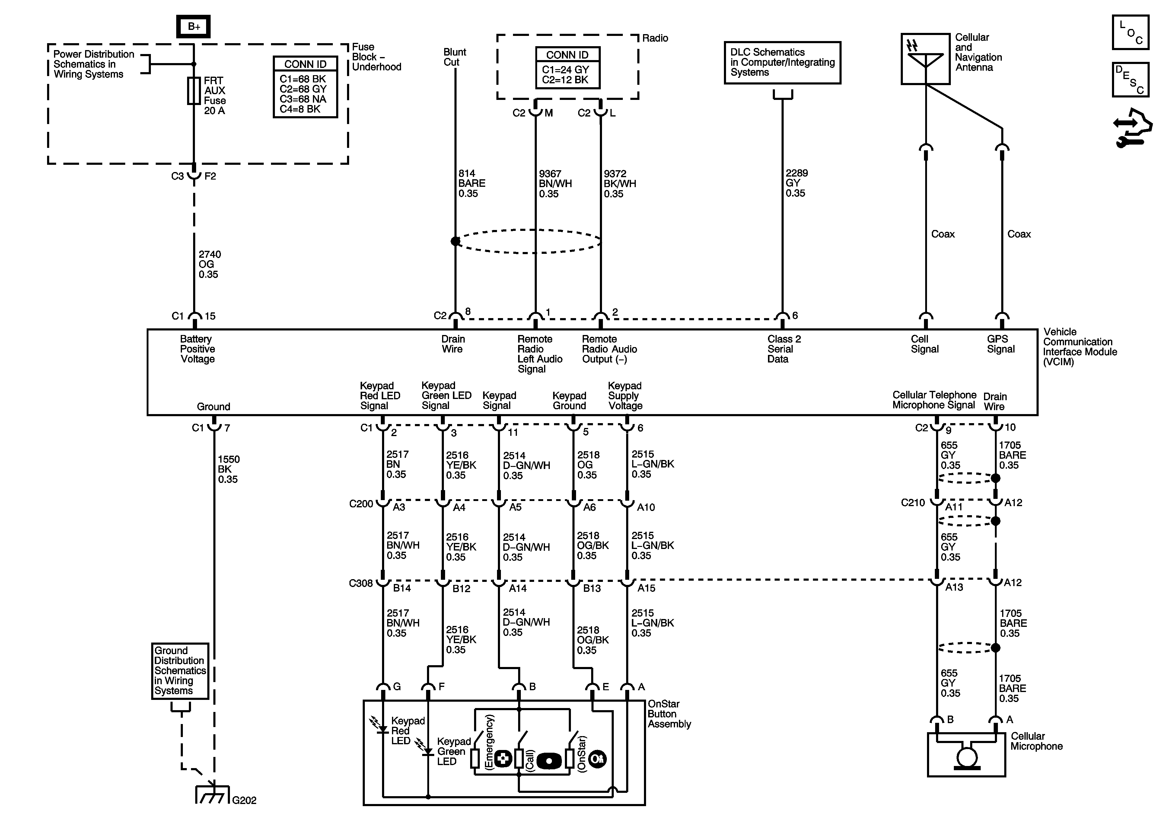
🢒 OnStar Schematics
Master Electrical Component List
OnStar Description and Operation
Control Module References
ABSMTR, ABS SOL, BCM, DVD, ECM (3.6L), FRT AUX, PCM (3.4L), S BAND, and VENT SOL Fuses
Data Link Connector (DLC)
G202
G202