GM Service Manual Online
For 1990-2009 cars only
Makes
🢒
Pontiac
🢒
2005
🢒
Aztek - FWD
🢒 Underhood Fuse Block Main Relay 1 of 2
Underhood Fuse Block Main Relay 1 of 2
Underhood Fuse Block Main Relay - 1 of 2
Master Electrical Component List
Engine Control Module Description
Control Module References
Underhood Fuse Block Main Relay 2 of 2
Power, Ground, MIL, and Serial Data
OBD II Symbol Description Notice
B+ Bus 2 of 2
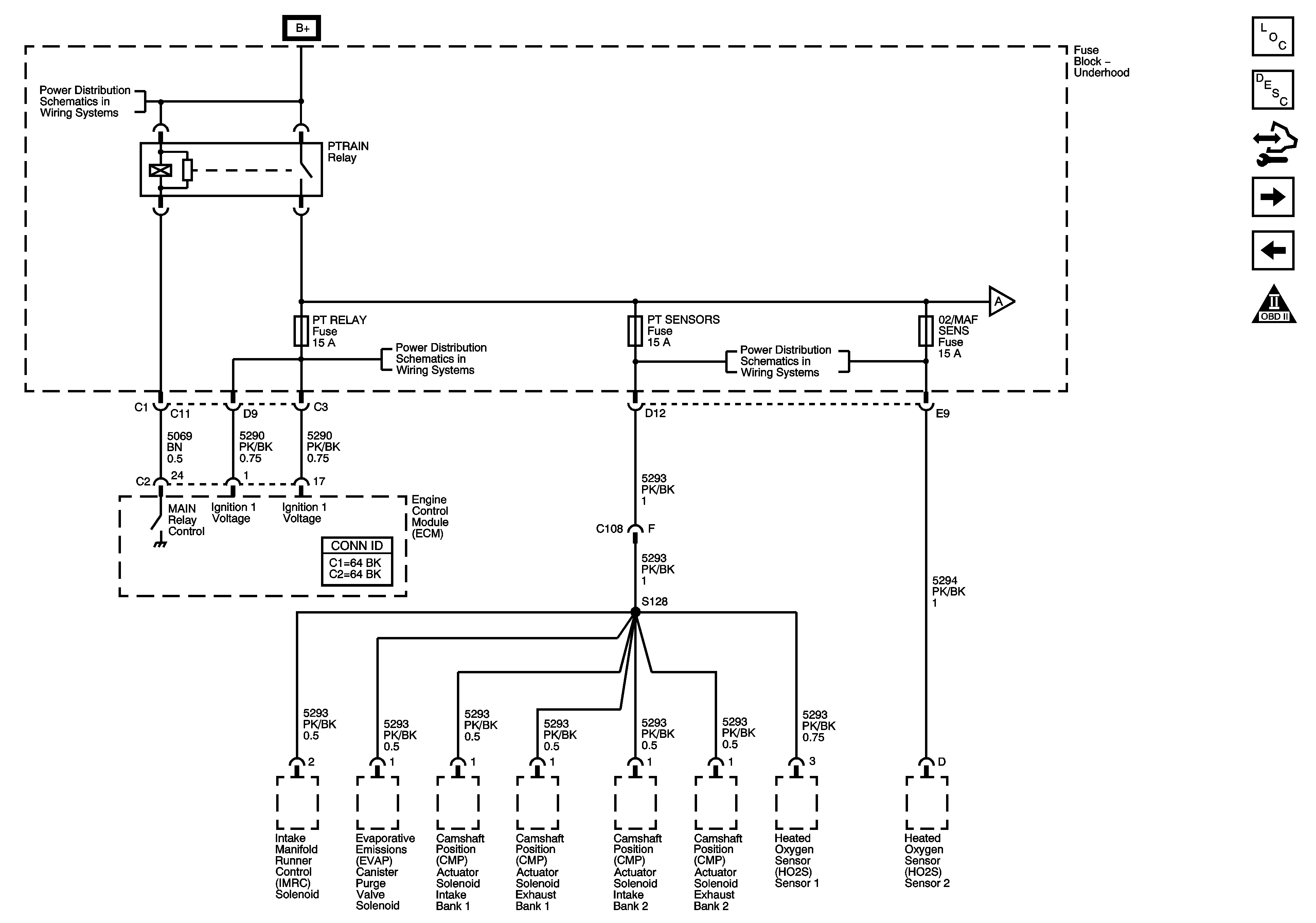
PTRAIN Relay (2 of 2), BTSI, PT RLY, and PT SENSORS Fuses - 3.6L
PTRAIN Relay (2 of 2), BTSI, PT RLY, and PT SENSORS Fuses - 3.6L
Underhood Fuse Block Main Relay 2 of 2