GM Service Manual Online
For 1990-2009 cars only
Makes
🢒
Pontiac
🢒
2005
🢒
Aztek - FWD
🢒 Engine Data Sensors - BARO, ECT and MAF/IAT Sensors
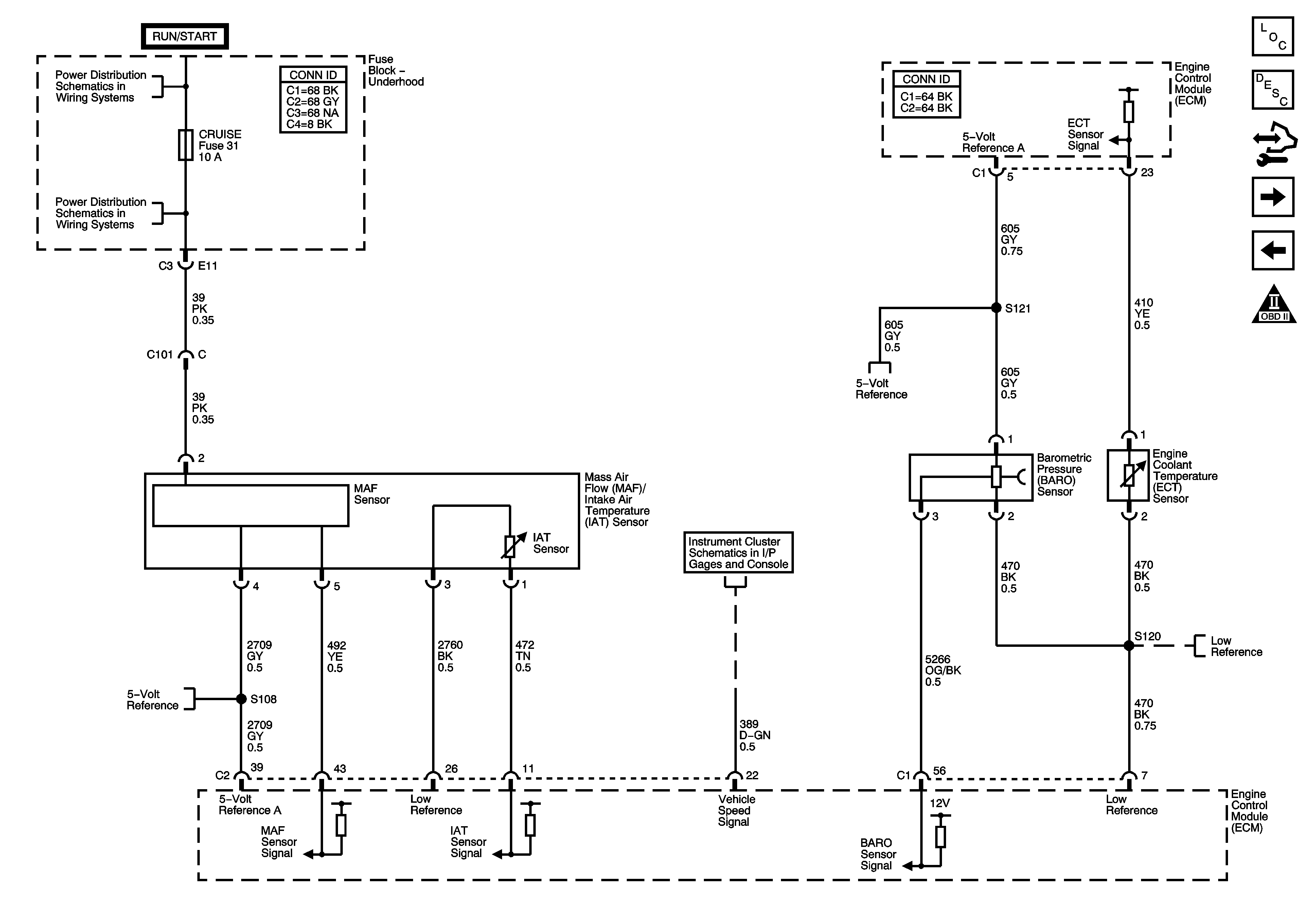
Engine Data Sensors - BARO, ECT and MAF/IAT Sensors
Engine Data Sensors - BARO, ECT and MAF/IAT Sensors
Master Electrical Component List
Air Intake System Description
Control Module References
Engine Data Sensors - Oxygen Sensors
Low Reference Bus
OBD II Symbol Description Notice
BTSI (3.4L), CRUISE, IGN 1 MAIN, and TRN SIG Fuses
BTSI (3.4L), CRUISE, IGN 1 MAIN, and TRN SIG Fuses
Engine Data Sensors - 5 Volt Reference Bus
Engine Data Sensors - 5 Volt Reference Bus
Gages - 3.4L
Low Reference Bus