GM Service Manual Online
For 1990-2009 cars only
Makes
🢒
Pontiac
🢒
2005
🢒
Aztek - FWD
🢒 Fuel Controls - Fuel Pump and Injectors
Fuel Controls - Fuel Pump and Injectors
Fuel Controls - Fuel Pump and Injectors
Master Electrical Component List
Fuel System Description
Control Module References
Fuel Controls - EVAP Controls
Ignition Controls - CKP and Knock Sensors
OBD II Symbol Description Notice
B+ Bus 2 of 2
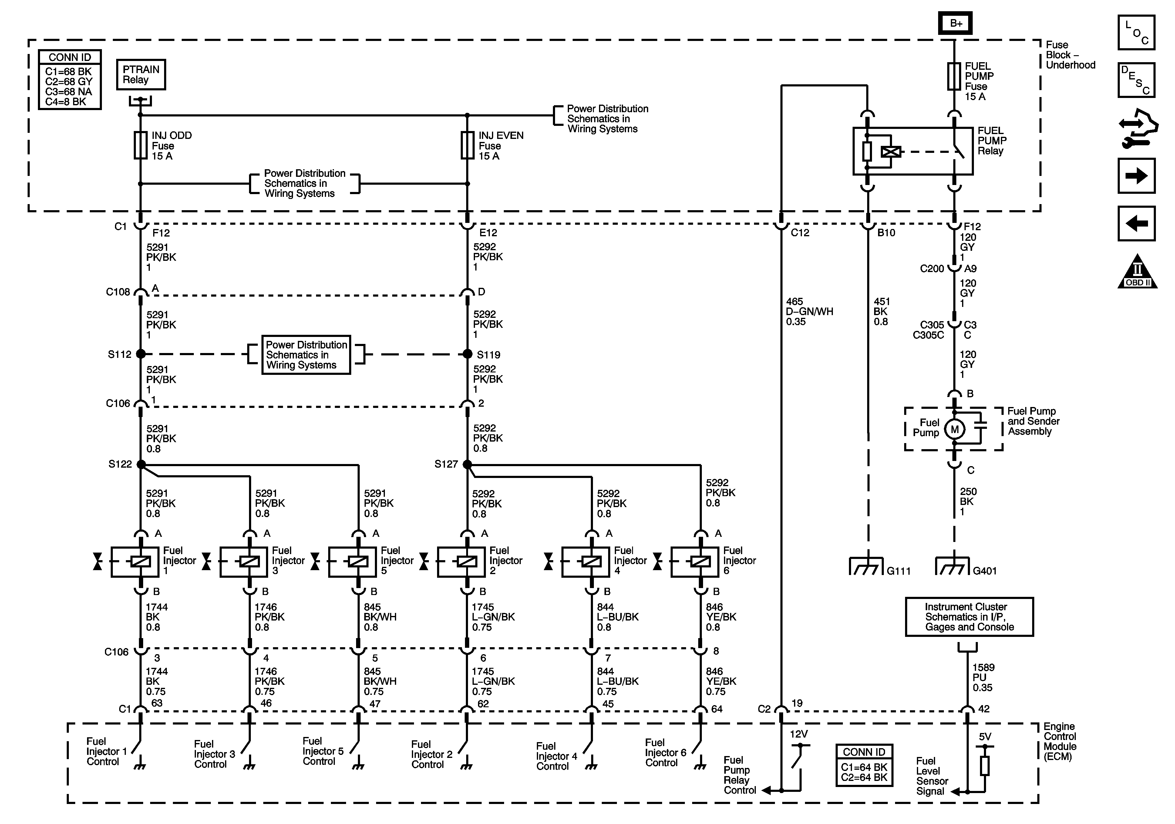
PTRAIN Relay (1 of 2), INJ EVEN, INJ ODD, and O2/MAF SENS Fuses - 3.6L
PTRAIN Relay (1 of 2), INJ EVEN, INJ ODD, and O2/MAF SENS Fuses - 3.6L
G132 - LY7 and G111
G401
G401
Gages - 3.4L