GM Service Manual Online
For 1990-2009 cars only
Makes
🢒
Pontiac
🢒
2005
🢒
Aztek - FWD
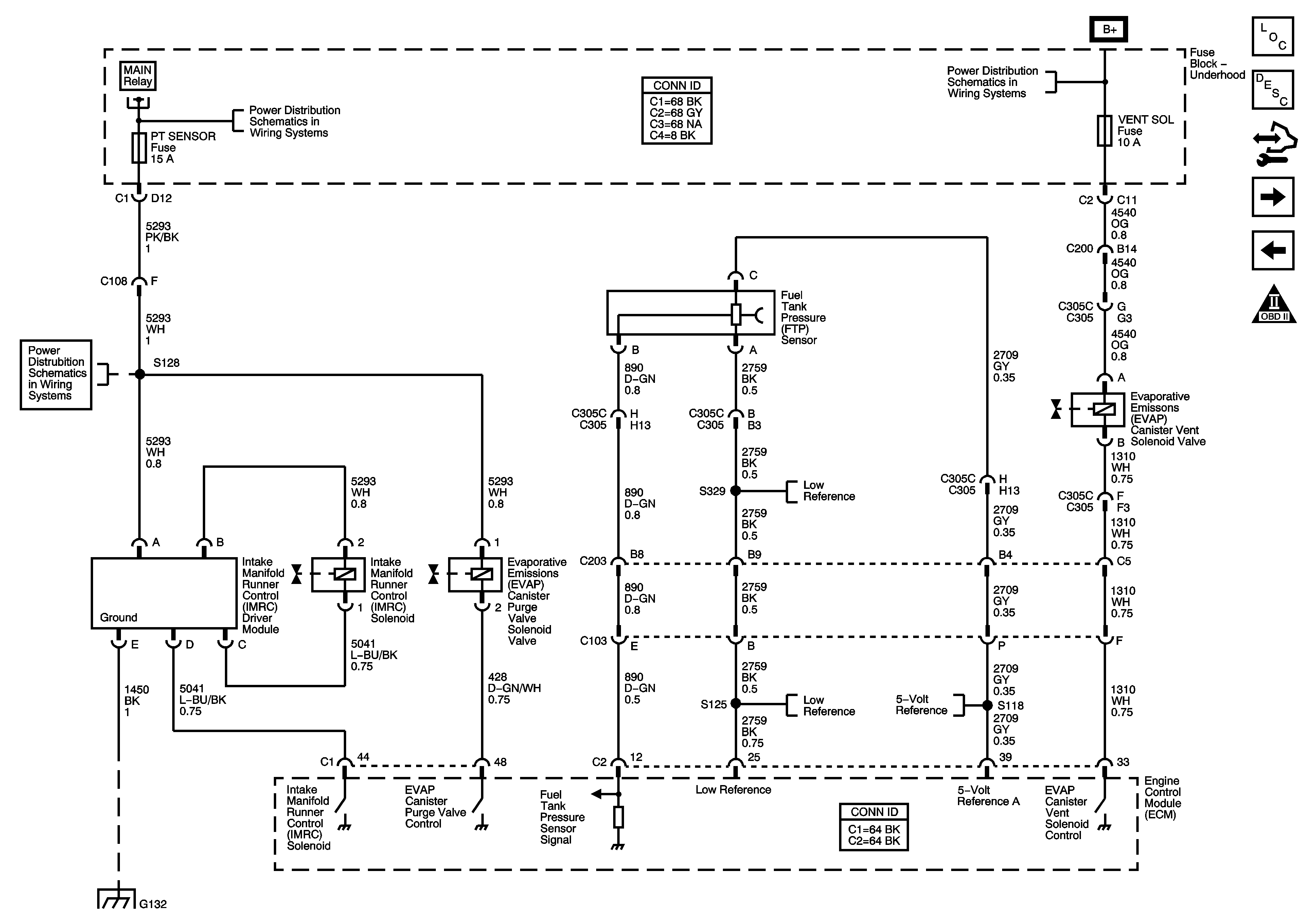
🢒 Fuel Controls - EVAP Controls
Fuel Controls - EVAP Controls
Fuel Controls - EVAP Controls
Master Electrical Component List
Evaporative Emission Control System Description
Control Module References
Controlled/Monitored Subsystem References
Fuel Controls - Fuel Pump and Injectors
OBD II Symbol Description Notice
B+ Bus 2 of 2
ABSMTR, ABS SOL, BCM, DVD, ECM (3.6L), FRT AUX, PCM (3.4L), S BAND, and VENT SOL Fuses
PTRAIN Relay (2 of 2), BTSI, PT RLY, and PT SENSORS Fuses - 3.6L
Low Reference Bus
Low Reference Bus
Engine Data Sensors - 5 Volt Reference Bus