GM Service Manual Online
For 1990-2009 cars only
Makes
🢒
Pontiac
🢒
2005
🢒
Aztek - FWD
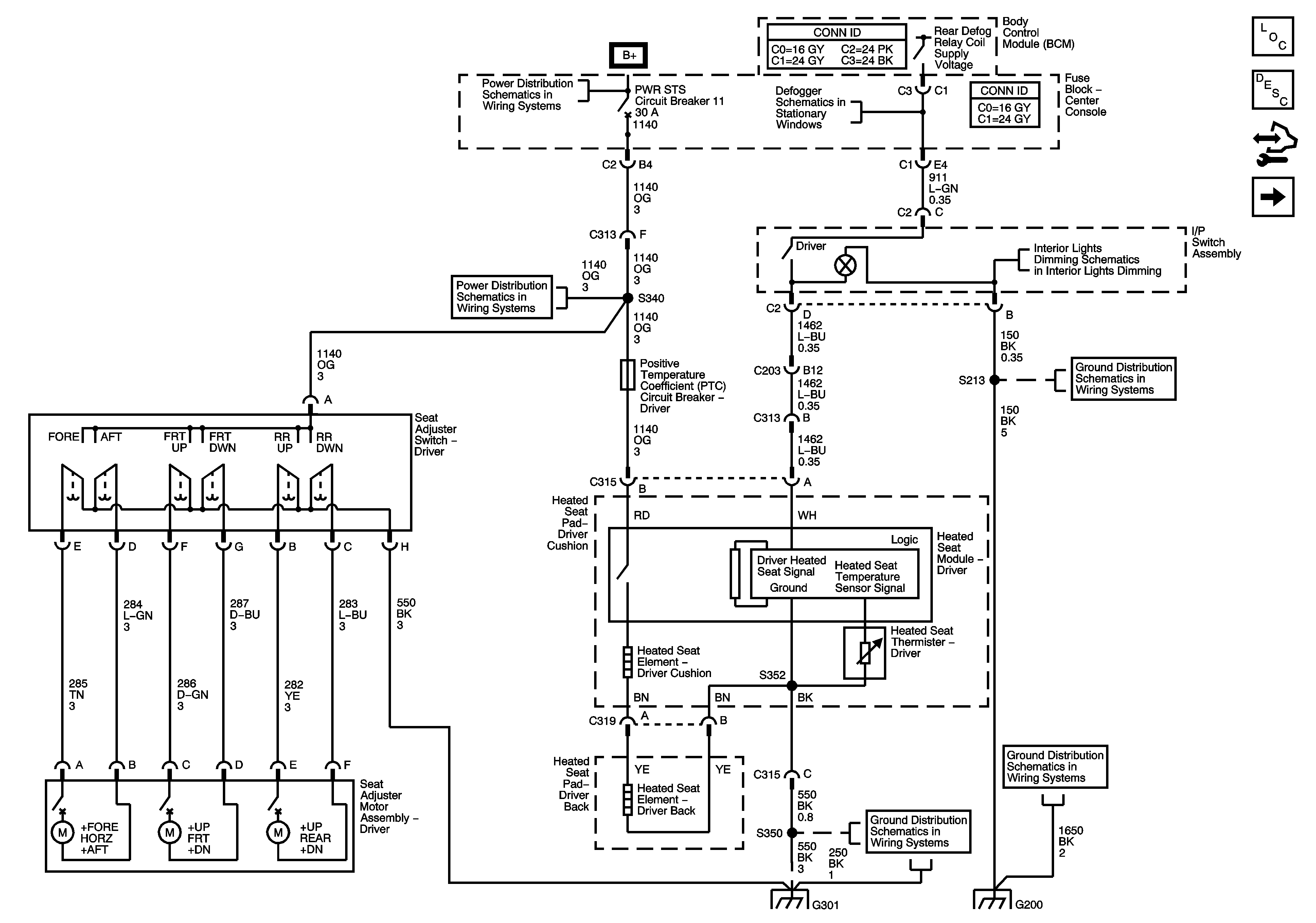
🢒 Driver Power and Heat Seat
Driver Power and Heat Seat
Driver Power and Heated Seat
Master Electrical Component List
Heated Seats Description and Operation
Control Module References
Memory Seat
BATT 2, BCM D, ELC BATT, GATE REL, PWR MIR, and RR AUX Fuses and PWR STS Circuit Breaker
Defogger Schematics
BATT 2, BCM D, ELC BATT, GATE REL, PWR MIR, and RR AUX Fuses and PWR STS Circuit Breaker
Panel Lamps - Pontiac, Page 2 of 2
G200
G200
G301
G301
G200