GM Service Manual Online
For 1990-2009 cars only
Makes
🢒
Pontiac
🢒
2005
🢒
Aztek - FWD
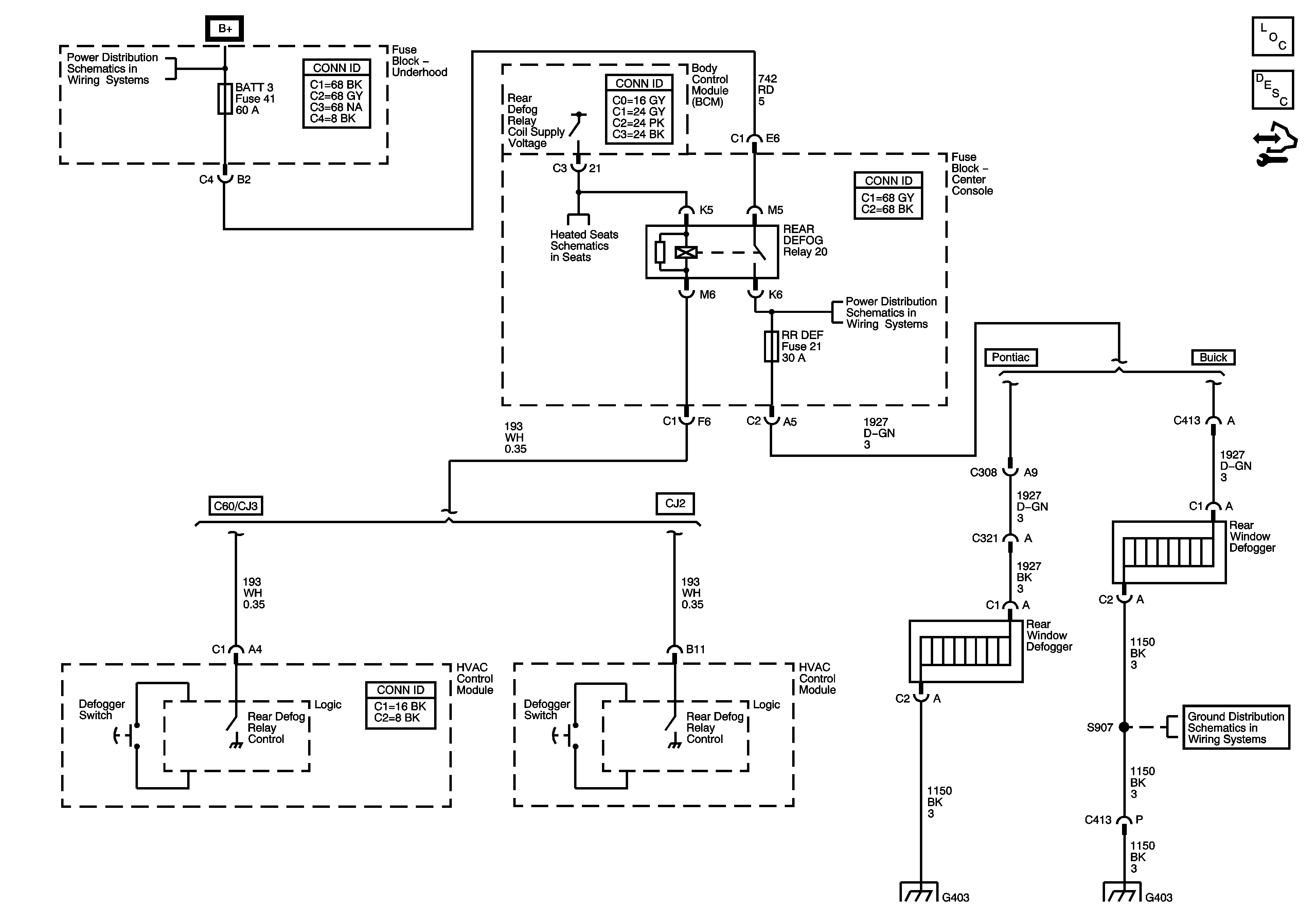
🢒 Defogger Schematics
Defogger Schematics
Master Electrical Component List
Rear Window Defogger Description and Operation
Control Module References
BATT 3, HTD MIRR, STG COL, and RR DEF Fuses
Driver Power and Heat Seat
BATT 3, HTD MIRR, STG COL, and RR DEF Fuses
G402 and G403
G401
G402 and G403