GM Service Manual Online
For 1990-2009 cars only
Makes
🢒
Pontiac
🢒
2005
🢒
Aztek - FWD
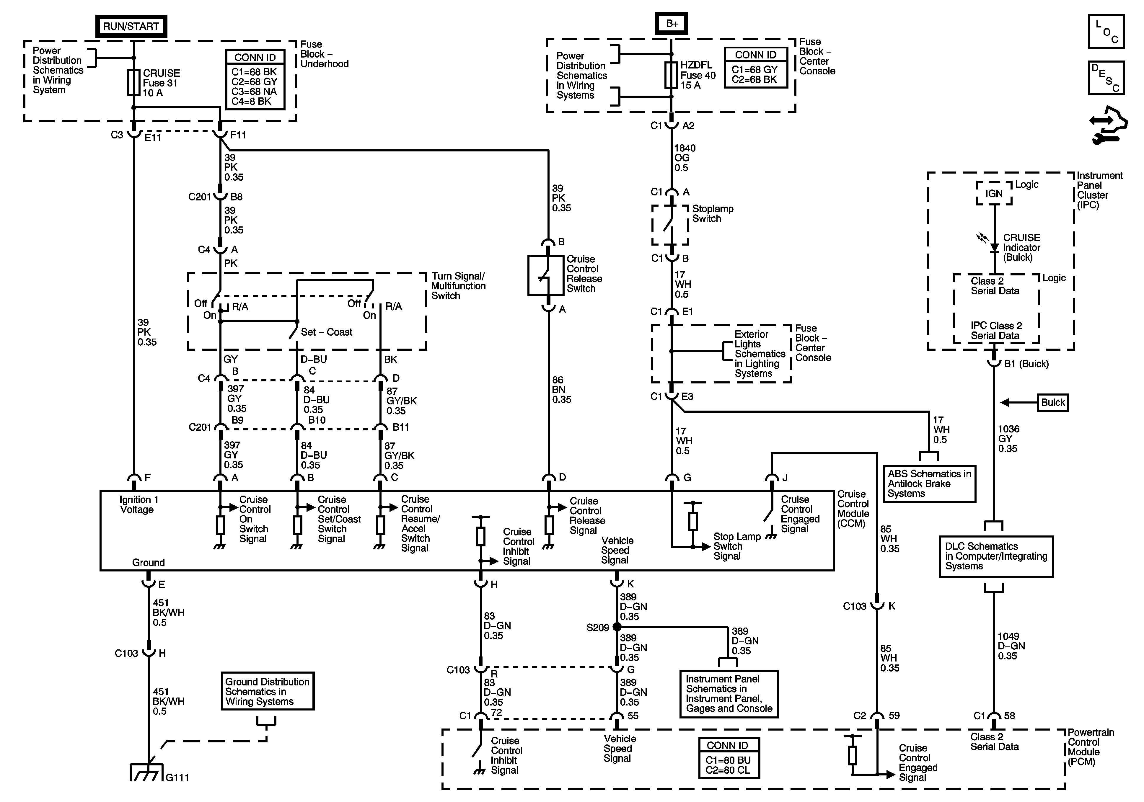
🢒 Cruise Control Schematic - LA1
Cruise Control Schematic - LA1
Cruise Control (LA1)
Master Electrical Component List
Cruise Control Description and Operation 3.4L
Control Module References
BTSI (3.4L), CRUISE, IGN 1 MAIN, and TRN SIG Fuses
BATT 1, BCML, HUD, HZD FL, INKEY, IP MDL, RADIO, and RD AMP Fuses
Turn Signal/Hazard Control
DLC, Indicators and Traction Control Switch 3.4L
Data Link Connector (DLC)
G132 - LY7 and G111
G132 - LY7 and G111
Gages - 3.4L