GM Service Manual Online
For 1990-2009 cars only
Makes
🢒
Pontiac
🢒
2000
🢒
Bonneville
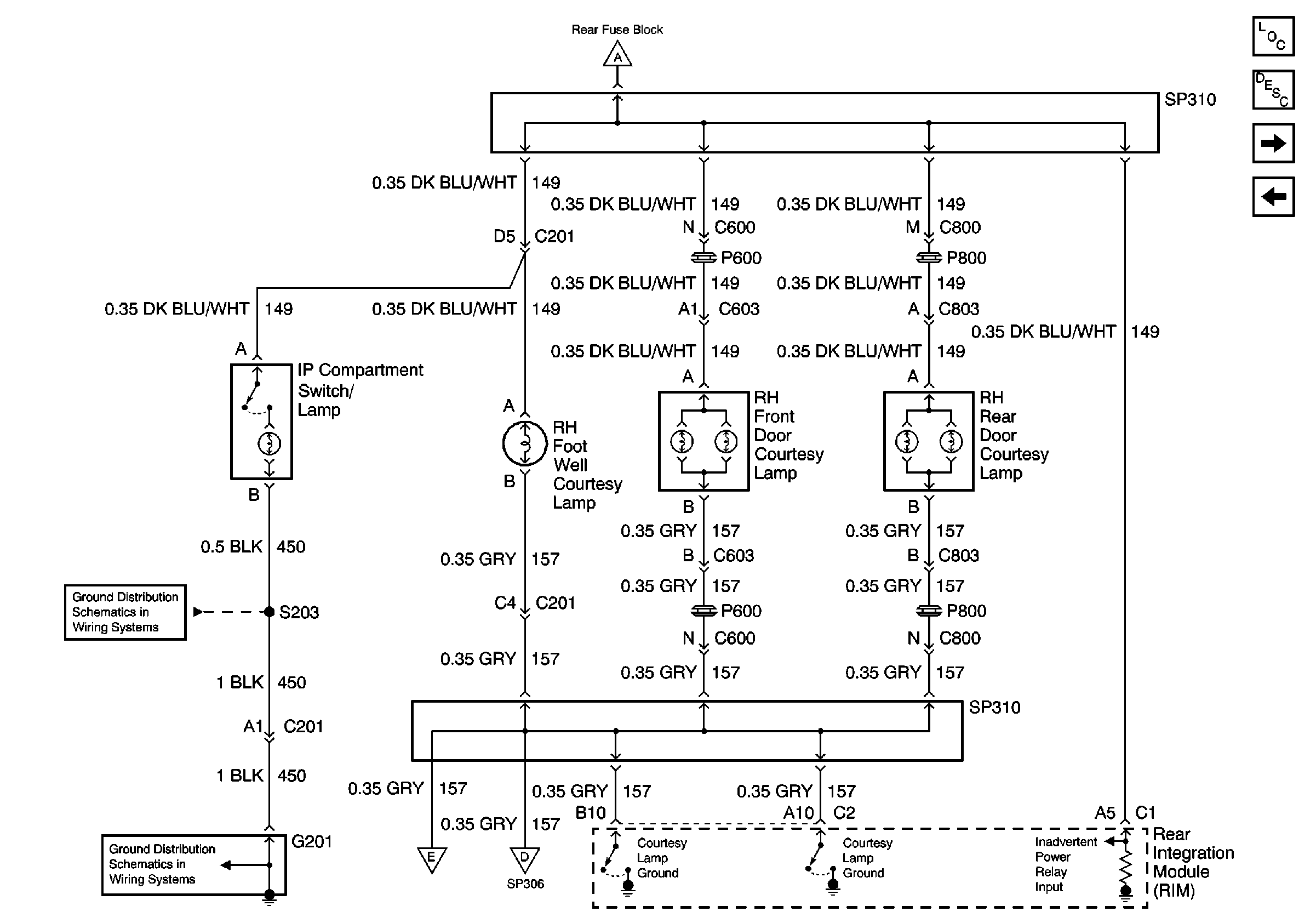
🢒 RH Courtesy Lamps
RH Courtesy Lamps
RH Courtesy Lamps
Lighting Systems Components
Interior Lights Circuit Description
Rear Courtesy/Reading Lamps, and Vanity Mirrors
Cell 114: LH Courtesy Lamps
Interior Lamp Relay
G201 (1 of 3)
G201 (1 of 3)
Rear Courtesy/Reading Lamps, and Vanity Mirrors
Cell 114: LH Courtesy Lamps