GM Service Manual Online
For 1990-2009 cars only
Makes
🢒
Pontiac
🢒
2000
🢒
Bonneville
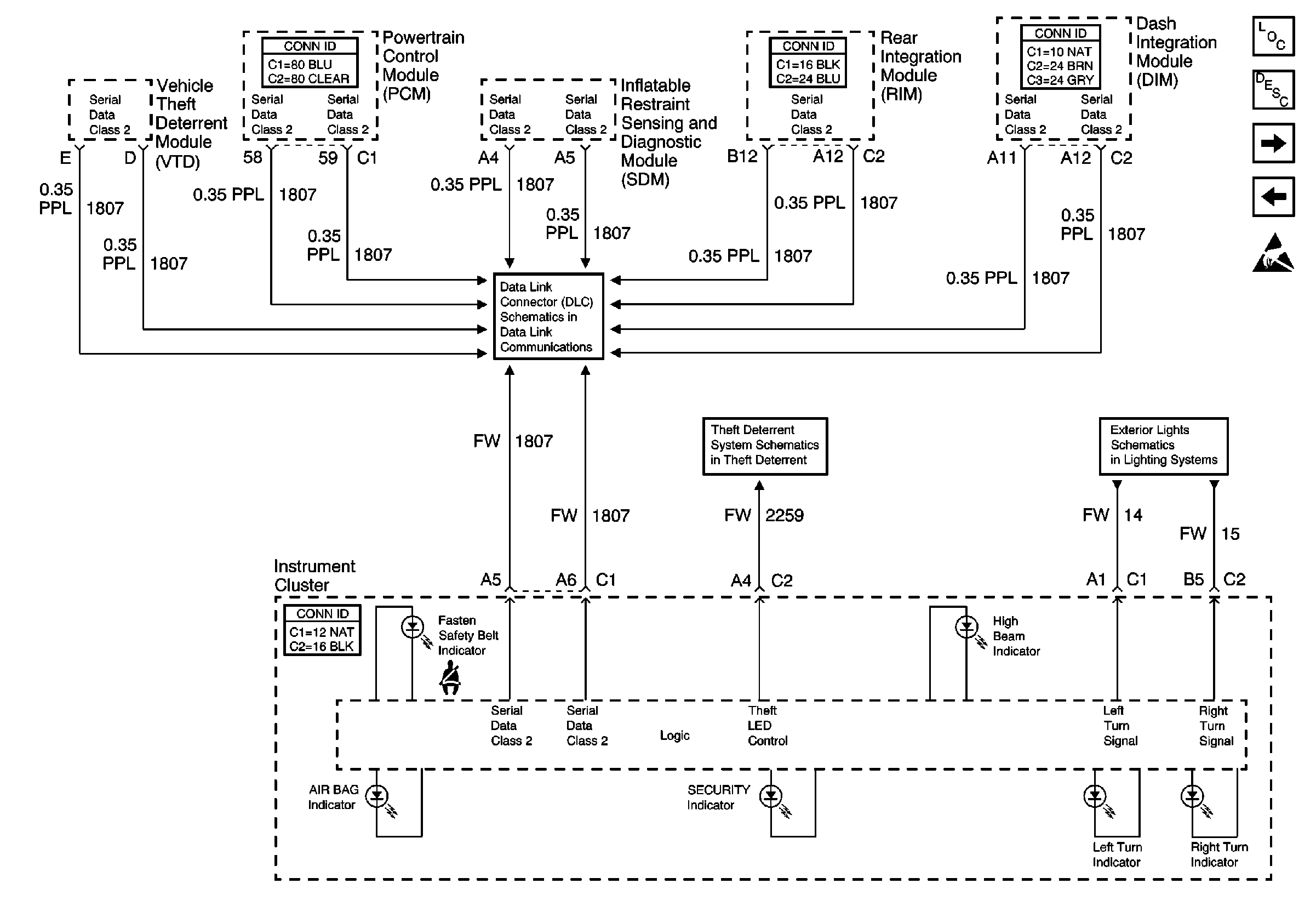
🢒 Air Bag, Fasten Safety Belt, Lighting, and Security Indicators
Air Bag, Fasten Safety Belt, Lighting, and Security Indicators
Air Bag, Fasten Safety Belt, Lighting, and Security Indicators
Instrument Cluster and HUD Components
Instrument Cluster Circuit Description
Systems Monitor
Battery, Brake, Service Vehicle Soon, and TRAC OFF Indicators
Handling ESD Sensitive Parts Notice
Serial Data Class 2
Content Theft Deterrent Indicators
Turn Signal Lamps