GM Service Manual Online
For 1990-2009 cars only
Makes
🢒
Pontiac
🢒
2000
🢒
Bonneville
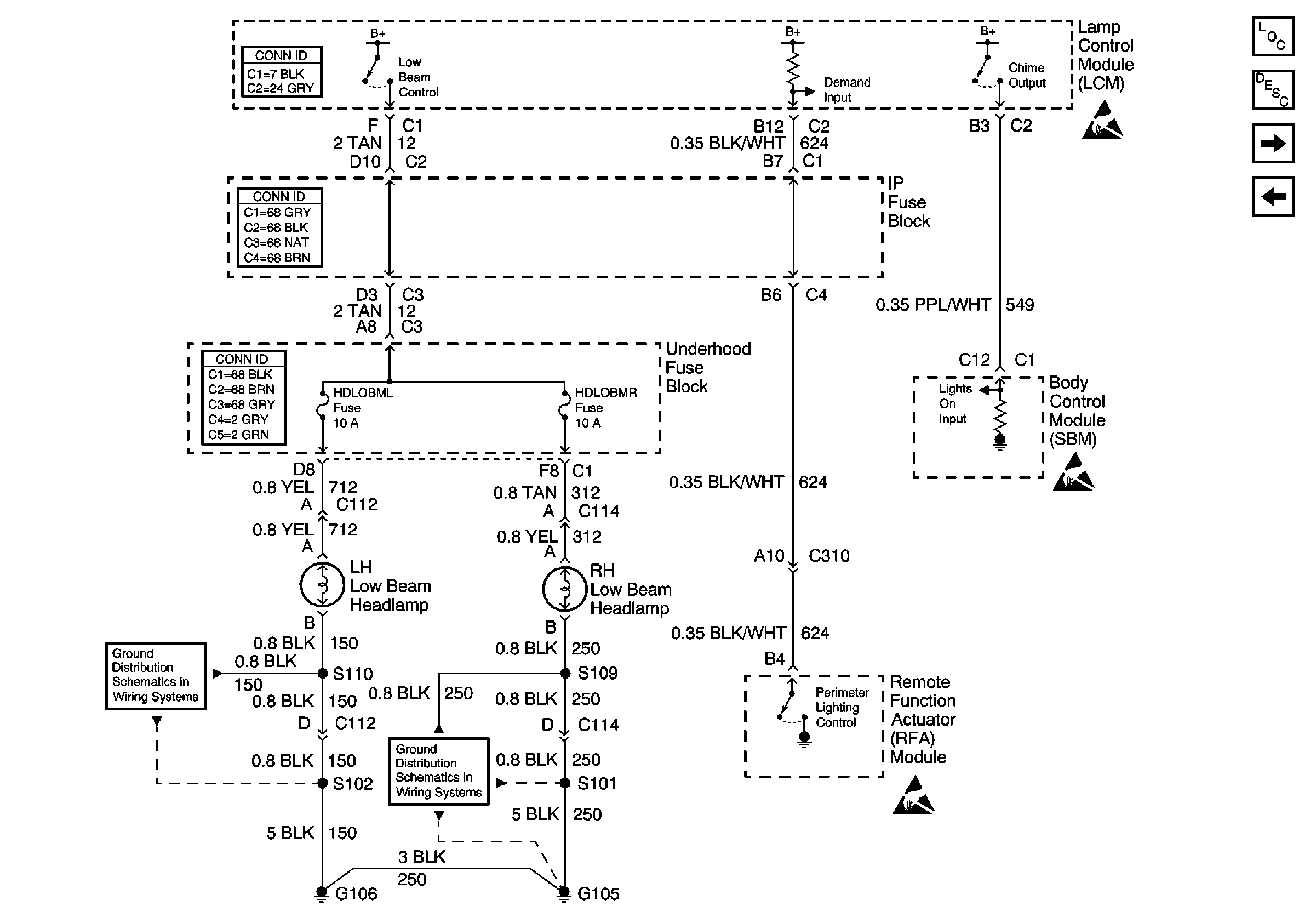
🢒 Low Beam Headlamps
Low Beam Headlamps
Low Beam Headlamps
Lighting Systems Components
Headlights Circuit Description
High Beam Headlamps and Daytime Running Lamps (DRL)
Headlamp Dimmer, Park Gear Input, and High Beam Indicator
Handling ESD Sensitive Parts Notice
Handling ESD Sensitive Parts Notice
G104 and G106
G105
Handling ESD Sensitive Parts Notice