GM Service Manual Online
For 1990-2009 cars only
Makes
🢒
Pontiac
🢒
1985
🢒
Demonstrator
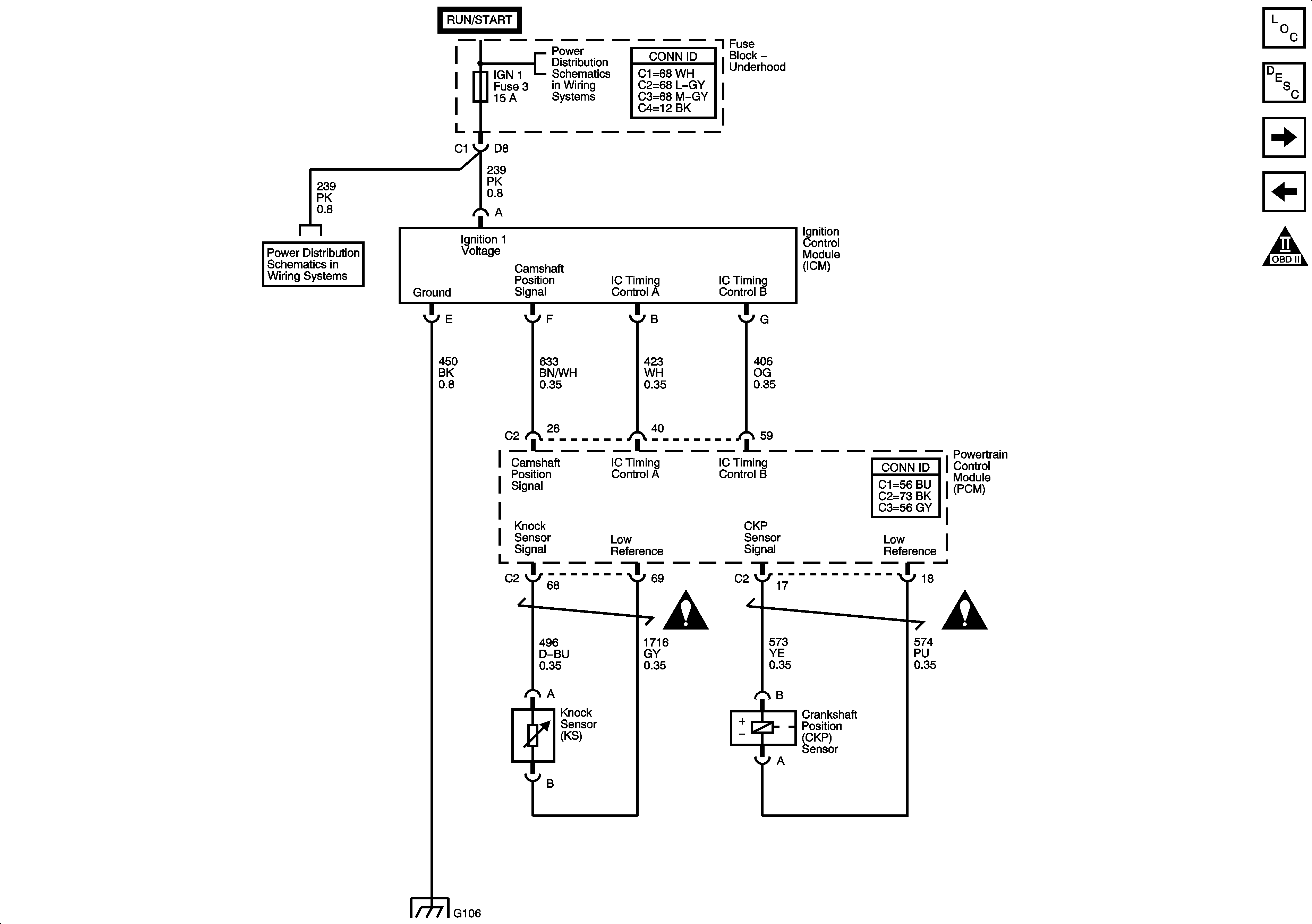
🢒 Ignition Control Module
Ignition Control Module
Ignition Control Module
Master Electrical Component List
Electronic Ignition (EI) System Description
Fuel Pump Controls
Electronic Throttle Controls
Engine Controls Schematic Icons
Fuse Block Underhood Bussing
Fuse Block - Underhood - ABS, IGN, INJ, PCM IGN, TRANS Fuses and RUN/CRANK Relay
Fuse Block - Underhood - ABS, IGN, INJ, PCM IGN, TRANS Fuses and RUN/CRANK Relay
Engine Controls Schematic Icons
Engine Controls Schematic Icons
G106