GM Service Manual Online
For 1990-2009 cars only
Makes
🢒
Pontiac
🢒
1985
🢒
Demonstrator
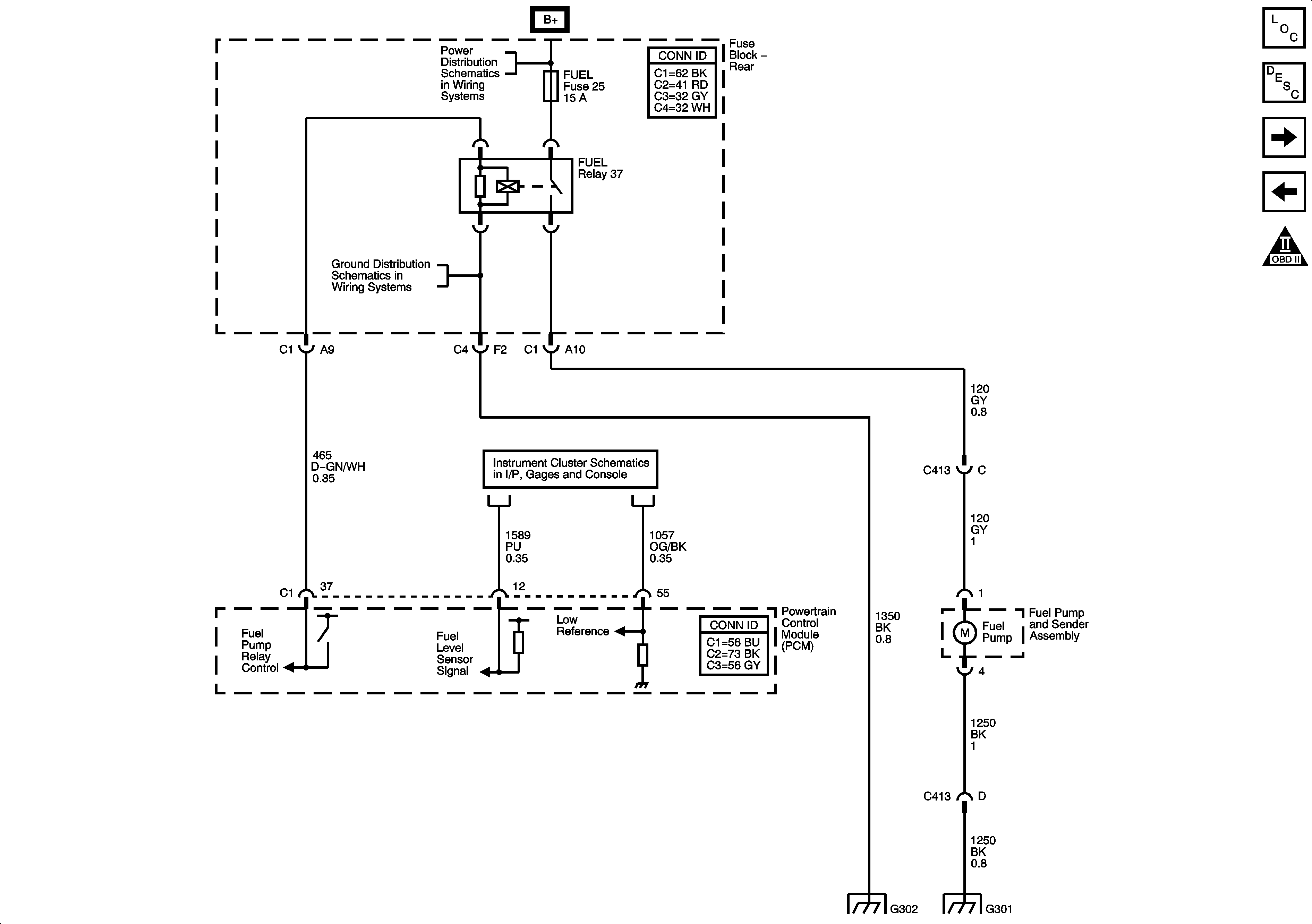
🢒 Fuel Pump Controls
Fuel Pump Controls
Fuel Pump Controls
Master Electrical Component List
Fuel System Description
Fuel Injectors, EVAP, and Fuel Tank Pressure Sensor
Ignition Control Module
Engine Controls Schematic Icons
DRV ST, EMISSION 2, FUEL, PARK LPS, RBEC 2, RUN RLY, TRUNK Fuses, and FUEL, PARK LPS, TRUNK Relays, BCM - HVAC BLOWER, HVAC HEAD ECC Fuses
DRV ST, EMISSION 2, FUEL, PARK LPS, RBEC 2, RUN RLY, TRUNK Fuses, and FUEL, PARK LPS, TRUNK Relays, BCM - HVAC BLOWER, HVAC HEAD ECC Fuses
G302
Indicators
G302
G301