GM Service Manual Online
For 1990-2009 cars only
Makes
🢒
Pontiac
🢒
1985
🢒
Demonstrator
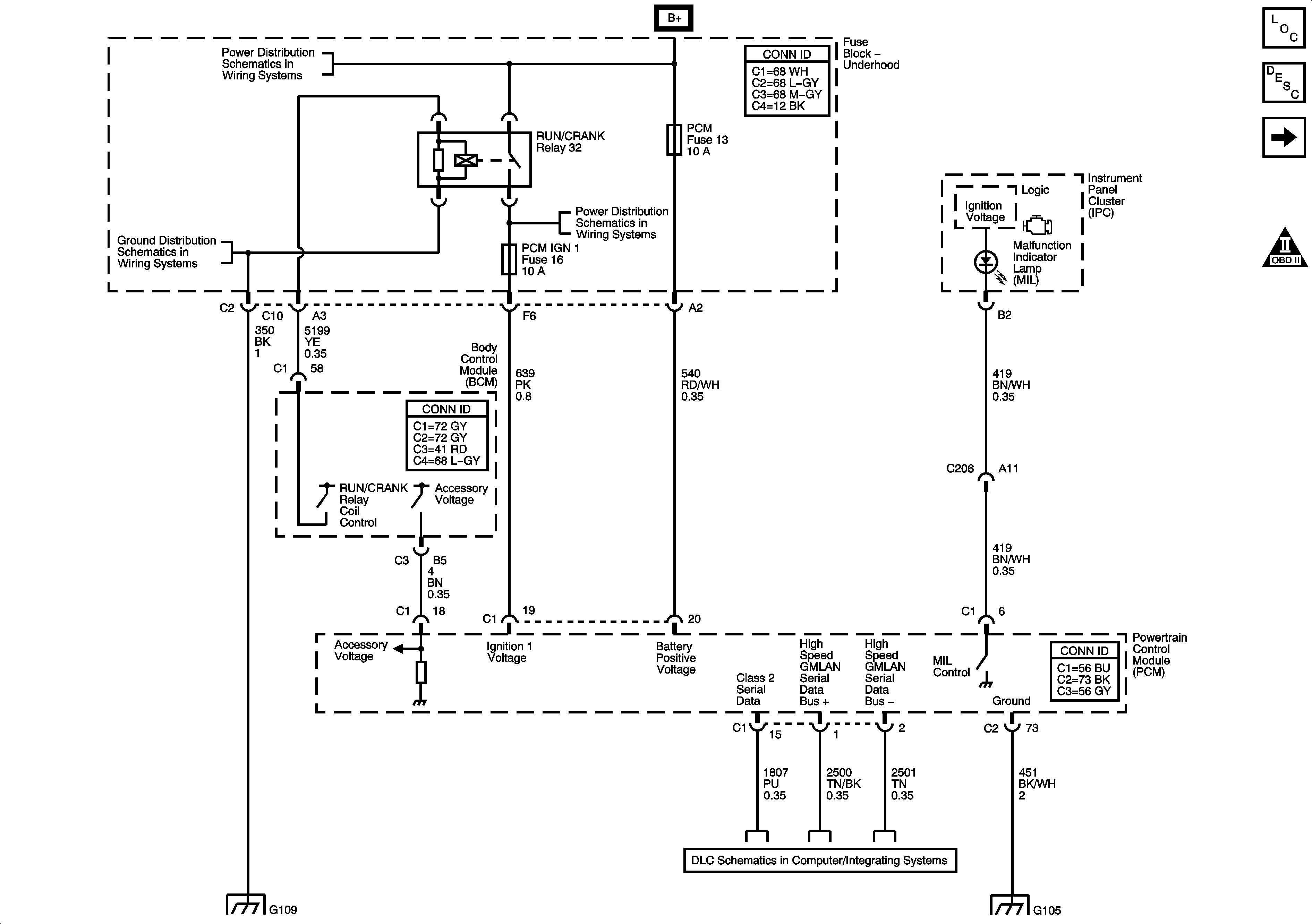
🢒 PCM, Power, Ground, MIL and Serial Data
PCM, Power, Ground, MIL and Serial Data
PCM Power, Ground, MIL, and Serial Data
Master Electrical Component List
Powertrain Control Module Description
5-Volt and Low Reference Bussing
Engine Controls Schematic Icons
Fuse Block Underhood Bussing
Fuse Block Underhood Bussing
G109
Fuse Block - Underhood - ABS, IGN, INJ, PCM IGN, TRANS Fuses and RUN/CRANK Relay
G109
Power, Ground and High Speed Serial Data
G103, G104, and G105