GM Service Manual Online
For 1990-2009 cars only
Makes
🢒
Pontiac
🢒
1985
🢒
Demonstrator
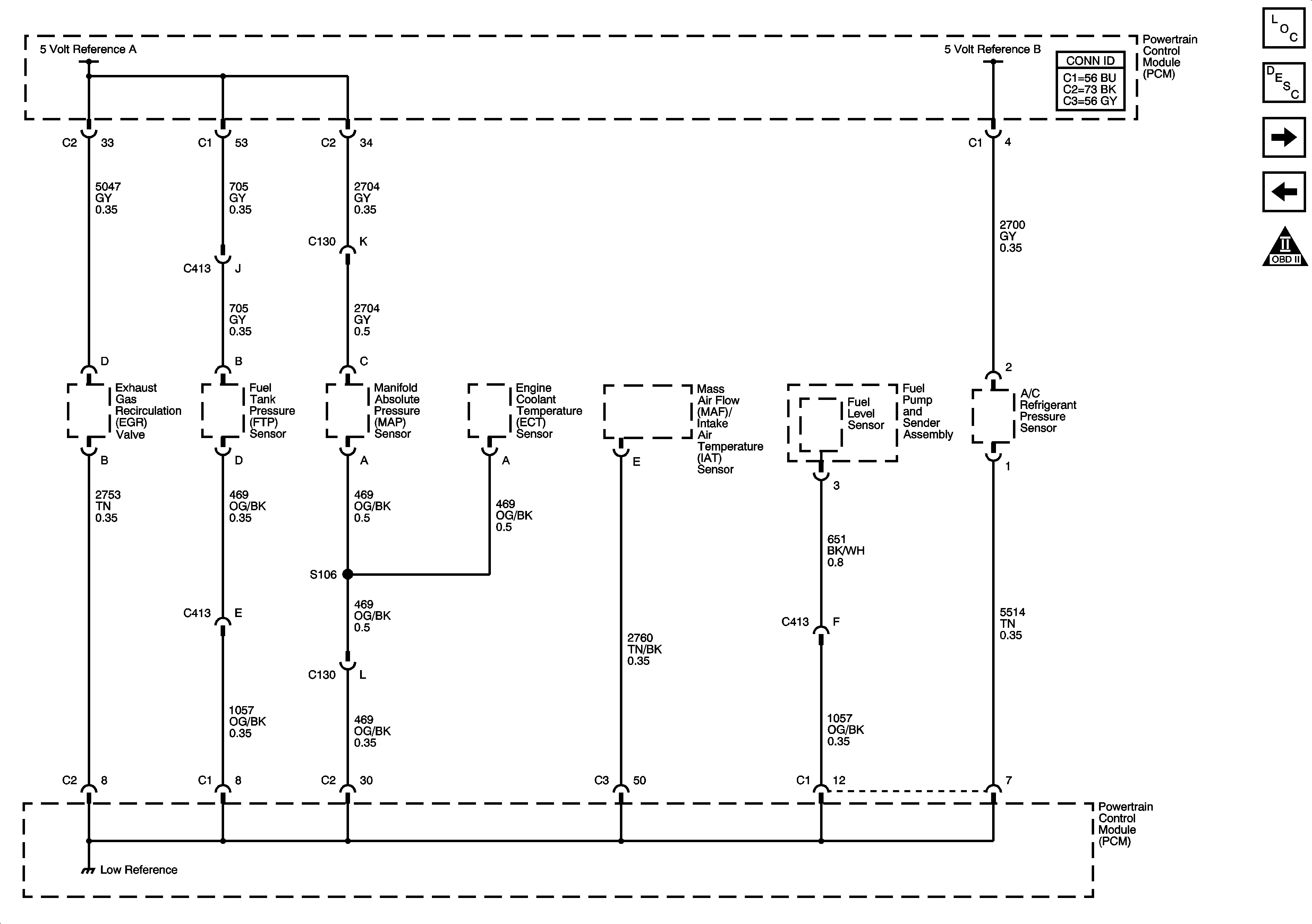
🢒 5-Volt and Low Reference Bussing
5-Volt and Low Reference Bussing
5-Volt and Low Reference Bussing
Master Electrical Component List
Powertrain Control Module Description
ECT, MAP, MAF/IAT and USS Sensors
PCM, Power, Ground, MIL and Serial Data
Engine Controls Schematic Icons