GM Service Manual Online
For 1990-2009 cars only
Makes
🢒
Pontiac
🢒
1985
🢒
Demonstrator
🢒 ECT, MAP, MAF/IAT and USS Sensors
ECT, MAP, MAF/IAT and USS Sensors
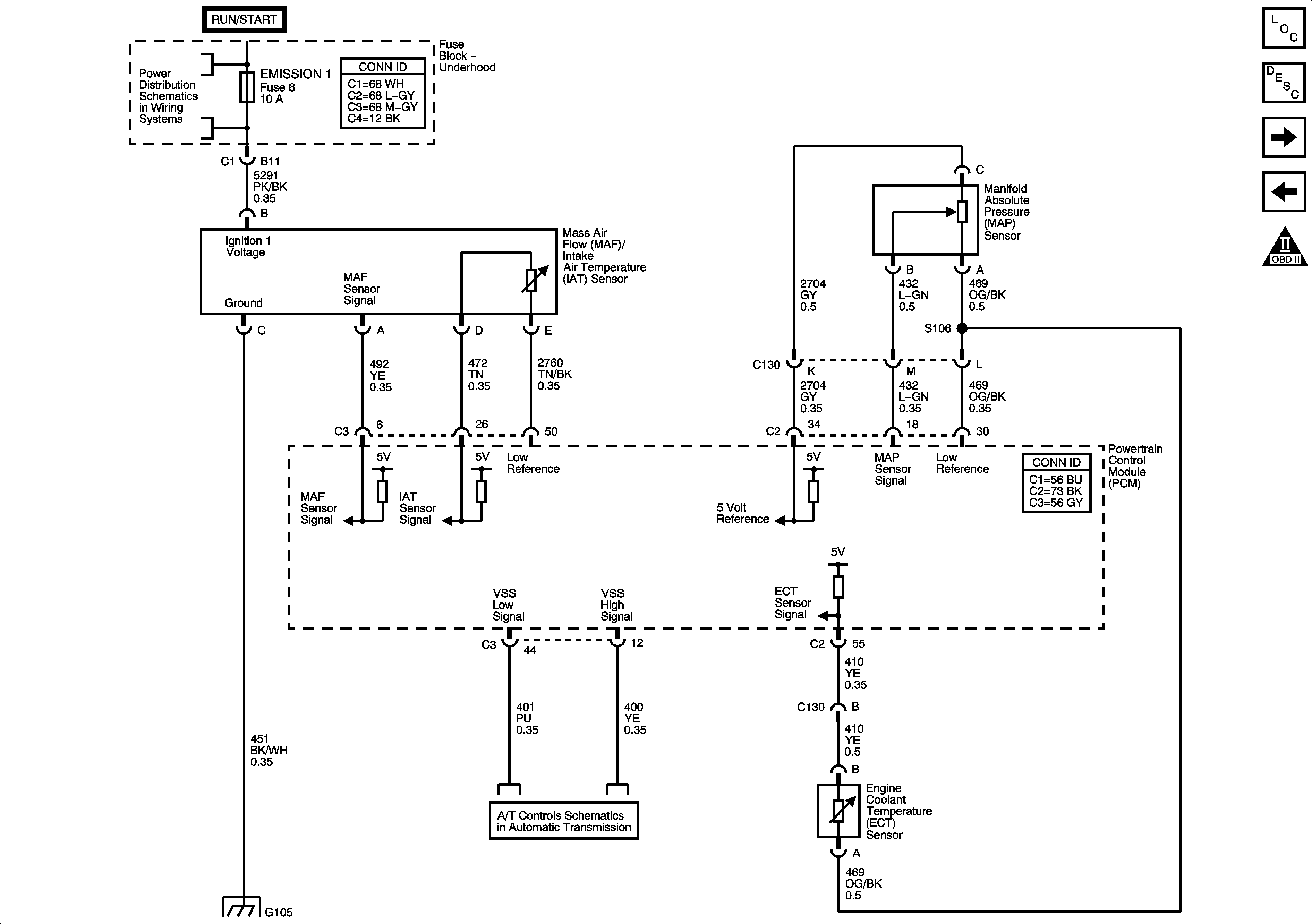
ECT, MAP, MAF/IAT, and VSS Sensors
Master Electrical Component List
Powertrain Control Module Description
Heated Oxygen Sensors
5-Volt and Low Reference Bussing
Engine Controls Schematic Icons
Fuse Block Underhood Bussing
Fuse Block - Underhood - EMISSION 1, ETC Fuses, and A/C Clutch, P0WERTRAIN Relays
Transmission Solenoids and VSS
G103, G104, and G105