GM Service Manual Online
For 1990-2009 cars only
Makes
🢒
Pontiac
🢒
1985
🢒
Demonstrator
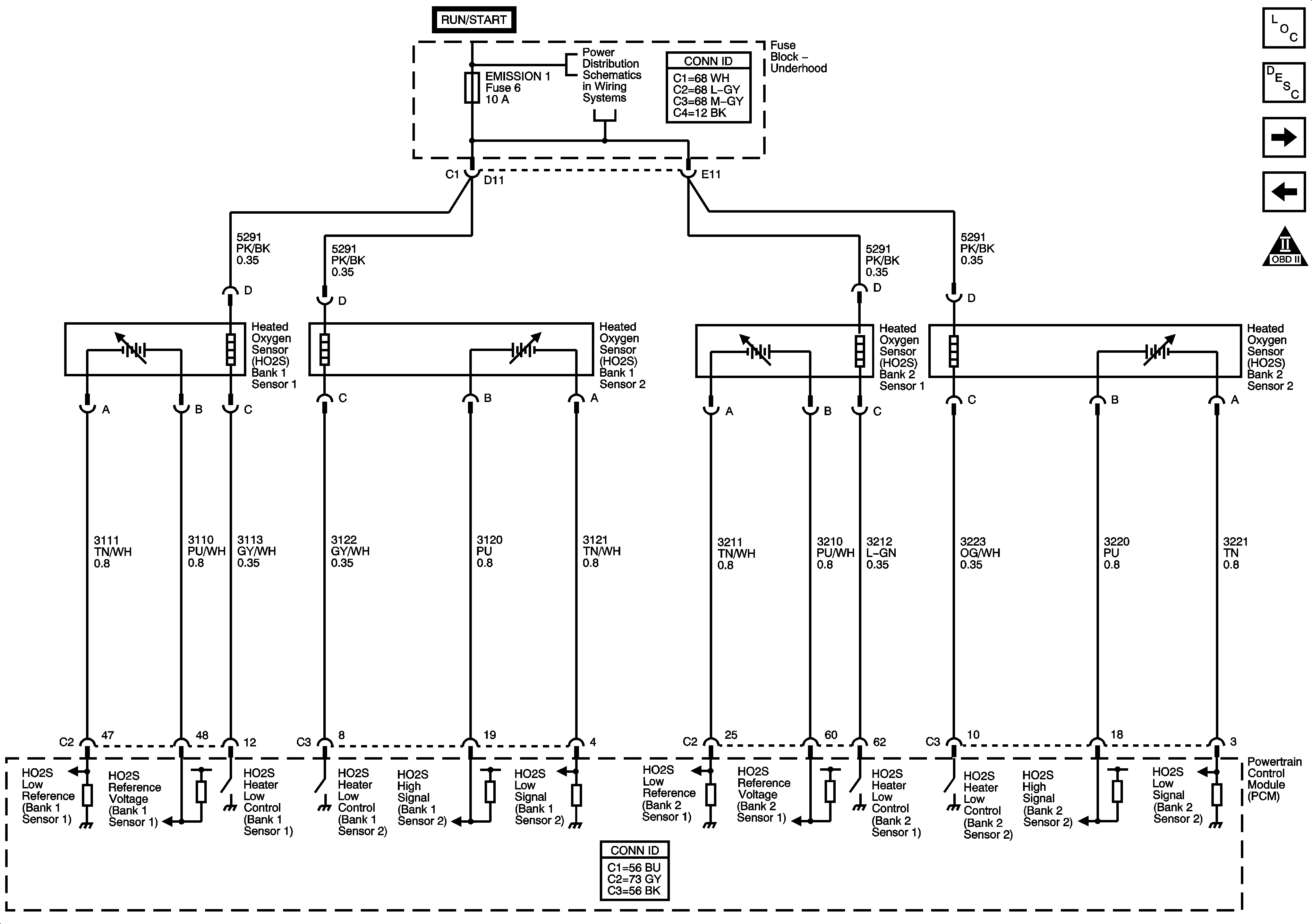
🢒 Heated Oxygen Sensors
Heated Oxygen Sensors
Heated Oxygen Sensors
Master Electrical Component List
Powertrain Control Module Description
Electronic Throttle Controls
ECT, MAP, MAF/IAT and USS Sensors
Engine Controls Schematic Icons
Fuse Block Underhood Bussing
Fuse Block - Underhood - EMISSION 1, ETC Fuses, and A/C Clutch, P0WERTRAIN Relays