GM Service Manual Online
For 1990-2009 cars only
Makes
🢒
Pontiac
🢒
1985
🢒
Demonstrator
🢒 Electronic Throttle Controls
Electronic Throttle Controls
Electronic Throttle Controls
Master Electrical Component List
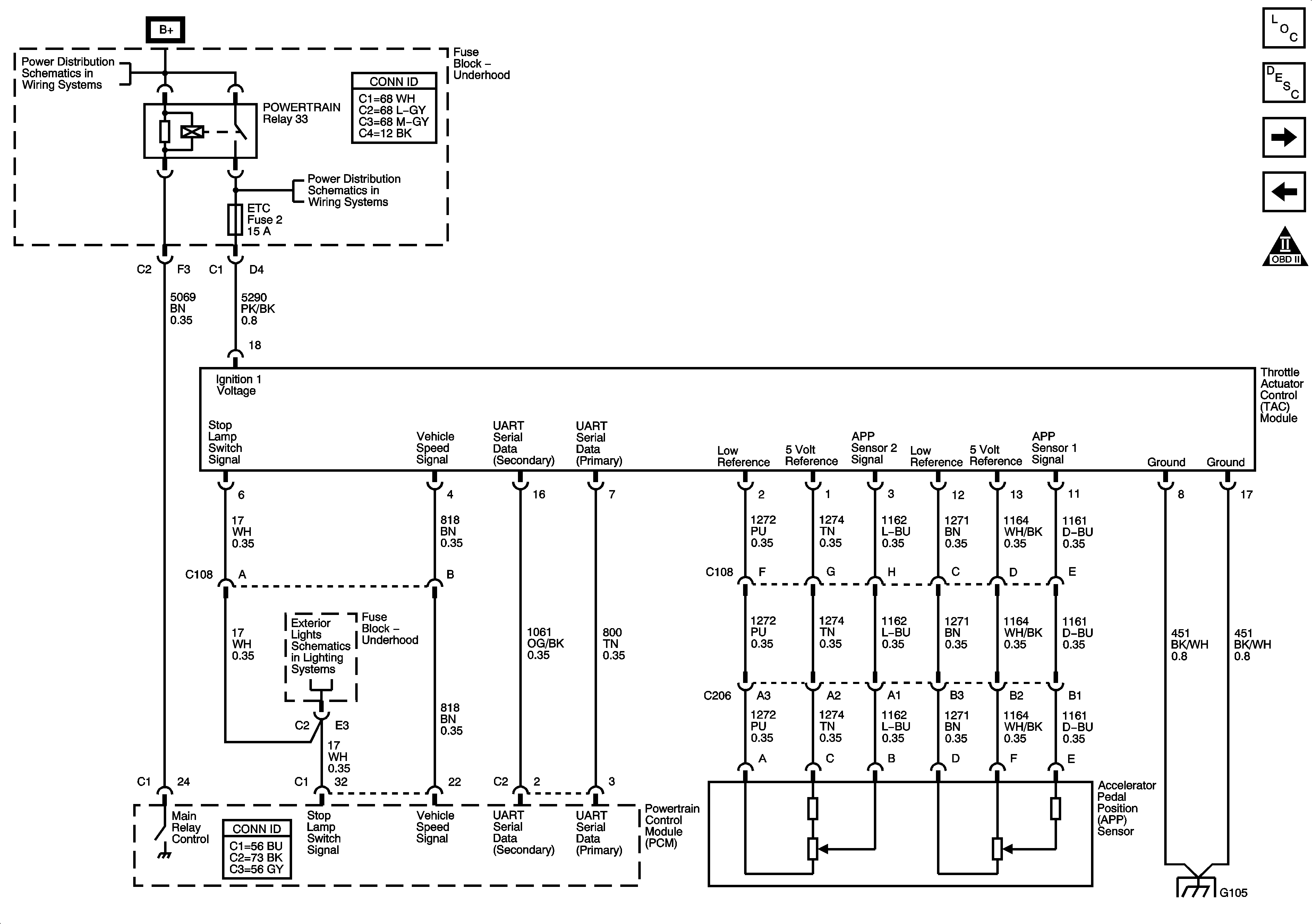
Throttle Actuator Control (TAC) System Description
Ignition Control Module
Heated Oxygen Sensors
Engine Controls Schematic Icons
Fuse Block Underhood Bussing
Fuse Block Underhood Bussing
Fuse Block - Underhood - EMISSION 1, ETC Fuses, and A/C Clutch, P0WERTRAIN Relays
Brake Lamp Diagnostic Resistor, CHMSL, Grounds and Park/Turn Signal Lamps
G103, G104, and G105