GM Service Manual Online
For 1990-2009 cars only
Makes
🢒
Pontiac
🢒
1985
🢒
Demonstrator
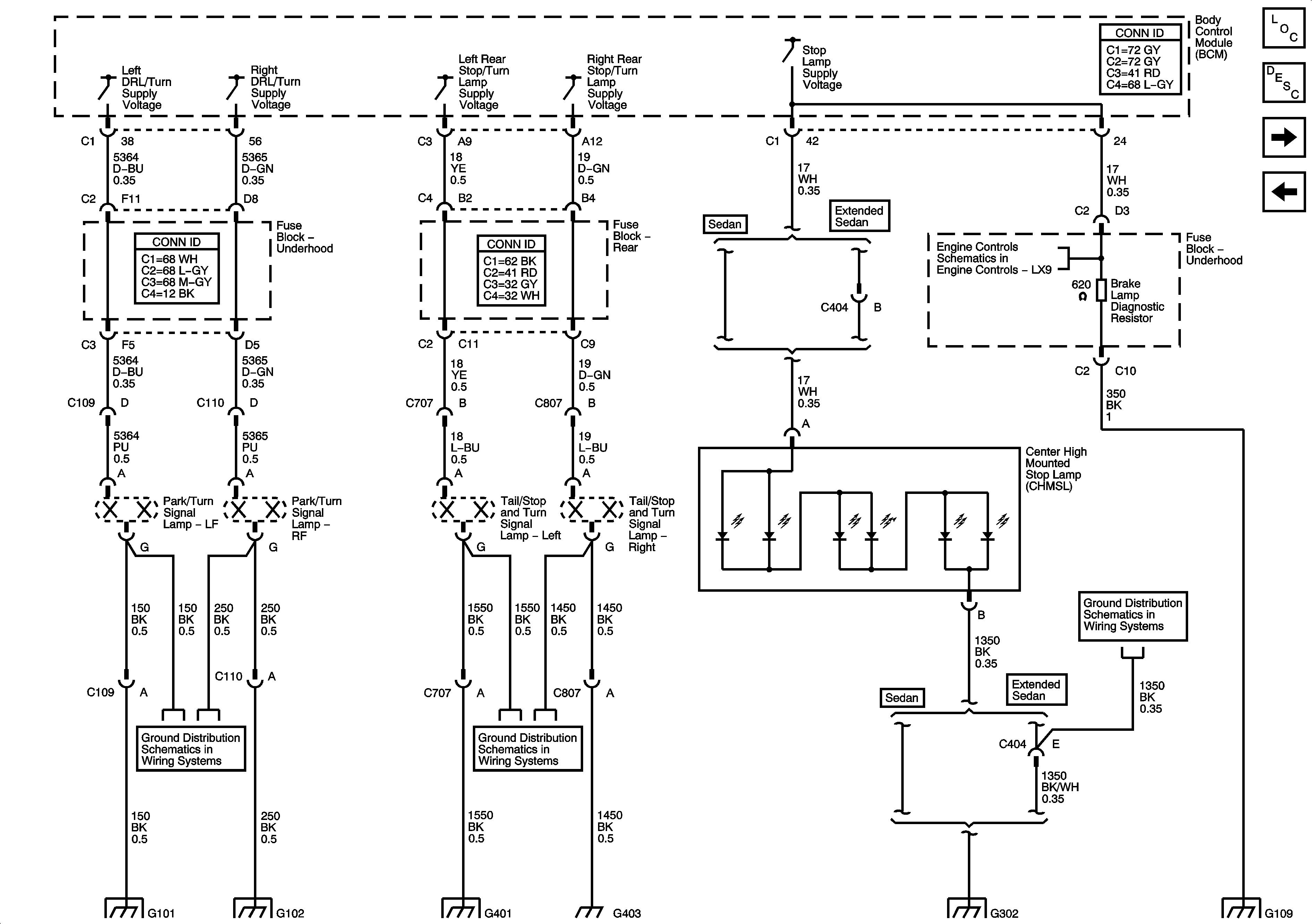
🢒 Brake Lamp Diagnostic Resistor, CHMSL, Grounds and Park/Turn Signal Lamps
Brake Lamp Diagnostic Resistor, CHMSL, Grounds and Park/Turn Signal Lamps
Brake Lamp Diagnostic Resistor, CHMSL, Grounds and Park/Turn Signal Lamps
Master Electrical Component List
Exterior Lighting Systems Description and Operation
Park Lamp Relay, Park/Turn Signal Lamps and Tail Lamps
Ambient Light Sensor, Brake Pedal Position Sensor, Grounds, Hazard Switch, Serial Data and Turn Signal/Multifunction Switch
Electronic Throttle Controls
G101 and G102
G401 and G403
G302
G101 and G102
G101 and G102
G401 and G403
G401 and G403
G302
G109