GM Service Manual Online
For 1990-2009 cars only
Makes
🢒
Pontiac
🢒
1998
🢒
Firebird
🢒 Transmission
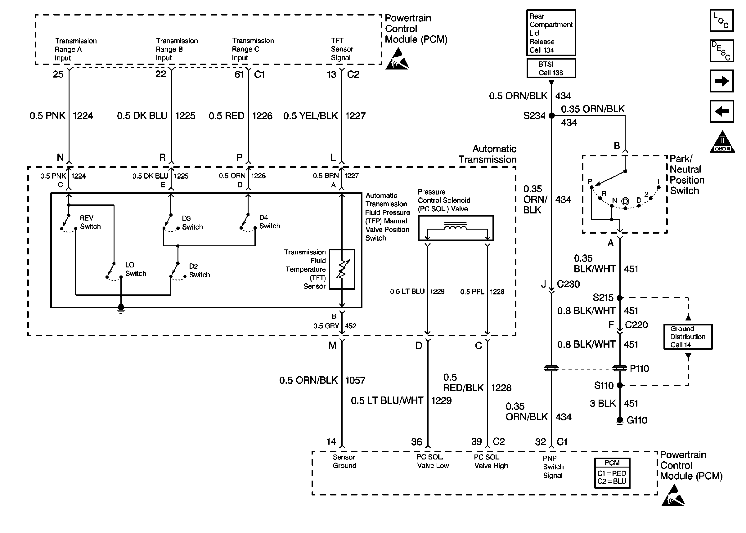
Transmission
Transmission
Engine Controls Components
Electronic Component Description
A/C System
Transmission
OBD II Symbol Description Notice
Handling ESD Sensitive Parts Notice
Handling ESD Sensitive Parts Notice
Ground Distribution Schematics
Release Systems Schematics
Shift Lock Control Schematics